电脑桌面
添加小米粒文库到电脑桌面
安装后可以在桌面快捷访问

聚光型太阳灶

聚光型太阳灶_第1页
1/11
聚光型太阳灶_第2页
2/11
聚光型太阳灶_第3页
3/11
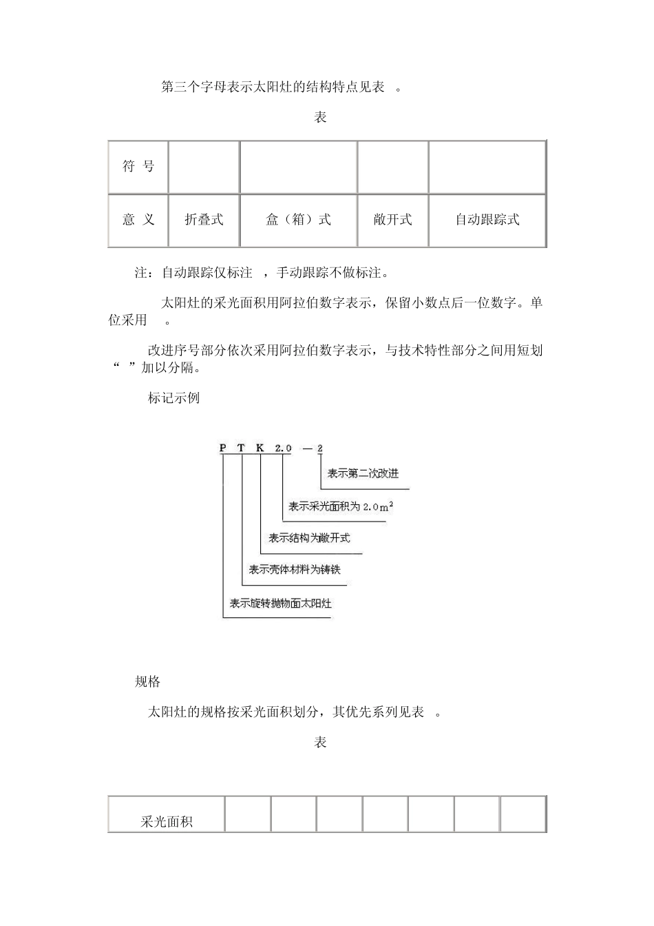
聚光型太阳灶 责任编辑:xiawanjia 来源:福建星火计划网 浏览人次: 次 发布时间:2007-08-15 NY 219—92 1 主题内容与适用范围 本标准规定了聚光型太阳灶的产品分类、技术要求、试验方法和检验规则。 本标准适用于锅圈基本水平的旋转抛物面和菲涅尔反射面聚光型太阳灶。 2 引用标准 GB 191 包装储运指示标志 GB 2705 涂料产品分类、命名和型号 Q/ZB 74 焊接通用技术条件 SG 23 日用铝锅 JB 2759 机电产品包装通用技术条件 3 术语 3.1 聚光型太阳灶 聚光型太阳灶(以下简称太阳灶)是一种利用灶面反光汇聚太阳直射辐射能进行炊事工作的装置。一般由灶面、锅架、 灶架及跟踪调节机构等部分组成。 3.2 灶面 太阳灶收集并汇聚太阳直射辐射能的部件。 3.3 主光轴 联接灶面原点和焦点的直线。 3.4 使用焦距 当太阳灶主光轴与太阳光线平行时,锅圈中心至锅圈在灶面上的投影中心(原点)之间的距离。 3.5 采光面积(A0) 当太阳灶主光轴平行于阳光时灶面的投影面积。 3.6 操作高度(H) 使用太阳灶时锅圈中心到地平面的距离。 3.7 操作距离(L) 使用太阳灶时,锅圈中心到灶面后边缘的水平距离。 3.8 使用高度角 太阳灶在使用时可利用的太阳高度角。 3.9 煮水热效率(η ) 太阳灶锅具内的水从某一初始温度升高到某一终止温度的全过程中所得的总热量与该过程中垂直投射到采光面积上的累积太阳直射辐照量之比。 3.10 额定功率(P) 在规定的工况下,太阳灶锅具内的水在单位时间内所获得的热量。 4 产品分类 4.1 标记 4.1.1 太阳灶产品标记由技术特性和改进顺序号两部分组成,采用大写拉丁字母和阿拉伯数字表示。 4.1.2 技术特性部分的符号及意义 4.1.2.1 第一个字母用 P表示旋转抛物面太阳灶或用 F 表示菲涅尔反射面太阳灶。 4.1.2.2 第二个字母表示壳体材料,一般采用汉语拼音第一个字母,如有重复或遇I、O、X字母,可采用第二个字母。常用的壳体材料标注见表 1。 表 1 符 号 B F G H L S T 意 义 玻璃钢 玻纤复合水泥 钢板 混凝土 铝 塑料 铸铁 4.1.2.3 第三个字母表示太阳灶的结构特点见表2。 表 2 符 号 D H K Z 意 义 折叠式 盒(箱)式 敞开式 自动跟踪式 注:自动跟踪仅标注Z,手动跟踪不做标注。 4.1.2.4 太阳灶的采光面积用阿拉伯数字表示,保留小数点后一位数字。单位采用m2。 4.1.3 改进序号部分依次采用阿拉伯数字...

1、当您付费下载文档后,您只拥有了使用权限,并不意味着购买了版权,文档只能用于自身使用,不得用于其他商业用途(如 [转卖]进行直接盈利或[编辑后售卖]进行间接盈利)。
2、本站所有内容均由合作方或网友上传,本站不对文档的完整性、权威性及其观点立场正确性做任何保证或承诺!文档内容仅供研究参考,付费前请自行鉴别。
3、如文档内容存在违规,或者侵犯商业秘密、侵犯著作权等,请点击“违规举报”。

碎片内容

聚光型太阳灶

您可能关注的文档

确认删除?
VIP
微信客服
  • 扫码咨询
会员Q群
  • 会员专属群点击这里加入QQ群
客服邮箱
回到顶部