电脑桌面
添加小米粒文库到电脑桌面
安装后可以在桌面快捷访问

华中数控车床实训图纸及参考程序VIP免费

华中数控车床实训图纸及参考程序_第1页
1/76
华中数控车床实训图纸及参考程序_第2页
2/76
华中数控车床实训图纸及参考程序_第3页
3/76
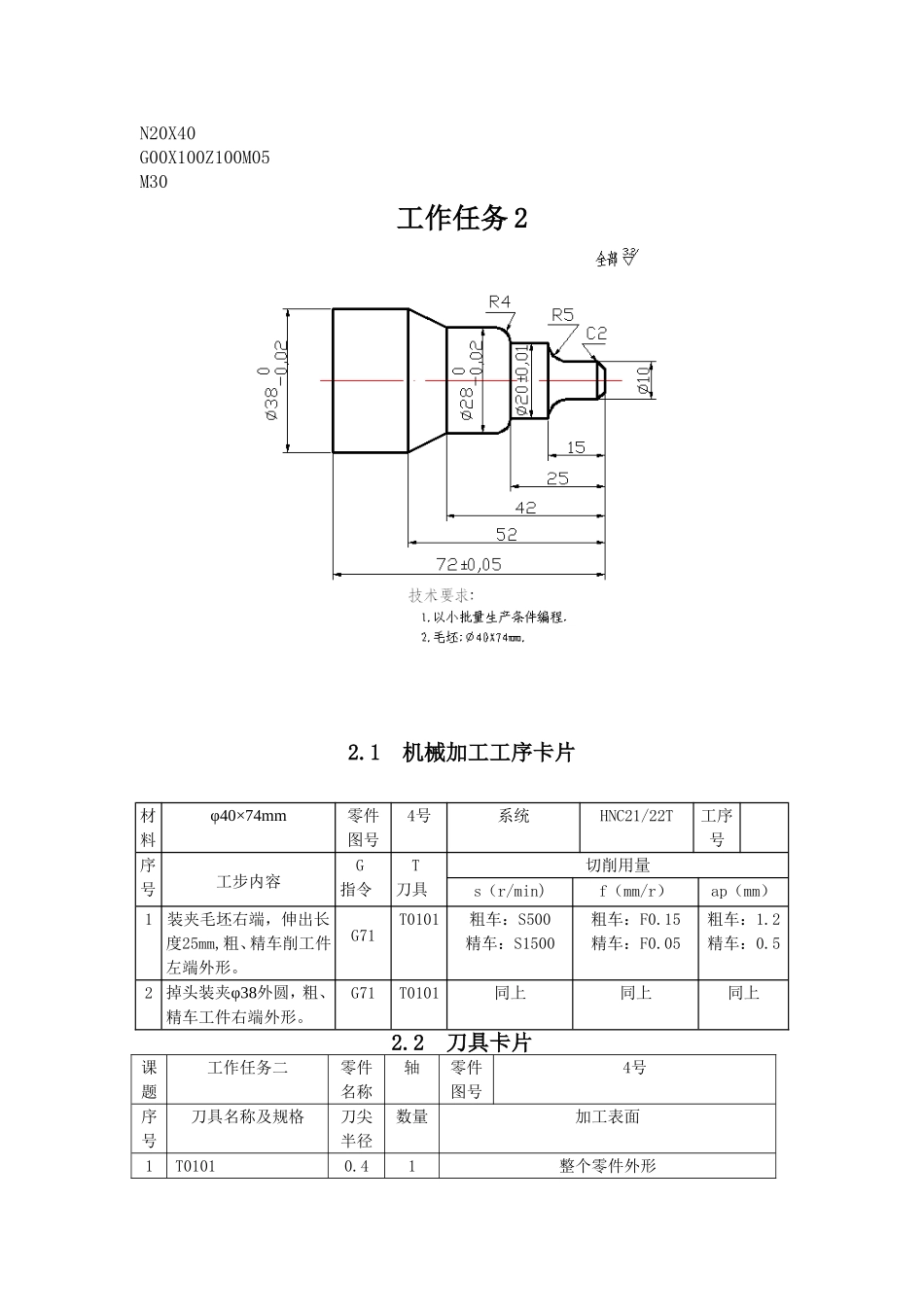
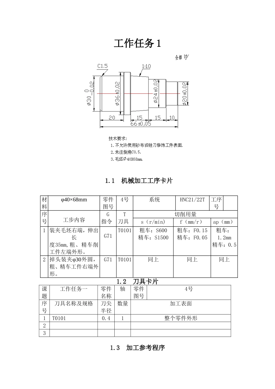
工作任务11.1机械加工工序卡片材料φ40×68mm零件图号4号系统HNC21/22T工序号序号工步内容G指令T刀具切削用量s(r/min)f(mm/r)ap(mm)1装夹毛坯右端,伸出长度35mm,粗、精车削工件左端外形。G71T0101粗车:S600精车:S1500粗车:F0.15精车:F0.05粗车:1.2mm精车:0.52掉头装夹φ30外圆,粗、精车工件右端外形。G71T0101同上同上同上1.2刀具卡片课题工作任务一零件名称轴零件图号4号序号刀具名称及规格刀尖半径数量加工表面1T01010.41整个零件外形231.3加工参考程序1.3.1工件左端程序:O0001文件夹名;%0001程序名;T010190°外圆车刀;G95M03S600F0.15G00X42Z2G71U1.2R0.5P10Q20X0.5G00X100Z100M05M00T0101G95M03S1500F0.05精加工;G00X42Z2N10G00X27G01Z0Z-20X35X36W-0.5Z-68N20X42G00X100Z100M05M301.3.2工件右端程序;O0002文件夹名;%0002程序名;T010190°外圆车刀;G95M03S600F0.15G00X42Z2G71U1.2R0.5P10Q20X0.5G00X100Z100M05M00T0101G95M03S1500F0.05G00X42Z2N10G00X19G01Z0X20Z-0.5Z-10X23X24W-0.5Z-25X34.5X36W-15X35X36W-0.5N20X40G00X100Z100M05M30工作任务22.1机械加工工序卡片材料φ40×74mm零件图号4号系统HNC21/22T工序号序号工步内容G指令T刀具切削用量s(r/min)f(mm/r)ap(mm)1装夹毛坯右端,伸出长度25mm,粗、精车削工件左端外形。G71T0101粗车:S500精车:S1500粗车:F0.15精车:F0.05粗车:1.2精车:0.52掉头装夹φ38外圆,粗、精车工件右端外形。G71T0101同上同上同上2.2刀具卡片课题工作任务二零件名称轴零件图号4号序号刀具名称及规格刀尖半径数量加工表面1T01010.41整个零件外形232.3加工程序2.3.1工件左端加工程序:O0001文件夹名;%0021程序名;T010190°外圆车刀;G95M3S500F0.15G0X42Z2G71U1.2R1P10Q20X0.5Z0.1G0X100Z100M5M0T0101G95M3S1500F0.05G0X42Z2N10G0X37.99G1Z0N20Z-22G0X100Z100M5M302.3.2工件右端加工程序:O0002文件夹名;%0022程序名;T010190°外圆车刀;G95M3S500F0.15G0X42Z2G71U1.2R1P10Q20X0.5Z0.1G0X100Z100M5M0T0101G95M3S1500F0.05G0X42Z2N10G0X6G1Z0X10W-2Z-10G02X20Z-15R5G1Z-25G03X28W-4R4G1Z-42N20X37.99Z-52G00X100Z100M5M30工作任务33.1机械加工工序卡片材料φ30×72mm零件图号4号系统HNC21/22T工序号序号工步内容G指令T刀具切削用量s(r/min)f(mm/r)ap(mm)1装夹毛坯右端,伸出长度25mm,粗、精车削工件左端外形。G71T0101粗车:S600精车:S1500粗车:F0.15精车:F0.06粗车:1.5mm精车:0.62掉头装夹φ25外圆,粗、精车工件右端外形。G71T0101同上同上同上3换切槽刀在33mm处,切槽。G01T0202S450F0.0344换螺纹车刀,切M16×1.5螺纹G82T0303S4503.2刀具卡片课题工作任务三零件名称轴零件图号4号序号刀具名称及规格刀尖半径数量加工表面1T01010.41整个零件外形2T02021切5×2的槽3T03031切M16×1.5的螺纹3.3加工程序3.3.1工件右端加工程序:O0002文件夹名;%0022程序名;T010190°外圆车刀;G95M03S600F0.15G00X32Z2G71U1.5R0.5P10Q20X0.6Z0.1G00X100Z100M05M00T0101G95M03S1500F0.06G00X32Z2N10G00X0G01Z0X18.98G03X24.98Z-3R3G1Z-25G00X100Z100M05M303.3.2工件右端加工程序:O0002文件夹名;%0002程序名;T010190°外圆车刀;G95M03S600F0.15G00X32Z2G71U1.5R0.5P10Q20X0.6Z0.1G00X100Z100M05M00T0101G95M03S1500F0.06G00X32Z2N10G00X0G01Z0G03X12Z-6R6G01Z-13X15.8W-2Z-33X18X20Z-43W-5G02X24Z-50R2G1X24.98G00X100Z100M05M00T02024mm宽的切槽车刀;G95M03S450F0.03G00X18Z-33G01X12G04P2G0X18X100Z100M05M00T030360°螺纹刀;G95M03S450G00X18Z-10G82X15Z-29F1.5X14.6Z-29X14.2Z-29X14Z-29X13.85Z-29X13.85Z-29G00X100Z100M05M30工作任务44.1机械加工工序卡片材料φ30×72mm零件图号4号系统HNC21/22T工序号序号工步内容G指令T刀具切削用量s(r/min)f(mm/r)ap(mm)1装夹毛坯右端,伸出长度35mm,粗、精车削工件左端外形。G71T0101粗车:S500精车:S1500粗车:F0.15精车:F0.05粗车:1.2mm精车:0.52掉头装夹φ24外圆,粗、精车工件右端外形。G71T0101同上同上同上3换切槽刀在27mm处,切槽。G01T0202S400F0.0...

1、当您付费下载文档后,您只拥有了使用权限,并不意味着购买了版权,文档只能用于自身使用,不得用于其他商业用途(如 [转卖]进行直接盈利或[编辑后售卖]进行间接盈利)。
2、本站所有内容均由合作方或网友上传,本站不对文档的完整性、权威性及其观点立场正确性做任何保证或承诺!文档内容仅供研究参考,付费前请自行鉴别。
3、如文档内容存在违规,或者侵犯商业秘密、侵犯著作权等,请点击“违规举报”。

碎片内容

华中数控车床实训图纸及参考程序

确认删除?
VIP
微信客服
  • 扫码咨询
会员Q群
  • 会员专属群点击这里加入QQ群
客服邮箱
回到顶部