电脑桌面
添加小米粒文库到电脑桌面
安装后可以在桌面快捷访问

钢梁制作方案

钢梁制作方案_第1页
1/13
钢梁制作方案_第2页
2/13
钢梁制作方案_第3页
3/13
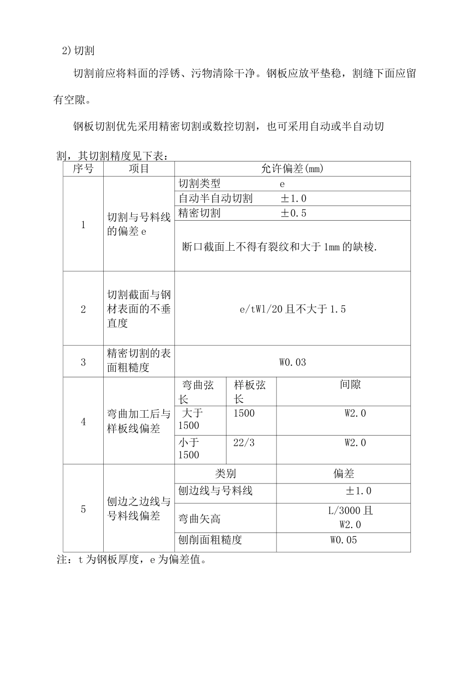
钢梁制作方案文档编制序号:[KK8UY-LL9IO69-TTO6M3-MTOL89-FTT688]2.1钢结构加工工艺流程 2.1.1 钢结构构件加工工艺流程,见附图2.2 工厂制作要领2.2.1 材料1)本工程所有钢板采用 Q345qB 钢。钢材进厂必须具备钢材质量证明书,然后按规定进行材料复检,并出具相应的复验报告,当钢材表面有锈蚀、麻点或划痕等缺陷时,其深度不得大于该钢材厚度允许负偏差值的 1/2。所有钢材必须符合桥梁用结构钢《GB/T714-2000》的规定。2)板材厚度控制需满足总平均厚度不得出现负公差,单批厚度不得低于-2%负公差。3)焊接材料(必须具备材料质量证明书)材质手工焊埋弧焊气体保护焊Q345qBJHE5015-3HH10Mn2G+HJ331ER50-62.2.2 制作1)放样、下料a.放样下料将根据施工详图和工艺要求进行,并预留制作和安装时的焊接收缩余量及切割加工余量。b.对于形状复杂的零部件,在图中不易确定的尺寸,将通过放样确定。c. 下料前必须对钢料的牌号、规格、质量进行检查,如发现钢料不平直,有锈蚀、油漆等污物,应矫正清理后再下料;下料外形尺寸允许偏差为土1mm。2)切割切割前应将料面的浮锈、污物清除干净。钢板应放平垫稳,割缝下面应留有空隙。钢板切割优先采用精密切割或数控切割,也可采用自动或半自动切割,其切割精度见下表:序号项目允许偏差(mm)1切割与号料线的偏差 e切割类型e自动半自动切割±1.0精密切割±0.5断口截面上不得有裂纹和大于 1mm 的缺棱.2切割截面与钢材表面的不垂直度e/tWl/20 且不大于 1.53精密切割的表面粗糙度W0.034弯曲加工后与样板线偏差弯曲弦长样板弦长间隙大于15001500W2.0小于150022/3W2.05刨边之边线与号料线偏差类别偏差刨边线与号料线±1.0弯曲矢高L/3000 且W2.0刨削面粗糙度W0.05注:t 为钢板厚度,e 为偏差值。刨削加工的允许偏差表切割完成后将切割边缘飞边、毛刺、熔渣清除干净,对于大于 1mm 的缺棱应及进行补焊打磨处理。3)矫正和弯曲热矫正温度应严格控制在 600~800°C 范围内,然后自然冷却,降至室温前,不得锤击钢料和用水急冷。冷矫时应缓慢加力,室温不宜低于 5C,冷矫总变形率不得大于 2%时冲击值不满足要求的拉力杆件,不得冷矫。矫正后的钢材表面不应有明显的凹痕或损伤。零件矫正后的允许偏差应符合下表规定:项目允许偏差(mm)钢板平面度每米1.0钢板直线度LW8m3.0L>8m4.0型钢直线度每米0.5角钢肢垂直度全长范围0.5角肢平面度连接部位0.5其余1.0槽形板上口宽度±2.0下口宽度±2.0咼度±2.0四角...

1、当您付费下载文档后,您只拥有了使用权限,并不意味着购买了版权,文档只能用于自身使用,不得用于其他商业用途(如 [转卖]进行直接盈利或[编辑后售卖]进行间接盈利)。
2、本站所有内容均由合作方或网友上传,本站不对文档的完整性、权威性及其观点立场正确性做任何保证或承诺!文档内容仅供研究参考,付费前请自行鉴别。
3、如文档内容存在违规,或者侵犯商业秘密、侵犯著作权等,请点击“违规举报”。

碎片内容

钢梁制作方案

确认删除?
VIP
微信客服
  • 扫码咨询
会员Q群
  • 会员专属群点击这里加入QQ群
客服邮箱
回到顶部