电脑桌面
添加小米粒文库到电脑桌面
安装后可以在桌面快捷访问

XX公司品质管理程序书——生产计划

XX公司品质管理程序书——生产计划_第1页
1/5
XX公司品质管理程序书——生产计划_第2页
2/5
XX公司品质管理程序书——生产计划_第3页
3/5
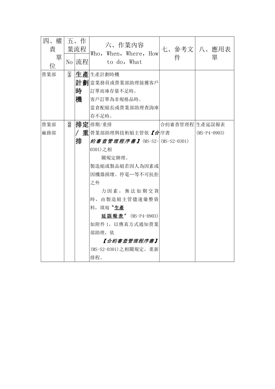
名翔恿線股份有限公司生產計劃管理程序書文件編號 MS-P2-0901制訂日期:89 年11 月 1 日修訂日期: 年 月 日版次:版頁 次第 1 頁共 3 頁一、目的為加強生產之管理,有效運用原物料、人力及設備(機械、機器)等,在時間上、數量上與空間上作適當分配,藉以提高生產效率並降低成本以獲致最大經濟效益。二、範圍生產線上之各製程,始自原物料之投入至包裝出貨為止,均適用之。三、定義無流程圖名翔恿線股份有限公司生產計劃管理程序書文件編號 MS-P2-0901制訂日期:89 年 11月 1 日修訂日期: 年 月 日版次:版頁 次第 2 頁共 3 頁NY生產計劃時機入庫正常排定/重排生產製造四、權責單位五、作業流程六、作業內容Who,When,Where,How to do,What七、參考文件八、應用表單No 流程營業部1 生產計劃時機生產計劃時機當業務員或營業部助理接獲客戶訂單而庫存量不足時。客戶訂單為非規格品時。當倉配組長或營業部助理查詢庫存不足時。營業部廠務部2 排定/ 重排排期/重排營業部助理與技術組主管依【合約 審 查 管 理 程 序 書 】 (MS-S2-0301)之相關規定辦理。製造組或製品組若因人為因素或因機器損壞、停電…等不可抗拒之外力 因 素 , 無 法 如 期 交 貨時,由製造組主管儘速彙整資料,填寫〝生產延 誤 報 表 〞 (MS-P4-0903)如附件 1,以傳真方式通知營業部助理,依【合約審查管理程序書】(MS-S2-0301)之相關規定,重新排程。合約審查管理程序書(MS-S2-0301)生產延誤報表(MS-P4-0903)廠務部3 生產製造生產製造文書助理依確認後之〝生產計劃排 程 表 〞 (MS-P4-0901) 如 附 件2,於電腦系統開出每日之〝生產指令〞(MS-P4-0902)如附件 3,經廠務部協理核准後,發給廠務部相關人員,廠務部相關人員依〝生產指令〞(MS-P4-0902)如附件 3 與【製程管制程序書】(MS-P2-0902)與【製程巡迴檢驗 程 序 書 】 (MS-P2-1002)之相關規定進行生產製造。製程管制程序書(MS-P2-0902)製程巡迴檢驗程序書(MS-P2-1002)生產計劃排程表(MS-P4-0901)生產指令(MS-P4-0902)廠務部4 正常 正常製造組或製品組主管判定生產進度是否正常,若正常,進入流程5,進 行 入 庫 作 業 , 若 不 正常,進入流程 2 ,進行重新排程。名翔恿線股份有限公司生產計劃管理程序書文件編號 MS-P2-0901制訂日期:89 年 11月 1 日修訂日期: 年 月 日版次:版頁 次第 3 頁共 3 頁四、權責單位五、...

1、当您付费下载文档后,您只拥有了使用权限,并不意味着购买了版权,文档只能用于自身使用,不得用于其他商业用途(如 [转卖]进行直接盈利或[编辑后售卖]进行间接盈利)。
2、本站所有内容均由合作方或网友上传,本站不对文档的完整性、权威性及其观点立场正确性做任何保证或承诺!文档内容仅供研究参考,付费前请自行鉴别。
3、如文档内容存在违规,或者侵犯商业秘密、侵犯著作权等,请点击“违规举报”。

碎片内容

XX公司品质管理程序书——生产计划

您可能关注的文档

元素商铺+ 关注
实名认证
内容提供者

欢迎挑选合适的文档

确认删除?
VIP
微信客服
  • 扫码咨询
会员Q群
  • 会员专属群点击这里加入QQ群
客服邮箱
回到顶部