电脑桌面
添加小米粒文库到电脑桌面
安装后可以在桌面快捷访问

脚手架施工方案钢丝绳卸载

脚手架施工方案钢丝绳卸载_第1页
1/27
脚手架施工方案钢丝绳卸载_第2页
2/27
脚手架施工方案钢丝绳卸载_第3页
3/27
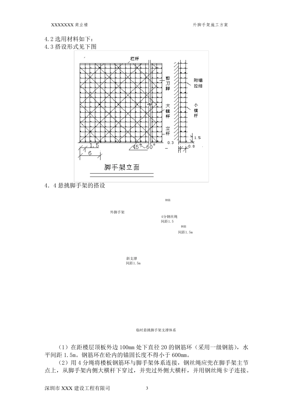
X X X X X X X 商业楼 外脚手架施工方案 深圳市X X X 建设工程有限司 1 外脚手架钢丝绳卸载及落地出料平台施工方案 目录 1、编制依据………………………………………2 2、工程概况………………………………………2 3、施工安排及生产准备…………………………2 4、脚手架设计……………………………………3 5、施工方法………………………………………4 6.脚手架搭设质量检查与验收………………… 8 7、脚手架安全措施………………………………8 8、脚手架维护与管理………………………… 9 9、脚手架拆除措施……………………………9 10、环境保护……………………………………10 11、附脚手架落地计算书………………………11 12、附落地出料平台计算书……………………22 XXXXXXX 商业楼 外脚手架施工方案 深圳市XXX 建设工程有限司 2 1、编制依据 《建筑施工扣件式钢管脚手架安全技术规范》JGJ130-2001、《建筑施工安全检查标准》JGJ59-99、《钢结构设计规范》GB50017-2003 2.工程概况 1: 本工程位于 XXXXXX 中心广场旁。总建筑面积 1XX30.91 ㎡,其中首层面积2240.10 ㎡,地下层面积 6731.45。建筑层数:地上 5 层、地下 2 层 ,建筑高度22.8m、总建筑高度 24.3m. 3、施工安排 本工程地下室 2 层,地上 5 层,为双排落地式脚手架,立杆的纵距为 1.50米,立杆的横距为 0.80 米,立杆的步距为 1.50 米,内排架距离墙长度为 0.30米。在二层及四层采用钢丝绳卸载的施工方案。等室外侧墙土方回填完成后进行回载,保证整个架体的移定性。 3.2.生产准备 3.2.1. 施工条件 (在回填土工作完成前,介时将从一层搭设临时悬挑脚手架,搭设高度不超过2 层,等回填土工作完成后,再将首层脚手架恢复)。 3.2.2.材料准备 钢管:钢管采用直径48mm,壁厚3.0mm 的 3 号钢焊接钢管,其材质及机械性能应符合国家标准,钢管应涂防锈漆。 扣件:扣件要有产品 质量 合格 证及检测 报 告 ,扣件不能有裂 纹 、气 孔 、疏松 、砂 眼 等铸 造 缺 陷 。扣件与 钢管的贴 合面必 须 严 格 整形 ,应保证与 钢管扣紧 时接触 良 好 。扣件夹 紧 钢管时,开 口 处 的最 小 间 隙 要小 于 5mm。本工程脚手架需 用三 种 扣件:直角 扣件、旋 转 扣件、对 接扣件。 脚手板 :采用杉 木 或 松 木 制作的木 脚手板 ,厚度不小 于 50mm,板 长...

1、当您付费下载文档后,您只拥有了使用权限,并不意味着购买了版权,文档只能用于自身使用,不得用于其他商业用途(如 [转卖]进行直接盈利或[编辑后售卖]进行间接盈利)。
2、本站所有内容均由合作方或网友上传,本站不对文档的完整性、权威性及其观点立场正确性做任何保证或承诺!文档内容仅供研究参考,付费前请自行鉴别。
3、如文档内容存在违规,或者侵犯商业秘密、侵犯著作权等,请点击“违规举报”。

碎片内容

脚手架施工方案钢丝绳卸载

您可能关注的文档

确认删除?
VIP
微信客服
  • 扫码咨询
会员Q群
  • 会员专属群点击这里加入QQ群
客服邮箱
回到顶部