电脑桌面
添加小米粒文库到电脑桌面
安装后可以在桌面快捷访问

脱氧工艺讲课内容VIP专享

脱氧工艺讲课内容_第1页
1/16
脱氧工艺讲课内容_第2页
2/16
脱氧工艺讲课内容_第3页
3/16
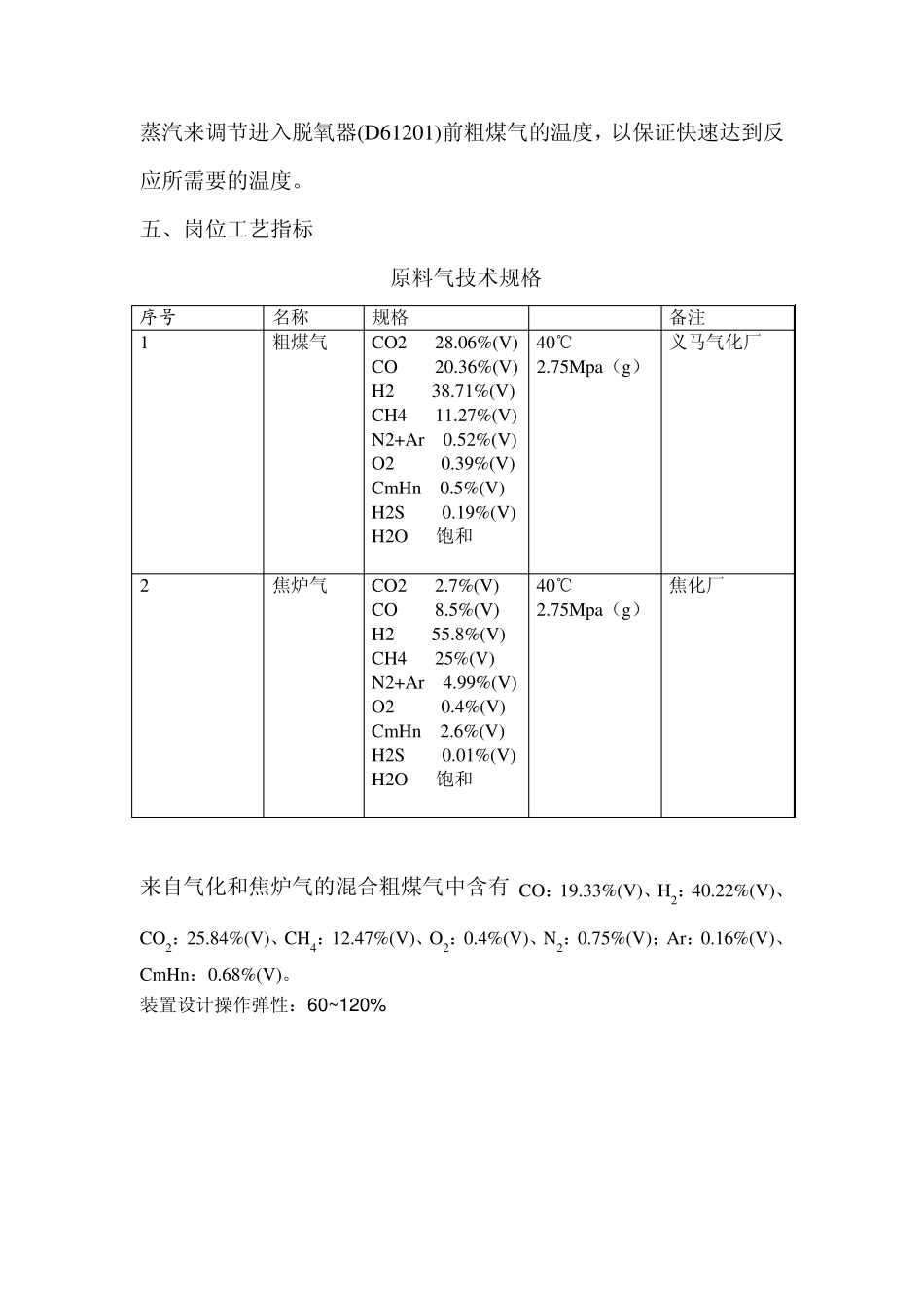
脱氧工艺 一、 岗位任务 主要任务是脱除来自经过洗涤的气化粗煤气和焦炉气的混合煤气中微量的氧气,为后工序提供氧气含量要求脱至30ppm 以下的合格原料气以满足后工段的工艺要求。防止氧气组分的存在对后工序甲烷分离的冷箱设备操作带来有害影响。正确使用和维护催化剂,延长其使用寿命。 二、 工艺原理 利用适合于本项目原料气含硫、含油等杂质工况的专用脱氧剂,在适宜温度条件和催化剂作用下O2 与 CO、H2进行反应使氧气得以脱除,其反应为: 2CO+O2→2CO2 O2+2H2→2H2O 三、脱氧剂硫化原理 脱氧剂为钴钼系耐硫低变催化剂,主要活性组分为氧化钼,以氧化钴为促进剂,以氧化铝为载体。 脱氧催化剂中的Co与Mo是以氧化态形式存在,这种形态的催化剂不具有活性,只有将 Co、Mo转化为硫化态,才具有活性。 将催化剂中Co、Mo由氧化态转化为硫化态的过程称为催化剂的硫化,硫化分为强制硫化与自然硫化两种形式。我厂采用CS2强制硫化的方法。 为使气体中有足够的H2S含量,以保证硫化过程顺利进行,通常采取向系统连续添加CS2的方法,并在一定温度下(200℃)发生氢解作用生成 H2S。其主要反应为: CS2+4H2 2H2S+CH4 Δ H=240KJ/mol CoO+H2S CoS+H2O Δ H=13.6KJ/mol' MoO3+2H2S+ H2 MoS2+3H2O Δ H=48.1KJ/mol 上述 CoO与 MoO生成 MoS2与 CoS的反应是一个可逆的放热反应。 硫化氢穿透前,床层温度低于 230℃。催化剂上的金属氧化态在温度大于 230℃后很容易被氢气还原,成为低价位的金属氧化物甚至成为单质金属,因此在硫化氢穿透催化剂床层前,应严格执行该指标(低价位的金属或单质金属难于硫化,同时被还原的金属对油有强的吸附作用,会加速裂解反应,造成催化剂大量积炭,使活性降低) 四、 工艺流程 因催化剂为耐硫催化剂,开车前需先加入CS2气体,用以激活催 化剂反应活性。 来自气化工段的粗煤气在界外与焦炉气混合后首先进入净化器 (F61201A/B)中除去混合煤气中的油、粉尘等杂质,进入气气换热器 (E61201)加热至160℃,然后进入脱氧器(D61201),在脱氧剂作用 下将气体中的氧气脱除。脱除氧气后的气体经气气换热器(E61201)与 脱油后的粗煤气进行换热冷却至90℃,再经过脱氧气冷却器(E61203) 冷却至40℃,在脱氧气分离器(F61203)中分离出冷凝液后送至低温甲 醇洗工段。 开车时或煤气中氧气含量波动时利用2.6MPa(g),260℃中压过热蒸汽来调节进入脱氧器(D61201)前粗煤气的温度,以保证快速达...

1、当您付费下载文档后,您只拥有了使用权限,并不意味着购买了版权,文档只能用于自身使用,不得用于其他商业用途(如 [转卖]进行直接盈利或[编辑后售卖]进行间接盈利)。
2、本站所有内容均由合作方或网友上传,本站不对文档的完整性、权威性及其观点立场正确性做任何保证或承诺!文档内容仅供研究参考,付费前请自行鉴别。
3、如文档内容存在违规,或者侵犯商业秘密、侵犯著作权等,请点击“违规举报”。

碎片内容

脱氧工艺讲课内容

确认删除?
VIP
微信客服
  • 扫码咨询
会员Q群
  • 会员专属群点击这里加入QQ群
客服邮箱
回到顶部