电脑桌面
添加小米粒文库到电脑桌面
安装后可以在桌面快捷访问

自制电工万能计算器(可计算电机电流、变压器选型、铜铝重量)

自制电工万能计算器(可计算电机电流、变压器选型、铜铝重量)_第1页
1/12
自制电工万能计算器(可计算电机电流、变压器选型、铜铝重量)_第2页
2/12
自制电工万能计算器(可计算电机电流、变压器选型、铜铝重量)_第3页
3/12
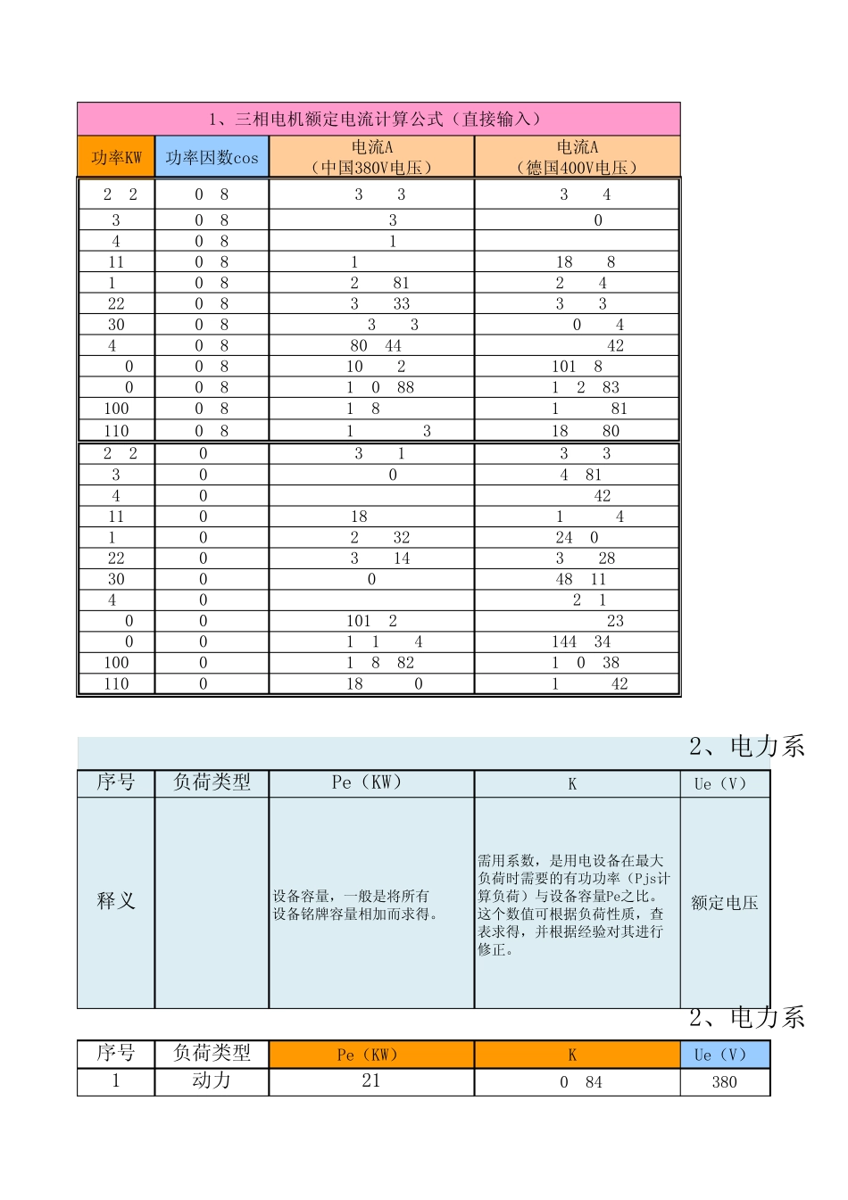
功率KW功率因数cos电流A(中国380V电压)电流A(德国400V电压)2.20.853.933.7430.855.365.0940.857.156.79110.8519.6618.68150.8526.8125.47220.8539.3337.36300.8553.6350.94450.8580.4476.42600.85107.25101.89900.85160.88152.831000.85178.75169.811100.85196.63186.802.20.93.713.5330.95.064.8140.96.756.42110.918.5717.64150.925.3224.06220.937.1435.28300.950.6548.11450.975.9772.17600.9101.2996.23900.9151.94144.341000.9168.82160.381100.9185.70176.42序号负荷类型Pe(KW)KxUe(V)释义设备容量,一般是将所有设备铭牌容量相加而求得。需用系数,是用电设备在最大负荷时需要的有功功率(Pjs计算负荷)与设备容量Pe之比。这个数值可根据负荷性质,查表求得,并根据经验对其进行修正。额定电压序号负荷类型Pe(KW)KxUe(V)1动力210.843801、三相电机额定电流计算公式(直接输入)2、电力系2、电力系2动力370.853803动力6900.853804动力23.40.853805动力00.753806动力00.853807动力0.83808动力0.83809动力0.838010动力0.8380合计771.4单位(KW)电机总功率总系数视在功率(计算)有功功率(计算)无功功率(计算)SjsPjsQjs3500.85330.56297.5144.093600.85340.00306148.203700.85349.44314.5152.323800.85358.89323156.443880.85366.44329.8159.733880.85366.44329.8159.736900.85617.37586.5192.776900.7536.67483233.936900.6460.00414200.516900.85651.67586.5284.056900.85617.37586.5192.77序号回路编号总功率Pe(KW)需用系数Kx功率因数Cosφ1370.850.82370.850.8323.40.850.8423.40.850.83、变压器容量选型计算公式(直接输入)4、电力系500.750.8600.850.8700.80.85800.80.85900.80.851000.80.85合计容量KVA高压电压KV高压电流A低压电压KV低压电流A80104.620.4115.47100105.770.4144.34125107.220.4180.43160109.240.4230.952001011.550.4288.682501014.430.4360.853151018.190.4454.684001023.090.4577.375001028.870.4721.716301036.370.4909.358001046.190.41154.7310001057.740.41443.4212501072.170.41804.2716001092.380.42309.47200010115.470.42886.84250010144.340.43608.55315010181.870.44546.77400010230.950.45773.67500010288.680.47217.09630010363.740.49093.53800010461.890.411547.341000010577.370.414434.185、变压器容量与其电流计算公式(直接输入)总负荷:Pe=120.8(KW)平均功率因数=0.82截面(mm)...

1、当您付费下载文档后,您只拥有了使用权限,并不意味着购买了版权,文档只能用于自身使用,不得用于其他商业用途(如 [转卖]进行直接盈利或[编辑后售卖]进行间接盈利)。
2、本站所有内容均由合作方或网友上传,本站不对文档的完整性、权威性及其观点立场正确性做任何保证或承诺!文档内容仅供研究参考,付费前请自行鉴别。
3、如文档内容存在违规,或者侵犯商业秘密、侵犯著作权等,请点击“违规举报”。

碎片内容

自制电工万能计算器(可计算电机电流、变压器选型、铜铝重量)

您可能关注的文档

确认删除?
VIP
微信客服
  • 扫码咨询
会员Q群
  • 会员专属群点击这里加入QQ群
客服邮箱
回到顶部