电脑桌面
添加小米粒文库到电脑桌面
安装后可以在桌面快捷访问

自然对流与强制对流及计算实例

自然对流与强制对流及计算实例_第1页
1/9
自然对流与强制对流及计算实例_第2页
2/9
自然对流与强制对流及计算实例_第3页
3/9
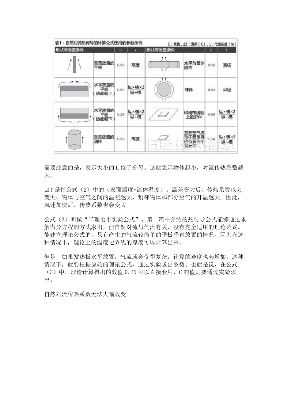
自然对流与强制对流及计算实例 热设计是电子设备开发中必不可少的环节。本连载从热设计的基础— — 传热着手,介绍基本的热设计方法。前面介绍的热传导具有消除个体内温差的效果。上篇绍的热对流,则具有降低平均温度的效果。 下面就通过具体的计算来分别说明自然对流与强制对流的情况。 首先,自然对流的传热系数可以表述为公式(2)。 热流量=自然对流传热系数×物体表面积×(表面温度-流体温度) …(2) 很多文献中都记载了计算传热系数的公式,可以把流体的特性值带入公式中进行计算,可以适用于所有流体。但每次计算的时候,都必须代入五个特性值。因此,公式(3)事先代入了空气的特性值,简化了公式。 自然对流传热系数 h=2 .51C(⊿T/L)0.25(W/m2K) …(3) 2.51 是代入空气的特性值后求得的系数。如果是向水中散热,2.51 需要换成水的特性值。 公式(3)出现了 C、L、⊿T 三个参数。C 和L 从表1 中选择。例如,发热板竖立和横躺时,周围空气的流动各不相同。对流传热系数也会随 之 改 变 ,系数C就负 责 吸 收 这 一 差异 。 代表长 度L 与C 是成对定 义 的。计算代表长 度的公式因物体形 状 而 异 ,因此,在 计算的时候,需要从表1 中选择相似 的形 状 。 需要注意的是,表示大小的L 位于分母。这就表示物体越小,对流传热系数越大。 ⊿T 是指公式(2)中的(表面温度-流体温度)。温差变大后,传热系数也会变大。物体与空气之间的温差越大,紧邻物体那部分空气的升温越大。因此,风速加快后,传热系数也会变大。 公式(3)叫做“半理论半实验公式”。第二篇中介绍的热传导公式能够通过求解微分方程的方式求出,但自然对流与气流有关,没有完全适用的理论公式。能建立理论公式的,只有产生的气流较简单的平板垂直放置的情况。因为在这种情况下,理论上的温度边界线的厚度可以计算出来。 但是,如果发热板水平放置,气流就会变得复杂,计算的难度也会增加。这种情况下,就要根据原始的理论公式,通过实验求出系数。也就是说,在公式(3)中,理论计算得出的数值 0.25 可以直接套用,C 的值则要通过实验求出。 自然对流传热系数无法大幅改变 图4:自然对流传热系数无法大幅改变 物体沿流动方向的尺寸越小,单位面积的散热量越大。自然对流的传热系数随斜率和面的曲率变化,但变化的幅度不大。而强制空冷可以通过提高风速和湍流化,大幅改变传热系数。 形状和配置对于...

1、当您付费下载文档后,您只拥有了使用权限,并不意味着购买了版权,文档只能用于自身使用,不得用于其他商业用途(如 [转卖]进行直接盈利或[编辑后售卖]进行间接盈利)。
2、本站所有内容均由合作方或网友上传,本站不对文档的完整性、权威性及其观点立场正确性做任何保证或承诺!文档内容仅供研究参考,付费前请自行鉴别。
3、如文档内容存在违规,或者侵犯商业秘密、侵犯著作权等,请点击“违规举报”。

碎片内容

自然对流与强制对流及计算实例

小辰3+ 关注
实名认证
内容提供者

出售各种资料和文档

相关文档

确认删除?
VIP
微信客服
  • 扫码咨询
会员Q群
  • 会员专属群点击这里加入QQ群
客服邮箱
回到顶部