电脑桌面
添加小米粒文库到电脑桌面
安装后可以在桌面快捷访问

船用钢板介绍

船用钢板介绍_第1页
1/7
船用钢板介绍_第2页
2/7
船用钢板介绍_第3页
3/7
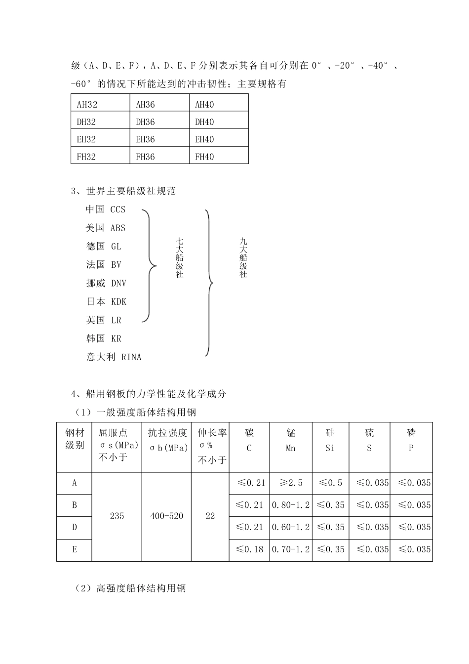
船用钢材 船用钢材主要包括船用钢板、型材(包括角钢、H 型钢、T 型钢,工字钢、球扁钢),以及船用钢管等,其中钢板是最主要的钢材。就船舶本身而言,各种钢材主要用途如下: 种类 用途 钢板 船体 角钢、型钢 船体结构 球扁钢 龙骨 钢管 输液管道及压力管道 一、船用钢板基本知识 1、船用钢板简介 船用钢板归类为中厚板,是按船级社建造规范要求生产的用于制造船体结构的热轧钢板。 船用钢板首先良好的韧性是最关键的要求,此外要求有较高的强度,良好的耐腐蚀性能、焊接性能,加工成型性能以及表面质量。为保质量和保证有足够的韧性,要求化学成分的 Mn/C 在 2.5 以上,对碳当量也有严格要求,并由船检部门认可的钢厂生产。 2、船用钢板分类 船体用结构钢按照用途可分为一般船舶用和特种船舶用,一般船舶主要使用一般强度和高强度钢,特种船舶如液化气船使用低温韧性钢,散装化学品船使用奥氏体不锈钢和双相不锈钢及复合钢。 船体用结构钢按照其最小屈服点划分强度级别为:一般强度结构钢和高强度结构钢。船体用结构钢分一般强度和高强度钢两种,一般强度钢按质量分 A、B、C、D 四个等级;高强度钢又分两个强度级别(32、36)和三个质量等级(A、D、E),主要规格有 AH32、DH32、EH32、AH36、DH36、EH36。 中国船级社规范标准的一般强度结构钢分为:A、B、D、E 四个质量等级(即CCSA、CCSB、CCSC、CCSD);中国船级社规范标准的高强度结构钢为三个强度级别(32、36、40),32、36、40 分别表示 屈服度,四个质量等级(A、D、E、F),A、D、E、F 分别表示其各自可分别在0°、-20°、-40°、-60°的情况下所能达到的冲击韧性;主要规格有 AH32 AH36 AH40 DH32 DH36 DH40 EH32 EH36 EH40 FH32 FH36 FH40 3、世界主要船级社规范 中国 CCS 美国 ABS 德国 GL 法国 BV 挪威 DNV 日本 KDK 英国 LR 韩国 KR 意大利 RINA 4、船用钢板的力学性能及化学成分 (1)一般强度船体结构用钢 钢材级别 屈服点σs(MPa)不小于 抗拉强度 σb(MPa) 伸长率σ% 不小于 碳 C 锰 Mn 硅 Si 硫 S 磷 P A 235 400-520 22 ≤0.21 ≥2.5 ≤0.5 ≤0.035 ≤0.035 B ≤0.21 0.80-1.2 ≤0.35 ≤0.035 ≤0.035 D ≤0.21 0.60-1.2 ≤0.35 ≤0.035 ≤0.035 E ≤0.18 0.70-1.2 ≤0.35 ≤0.035 ≤0.035 (2)高强度船体结构用钢 七大船级社 九大船级社 钢材级别 屈服点...

1、当您付费下载文档后,您只拥有了使用权限,并不意味着购买了版权,文档只能用于自身使用,不得用于其他商业用途(如 [转卖]进行直接盈利或[编辑后售卖]进行间接盈利)。
2、本站所有内容均由合作方或网友上传,本站不对文档的完整性、权威性及其观点立场正确性做任何保证或承诺!文档内容仅供研究参考,付费前请自行鉴别。
3、如文档内容存在违规,或者侵犯商业秘密、侵犯著作权等,请点击“违规举报”。

碎片内容

船用钢板介绍

确认删除?
VIP
微信客服
  • 扫码咨询
会员Q群
  • 会员专属群点击这里加入QQ群
客服邮箱
回到顶部