电脑桌面
添加小米粒文库到电脑桌面
安装后可以在桌面快捷访问

二布三涂环氧防腐地坪施工方案

二布三涂环氧防腐地坪施工方案_第1页
1/3
二布三涂环氧防腐地坪施工方案_第2页
2/3
二布三涂环氧防腐地坪施工方案_第3页
3/3
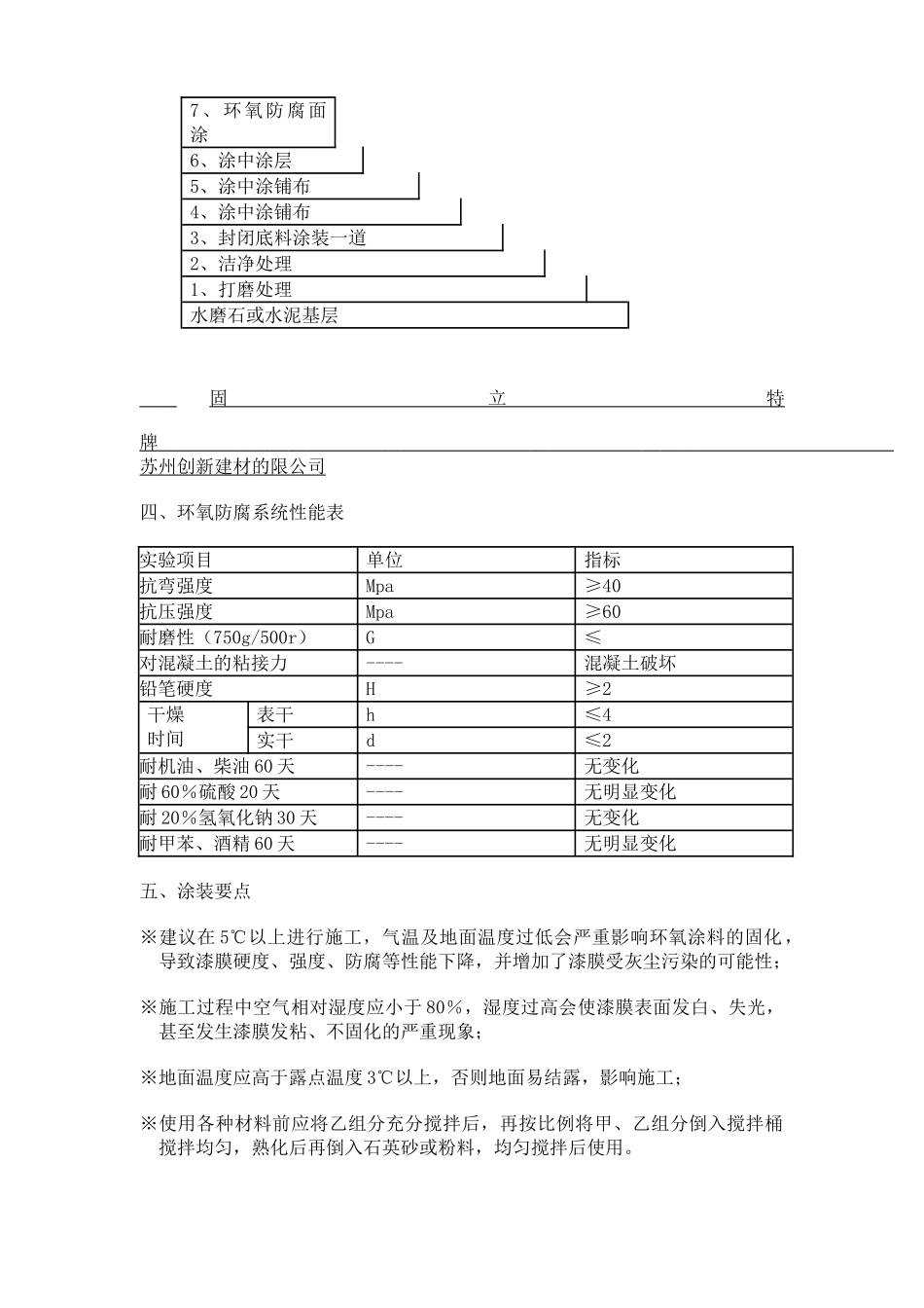
二布三涂环氧防腐地坪施工方案一、名称:二布三涂环氧防腐地坪施工方案二、现场况和使用要求 基本状况描述:基本要求:1、新浇注混凝土养护干燥至少四周以上,含水率不高于 6%;2、基面平整密实,无裂缝、空鼓等表面缺陷,抗压强度≥20Mpa,三、涂装工艺1.施工前处理※施工前将施工区域与非施工区域用纸胶带隔离出来;※在施工现场设立明确的施工、警示标志。2.基面处理:※采纳手工打磨,表面应无水泥渣及疏松的附着物;※当基面处理结束后,必须用洁净的软毛刷、鸡毛掸子、压缩空气或工业吸尘器,将基面清理洁净。3.二布三涂环氧防腐系统施工工艺※滚涂环氧底涂一遍,10-15 小时后进行下道工序。※涂刷环氧防腐中涂,同时铺设玻璃纤维布压实,排出气泡,10-15 小时后待其固化后,方可进行下道工序。※涂刷环氧防腐中涂,同时铺设玻璃纤维布压实,排出气泡,10-15 小时后待其固化后,方可进行下道工序。※涂刷环氧防腐中涂,调配石英砂批刮一遍,10-15 小时后待其固化后,方可进行下道工序。※滚涂环氧防腐面涂二遍。※养护期 7 天施工示意图:7、环氧防腐面涂 6、涂中涂层 5、涂中涂铺布 4、涂中涂铺布 3、封闭底料涂装一道 2、洁净处理 1、打磨处理 水磨石或水泥基层 固立特牌 苏州创新建材的限公司四、环氧防腐系统性能表实验项目单位指标抗弯强度Mpa≥40抗压强度Mpa≥60耐磨性(750g/500r)G≤对混凝土的粘接力----混凝土破坏铅笔硬度H≥2干燥时间表干h≤4实干d≤2耐机油、柴油 60 天----无变化耐 60%硫酸 20 天----无明显变化耐 20%氢氧化钠 30 天----无变化耐甲苯、酒精 60 天----无明显变化五、涂装要点※建议在 5℃以上进行施工,气温及地面温度过低会严重影响环氧涂料的固化,导致漆膜硬度、强度、防腐等性能下降,并增加了漆膜受灰尘污染的可能性;※施工过程中空气相对湿度应小于 80%,湿度过高会使漆膜表面发白、失光,甚至发生漆膜发粘、不固化的严重现象;※地面温度应高于露点温度 3℃以上,否则地面易结露,影响施工;※使用各种材料前应将乙组分充分搅拌后,再按比例将甲、乙组分倒入搅拌桶搅拌均匀,熟化后再倒入石英砂或粉料,均匀搅拌后使用。二布三涂环氧防腐报价单材料及工艺用量(㎏/㎡)单价(元/㎏)总价(元/㎡)清理.打磨-------- 环氧底涂防腐中涂防腐面涂二层玻璃纤维布--------人工及耗材-------- 合计--------墙面环氧材料及工艺用量(㎏/㎡)单价(元/㎏)总价(元/㎡)清...

1、当您付费下载文档后,您只拥有了使用权限,并不意味着购买了版权,文档只能用于自身使用,不得用于其他商业用途(如 [转卖]进行直接盈利或[编辑后售卖]进行间接盈利)。
2、本站所有内容均由合作方或网友上传,本站不对文档的完整性、权威性及其观点立场正确性做任何保证或承诺!文档内容仅供研究参考,付费前请自行鉴别。
3、如文档内容存在违规,或者侵犯商业秘密、侵犯著作权等,请点击“违规举报”。

碎片内容

二布三涂环氧防腐地坪施工方案

确认删除?
VIP
微信客服
  • 扫码咨询
会员Q群
  • 会员专属群点击这里加入QQ群
客服邮箱
回到顶部