电脑桌面
添加小米粒文库到电脑桌面
安装后可以在桌面快捷访问

锚索施工技术交底大全

锚索施工技术交底大全_第1页
1/8
锚索施工技术交底大全_第2页
2/8
锚索施工技术交底大全_第3页
3/8
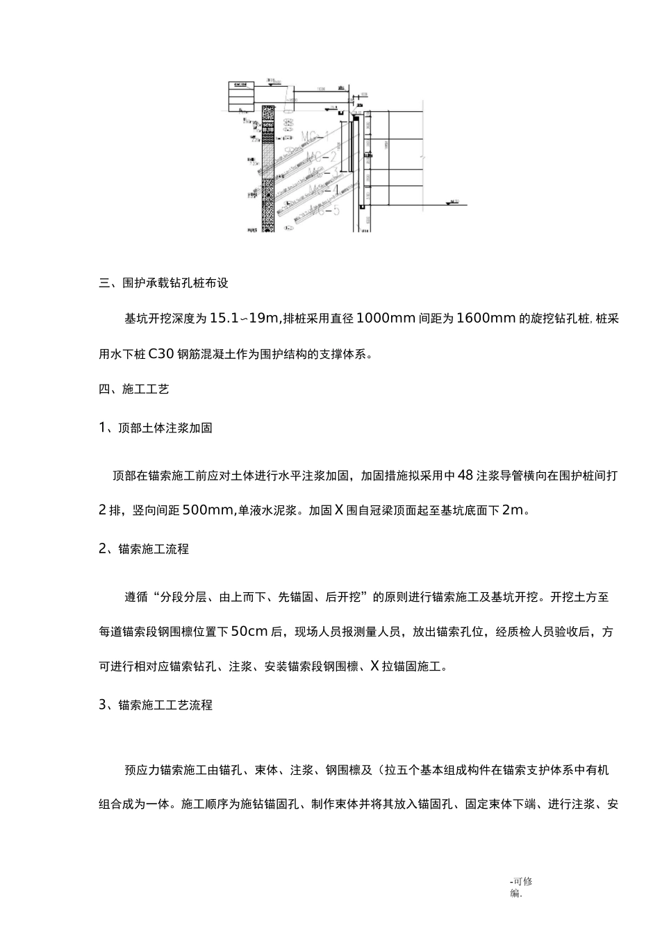
-可修编.锚索施工技术及安全交底一、预应力锚索构造锚杆采用 f=1860 的预应力钢绞线,锚索由锚固段、自由段和紧固头三部分 ptk构成,紧固头由钢围檩、钢垫板和锚具组成。锚索长度包括锚固段、自由段、X拉段三部分(见图 1)。锚固段长度主要考虑地质条件等因素对锚固力的影响而确定在,理论计算和经验类比的基础上,确定锚固段长度及自由段长度。锚固段直径均为」5m,水平倾角均为 20°/15°,钢绞线为 4x7 中 S15.2、6x7 中 S15.2 两种规格,砂浆均为 M30 型号。锚索自由段是拉力集中型锚索的满负荷段,通过抗滑力分析确定锚固路径最有效的布置方向为沿水平方向下倾 20°,锚孔直径为中 200mm。锚索采用高强度低松弛预应力 7 中 s 钢丝组成的直径为 15.2mm 钢绞线,各排锚索竖向间距为 4m,每道锚索设置在桩间,采用一桩一锚的布置形式,强度为 1860MPa。二、预应力锚索布设及设计参数-可修编.按高程设置四道锚索,共计 166 根锚索。四道锚索形式:在同一纵断面间距为2.5-4.3m,横向间距为 1.6m,纵断面共设置 4-5 道,每道锚索设计参数如下表所示。其中 MG-1 到 MG-5 锚索设计参数视现场实际报设计单位确认后确定。详见 8—8 段:序号锚杆长自由段长锚固段长锚固段直径水平倾角钢筋/钢绞线砂浆拉力设计值拉力锁定值MG-123.013.010.00.3020.0/15.04x7 中 S15.2M20400300MG-224.011.013.00.3020.0/15.06x7 中 S15.2M20670500MG-322.09.013.00.3020.0/15.06x7 中 S15.2M20815500MG-418.57.011.50.3020.0/15.06x7 中 S15.2M20803500MG-515.57.58.00.3020.0/15.04x7 中 S15.2M20550400备注表中所注长度值以“m”计,角度以“°”计,力以“KN”计。具体详见下图所示。-可修编.三、围护承载钻孔桩布设基坑开挖深度为 15.1〜19m,排桩采用直径 1000mm 间距为 1600mm 的旋挖钻孔桩,桩采用水下桩 C30 钢筋混凝土作为围护结构的支撑体系。四、施工工艺1、顶部土体注浆加固顶部在锚索施工前应对土体进行水平注浆加固,加固措施拟采用中 48 注浆导管横向在围护桩间打2 排,竖向间距 500mm,单液水泥浆。加固 X 围自冠梁顶面起至基坑底面下 2m。2、锚索施工流程遵循“分段分层、由上而下、先锚固、后开挖”的原则进行锚索施工及基坑开挖。开挖土方至每道锚索段钢围檩位置下 50cm 后,现场人员报测量人员,放出锚索孔位,经质检人员验收后,方可进行相对应锚索钻孔、注浆、安装锚索段钢围檩、X 拉锚固施工...

1、当您付费下载文档后,您只拥有了使用权限,并不意味着购买了版权,文档只能用于自身使用,不得用于其他商业用途(如 [转卖]进行直接盈利或[编辑后售卖]进行间接盈利)。
2、本站所有内容均由合作方或网友上传,本站不对文档的完整性、权威性及其观点立场正确性做任何保证或承诺!文档内容仅供研究参考,付费前请自行鉴别。
3、如文档内容存在违规,或者侵犯商业秘密、侵犯著作权等,请点击“违规举报”。

碎片内容

锚索施工技术交底大全

您可能关注的文档

确认删除?
VIP
微信客服
  • 扫码咨询
会员Q群
  • 会员专属群点击这里加入QQ群
客服邮箱
回到顶部