电脑桌面
添加小米粒文库到电脑桌面
安装后可以在桌面快捷访问

催化剂危险特性表

催化剂危险特性表_第1页
1/53
催化剂危险特性表_第2页
2/53
催化剂危险特性表_第3页
3/53
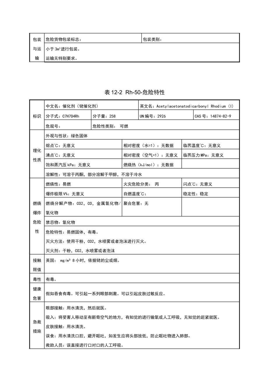
催化剂危险特性表表 12-1 活性碳-危险特性标识中文名:活性碳英文名:activated carbon分子式:C分子量:12UN 编号:1362CAS 号:7440-44-0危规号:危险性类别: 理化性质外观与性状:黑色固体熔点℃:无意义相对密度(水=1):-临界温度℃:无意义沸点℃:无意义相对密度(空气=1):无意义临界压力 MPa:无意义饱和蒸汽压 kPa:无意义燃烧热(kJ/mol):溶解性:可能部分在水或有机溶剂中溶解燃烧爆炸危险性燃烧性:可燃火灾危险分类:丙 闪点℃:爆炸极限 V%:自燃温度℃: 稳定性:稳定燃烧分解产物:一氧化碳、二氧化碳聚合危害:无禁忌物:强氧化剂如臭氧,液体氧化剂,氯和高锰酸危险特性:湿活性炭可以去除空气中的氧气,对于装有活性炭容器,以及封闭或限制的空间中的检修工有相当的危险。在进入该类空间之前,应进行针对低含氧量区域的采样及相应程序工作。与空气中传播的颗粒接触会对眼部产生刺激并影响呼吸系统。灭火方法: 常规灭火方法,采纳水喷淋,CO2,泡沫或者干粉灭火。灭火剂:水喷淋,CO2,泡沫或者干粉接触限值无毒性LD50:>100mg/kg(小鼠) LC50:>l(小鼠)健康危害该产品的物性可能造成眼部的刺激。急救措施皮肤接触:用肥皂及水清洗;眼部接触:用大量清水冲洗最少 15 分钟。防护呼吸系统防护:现场通风排风装置,或者在大量颗粒形成时建议使用许可的颗粒过滤器。手防护:建议使用防护手套。眼睛防护:建议使用安全眼镜或者护目镜。身体防护:长袖工作服。 其他防护:保证洗眼器可以使用。在休息和结束搬运时洗手。污染的衣服在使用前应清洗。泄漏处理认真彻底清洁并且使用铲子在容器内进行处理。溢出地清除。假如出现泄露,根据当地和该国的规章进行报告。包装与运输危险货物包装标志:包装类别:小于 3m3进行包装。运输无特别要求。表 12-2 Rh-50-危险特性标识中文名:催化剂(铑催化剂)英文名:Acetylacetonatodicarbonyl Rhodium (I)分子式:C7H7O4Rh分子量:258UN 编号:2926CAS 号:14874-82-9危规号:危险性类别: 可燃理化性质外观与性状:绿色固体 熔点℃:无意义相对密度(水=1):无数据临界温度℃:无意义沸点℃:无意义相对密度(空气=1):无意义临界压力 MPa:无意义饱和蒸汽压 kPa:无意义燃烧热(kJ/mol):无数据溶解性:可溶于丙酮,部分溶解于甲醇,不溶于冷水燃烧爆炸危险性燃烧性:易燃火灾危险分类: 丙闪点℃:无意义爆炸极限 V%:无意义自燃温度℃:稳定性:...

1、当您付费下载文档后,您只拥有了使用权限,并不意味着购买了版权,文档只能用于自身使用,不得用于其他商业用途(如 [转卖]进行直接盈利或[编辑后售卖]进行间接盈利)。
2、本站所有内容均由合作方或网友上传,本站不对文档的完整性、权威性及其观点立场正确性做任何保证或承诺!文档内容仅供研究参考,付费前请自行鉴别。
3、如文档内容存在违规,或者侵犯商业秘密、侵犯著作权等,请点击“违规举报”。

碎片内容

催化剂危险特性表

您可能关注的文档

确认删除?
VIP
微信客服
  • 扫码咨询
会员Q群
  • 会员专属群点击这里加入QQ群
客服邮箱
回到顶部