电脑桌面
添加小米粒文库到电脑桌面
安装后可以在桌面快捷访问

四川省公路工程试验检测收费标准

四川省公路工程试验检测收费标准_第1页
1/48
四川省公路工程试验检测收费标准_第2页
2/48
四川省公路工程试验检测收费标准_第3页
3/48
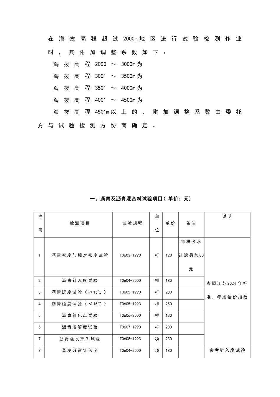
目 录总 则..............................................................................................................................- 1 -一、沥青及沥青混合料试验项目( 单价:元)................................................................- 2 -二、集料试验项目..............................................................................................................- 6 -三、水质分析试验项目.....................................................................................................- 9 -四、岩石试验项目.........................................................................................................- 10 -五、水泥及粉煤灰试验项目.........................................................................................- 11 -六、水泥混凝土试验项目.............................................................................................- 12 -七、钢材试验项目.........................................................................................................- 15 -八、钢结构无损检测.....................................................................................................- 18 -九、无机结合料稳定土试验.........................................................................................- 19 -十、土工试验项目.........................................................................................................- 20 -十一、交通安全设施试验项目....................................................................................- 22 -十二、通信管道试验项目.............................................................................................- 26 -十三、其它材料试验项目.............................................................................................- 27 -十四、路基、路面构造物检测....................................................................................- 29 -十五、桥涵检测............................................................................................................

1、当您付费下载文档后,您只拥有了使用权限,并不意味着购买了版权,文档只能用于自身使用,不得用于其他商业用途(如 [转卖]进行直接盈利或[编辑后售卖]进行间接盈利)。
2、本站所有内容均由合作方或网友上传,本站不对文档的完整性、权威性及其观点立场正确性做任何保证或承诺!文档内容仅供研究参考,付费前请自行鉴别。
3、如文档内容存在违规,或者侵犯商业秘密、侵犯著作权等,请点击“违规举报”。

碎片内容

四川省公路工程试验检测收费标准

您可能关注的文档

确认删除?
VIP
微信客服
  • 扫码咨询
会员Q群
  • 会员专属群点击这里加入QQ群
客服邮箱
回到顶部