电脑桌面
添加小米粒文库到电脑桌面
安装后可以在桌面快捷访问

外墙螺杆洞封堵技术交底

外墙螺杆洞封堵技术交底_第1页
1/2
外墙螺杆洞封堵技术交底_第2页
2/2
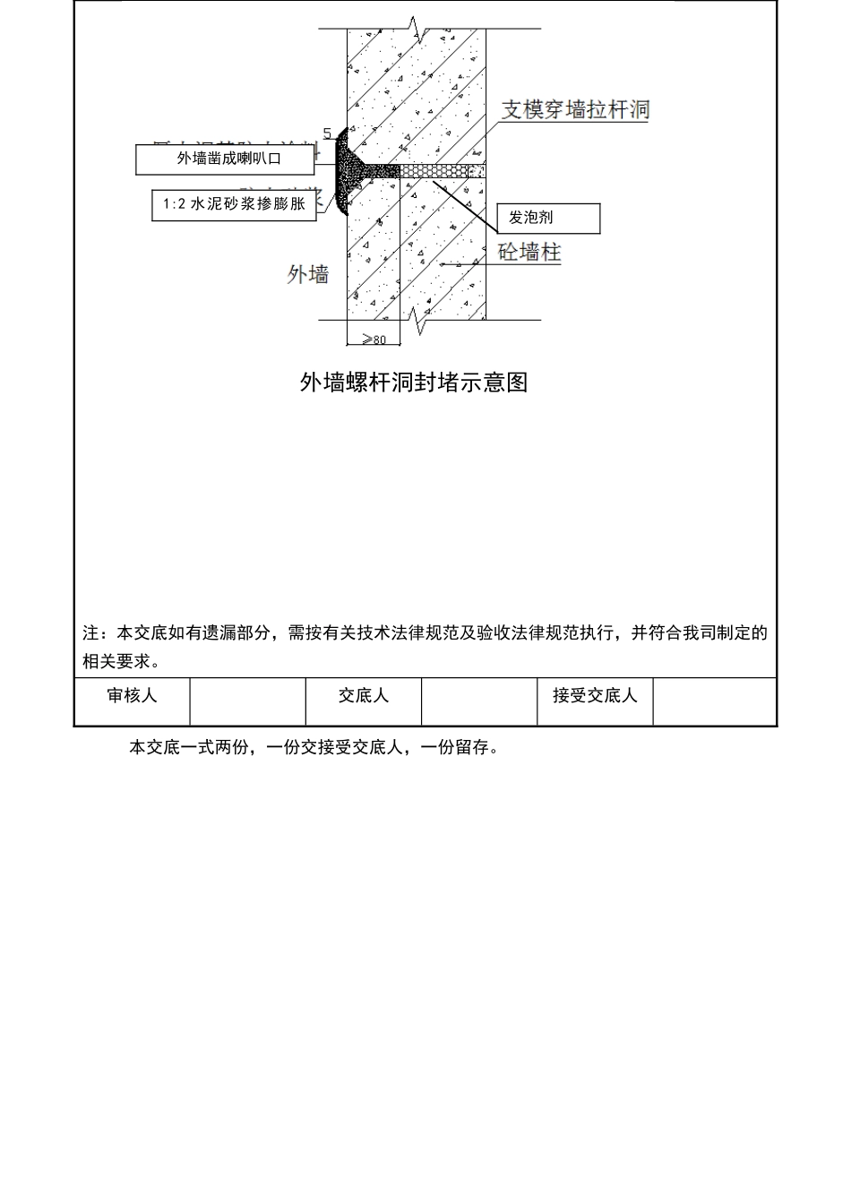
技术交底记录编 号日 期2024 年 3 月 10 日项目名称宿迁千百美商务广场工程施工单位江苏中南建筑产业集团有限责任公司分部(分项)工程混凝土内、外墙螺杆洞填堵本分部(分项)工程特点严格根据公司规章施工交底提要混凝土内、外墙螺杆洞填堵施工技术交底交底内容:一、 施工工艺1、外墙外墙螺杆洞→凿除螺杆洞套管→螺杆洞四周凿喇叭口→螺杆洞冲洗→发泡剂填孔→水泥砂浆封堵→外侧涂刷防水涂料→验收2、内墙内墙螺杆洞→凿除螺杆洞套管→螺杆洞四周凿喇叭口→螺杆洞冲洗→发泡剂填孔→水泥砂浆封堵→验收二、操作工艺凿除螺杆洞内塑料套管,并将孔内清理洁净。将外墙螺杆孔四周凿成深度约 2cm 的喇叭口。用水冲洗湿润后以 1:2 水泥砂浆(掺 10%膨胀剂)填充孔内,再沿外侧将喇叭口处封堵严密。用发泡剂封堵孔内,外墙侧留出 50mm 左右的孔洞用膨胀水泥堵实。填充砂浆时需两人配合,分别从两侧同时填充,确保封堵严密。外墙侧螺杆孔位防水涂料或防水卷材需按防水工程施工标准及要求施工。对于地下室外墙,只需将露出墙面的螺杆割除,凿除墙内嵌固的小木方,用水冲洗湿润后以 1:2 水泥砂浆(掺 10%膨胀剂)封堵,做法同上。三、质量要求凿除螺杆洞内塑料套管,并将孔内清理洁净。将外墙螺杆孔四周凿成深度约 20mm 的喇叭口。填充砂浆时需两人配合,分别从两侧同时填充,确保封堵严密。本交底一式两份,一份交接受交底人,一份留存。 外墙螺杆洞封堵示意图注:本交底如有遗漏部分,需按有关技术法律规范及验收法律规范执行,并符合我司制定的相关要求。审核人交底人接受交底人 外墙凿成喇叭口发泡剂1:2 水泥砂浆掺膨胀剂

1、当您付费下载文档后,您只拥有了使用权限,并不意味着购买了版权,文档只能用于自身使用,不得用于其他商业用途(如 [转卖]进行直接盈利或[编辑后售卖]进行间接盈利)。
2、本站所有内容均由合作方或网友上传,本站不对文档的完整性、权威性及其观点立场正确性做任何保证或承诺!文档内容仅供研究参考,付费前请自行鉴别。
3、如文档内容存在违规,或者侵犯商业秘密、侵犯著作权等,请点击“违规举报”。

碎片内容

外墙螺杆洞封堵技术交底

您可能关注的文档

确认删除?
VIP
微信客服
  • 扫码咨询
会员Q群
  • 会员专属群点击这里加入QQ群
客服邮箱
回到顶部