电脑桌面
添加小米粒文库到电脑桌面
安装后可以在桌面快捷访问

带式输送机检查表

带式输送机检查表_第1页
1/3
带式输送机检查表_第2页
2/3
带式输送机检查表_第3页
3/3
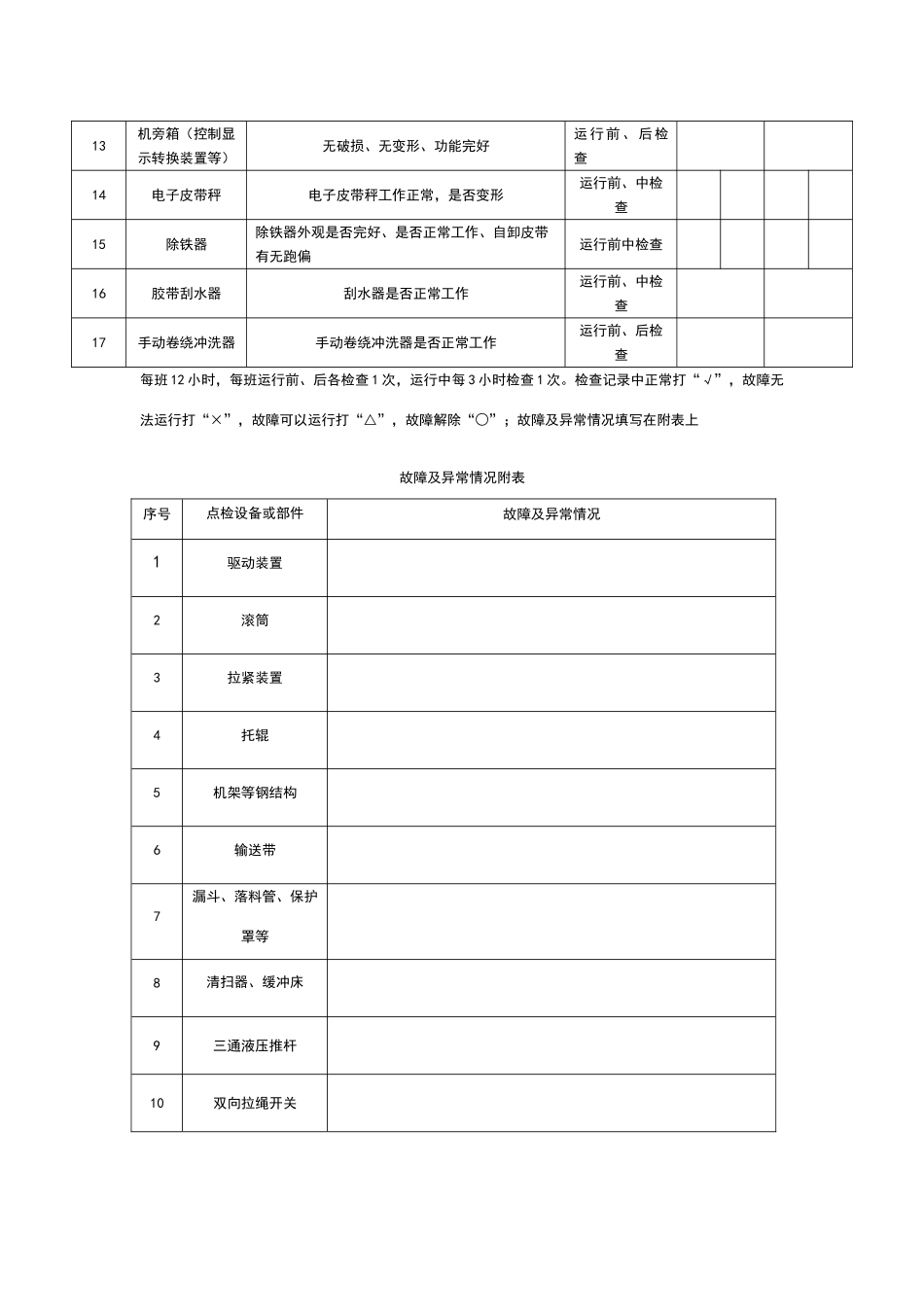
年 月 日 班组长: 皮带巡视员: 带式输送机及其辅助配套系统点检表序号点检设备或部件点检内容检查方法检查记录1驱动装置电动机是否有异响、异常温升、异常震动运行中检查减速器运转平稳,箱体无异常震动、无异常温升运行中检查减速器油位正常,油质良好,无渗漏运行中检查联轴器无变形,无抖动,无异响运行中检查制动器正常工作运行中检查2滚 筒滚筒无异常、无脱胶、轴承座无明显温升、无异响运行前、后检查3拉紧装置液压自动拉紧装置的车轮有无脱轨、卡滞、损坏运行中检查液压系统外观完好、是否正常工作、推杆有无漏油运行前、后检查液压自动拉紧装置无变形,无损坏运行前、后检查垂直重锤拉紧装置箱体有无变形、晃动,皮带有无跑偏,配重架与导向架有无变形 运行中检查4托辊托辊运转正常、无异响、卡滞运行前、中检查5机架等钢结构无变形、开裂运行中、后检查6输送带无跑偏,撕裂,接头无脱胶运行中检查7漏斗、落料管、保护罩等耐磨衬板有无严重磨损运行中检查漏斗、落料管等有无磨穿、漏煤、裂纹运行中检查8清扫器、缓冲床头部清扫器清扫效果良好、无抖动、无变形、脱落运行中、后检查空段清扫器清扫效果良好、有无抖动运行中、后检查缓冲床有无严重磨损运行中、后检查9三通液压推杆液压推杆、限位是否正常工作运行前、后检查10双向拉绳、跑偏开关是否正常工作运行前、后检查11除尘、喷淋系统系统完好除尘效果良好,运转部分无卡阻、漏水、异响、破损运行前、中检查12导料槽导料槽外观、功能是否完好,防尘橡胶是否脱落运行前、后检查13机旁箱(控制显示转换装置等)无破损、无变形、功能完好运 行 前 、 后 检查14电子皮带秤电子皮带秤工作正常,是否变形运行前、中检查15除铁器除铁器外观是否完好、是否正常工作、自卸皮带有无跑偏运行前中检查16胶带刮水器刮水器是否正常工作运行前、中检查17手动卷绕冲洗器手动卷绕冲洗器是否正常工作运行前、后检查每班 12 小时,每班运行前、后各检查 1 次,运行中每 3 小时检查 1 次。检查记录中正常打“√”,故障无法运行打“×”,故障可以运行打“△”,故障解除“○”;故障及异常情况填写在附表上故障及异常情况附表序号点检设备或部件故障及异常情况1驱动装置2滚筒3拉紧装置4托辊5机架等钢结构6输送带7漏斗、落料管、保护罩等8清扫器、缓冲床9三通液压推杆10双向拉绳开关11除尘、喷淋系统12导料槽13机旁箱(控制显示转换装置等)14电子皮带秤15除铁器16胶带刮水器17手动卷绕冲洗器

1、当您付费下载文档后,您只拥有了使用权限,并不意味着购买了版权,文档只能用于自身使用,不得用于其他商业用途(如 [转卖]进行直接盈利或[编辑后售卖]进行间接盈利)。
2、本站所有内容均由合作方或网友上传,本站不对文档的完整性、权威性及其观点立场正确性做任何保证或承诺!文档内容仅供研究参考,付费前请自行鉴别。
3、如文档内容存在违规,或者侵犯商业秘密、侵犯著作权等,请点击“违规举报”。

碎片内容

带式输送机检查表

您可能关注的文档

确认删除?
VIP
微信客服
  • 扫码咨询
会员Q群
  • 会员专属群点击这里加入QQ群
客服邮箱
回到顶部