电脑桌面
添加小米粒文库到电脑桌面
安装后可以在桌面快捷访问

外墙外保温及楼梯间内保温技术交底

外墙外保温及楼梯间内保温技术交底_第1页
1/18
外墙外保温及楼梯间内保温技术交底_第2页
2/18
外墙外保温及楼梯间内保温技术交底_第3页
3/18
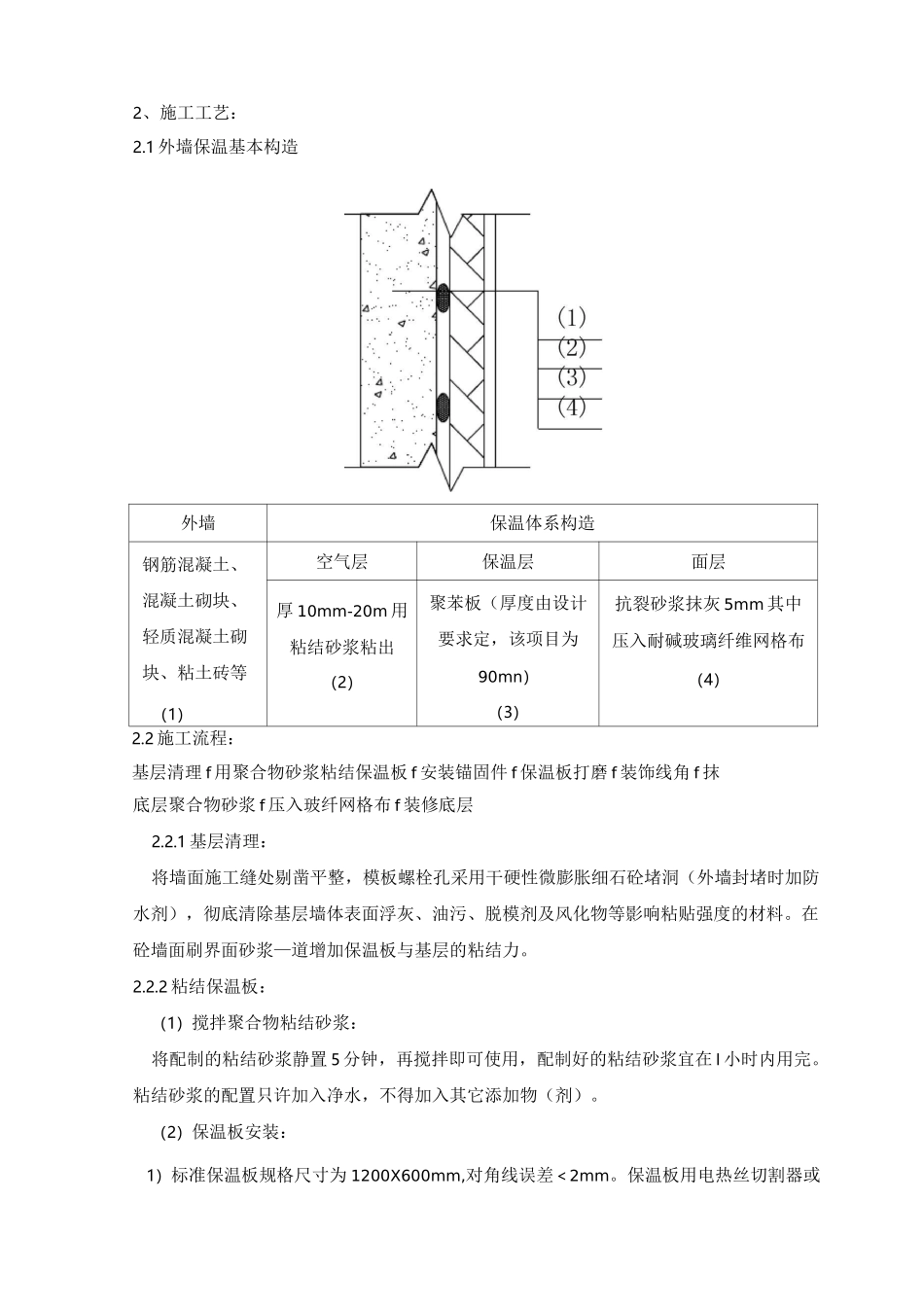
外墙外保温内容:一、施工准备1.1 材料、规格、工具及使用部位1.1.1 材料聚苯板、胀栓、粘结砂浆、抗裂砂浆、耐碱网布等说明:1•外墙立面大面积外墙保温部位为 90mm 厚聚苯板,挑台上下平面及侧立面、女儿墙上平面及内外侧为 30mm 厚聚苯板.2•聚苯板规格:600X1200X30mm、600X1200X90mm。3.聚苯板等材料必须有产品合格证明文件及检测部门出具的合格复试报告。1.1.2 工具扫帚、钢丝刷、灰槽、铁锨、托板、壁纸刀、剪刀、齿距、2m 托线板、筛子、抹子、橡皮锤等。1.2 作业条件1.2.1 结构工程验收完毕,楼板面已弹出 100cm 粘贴控制线。1.2.2外墙门窗口安装完毕。1.2.3水暖及装饰工程分别需用的管卡、挂勾和窗帘杆卡子等埋件,宜留出位置或埋设完毕。电气工程的暗管线、接线盒等必须埋设完毕,并应完成暗管线的穿带线工作。1.2.4 操作地点环境温度不低于 5°C。1.3 技术准备1.3.1 施工前组织工人进行安全技术交底。1.3.2 施工前应认真熟悉图纸,熟悉施工做法,掌握施工工艺,做到心里有数。2、施工工艺:2.1 外墙保温基本构造外墙保温体系构造钢筋混凝土、混凝土砌块、轻质混凝土砌块、粘土砖等(1)空气层保温层面层厚 10mm-20m 用粘结砂浆粘出(2)聚苯板(厚度由设计要求定,该项目为90mn)(3)抗裂砂浆抹灰 5mm 其中压入耐碱玻璃纤维网格布(4)2.2 施工流程:基层清理 f 用聚合物砂浆粘结保温板 f 安装锚固件 f 保温板打磨 f 装饰线角 f 抹底层聚合物砂浆 f 压入玻纤网格布 f 装修底层2.2.1 基层清理:将墙面施工缝处剔凿平整,模板螺栓孔采用干硬性微膨胀细石砼堵洞(外墙封堵时加防水剂),彻底清除基层墙体表面浮灰、油污、脱模剂及风化物等影响粘贴强度的材料。在砼墙面刷界面砂浆—道增加保温板与基层的粘结力。2.2.2 粘结保温板:(1)搅拌聚合物粘结砂浆:将配制的粘结砂浆静置 5 分钟,再搅拌即可使用,配制好的粘结砂浆宜在 l 小时内用完。粘结砂浆的配置只许加入净水,不得加入其它添加物(剂)。(2)保温板安装:1)标准保温板规格尺寸为 1200X600mm,对角线误差<2mm。保温板用电热丝切割器或工具刀切割,尺寸允许误差为±5mm。2)为增加保温板与基层的粘结力,将保温板一面加工成凹槽,槽宽 10mm,深 10mm。3)玻纤网翻包:门窗洞口、变形缝两侧等处的保温板收口处预粘玻纤网,总宽度〉230mm,翻包部分宽度为 80mm,具体做法如下:玻纤网裁剪宽度为 180mm+保温板板厚。首先在翻...

1、当您付费下载文档后,您只拥有了使用权限,并不意味着购买了版权,文档只能用于自身使用,不得用于其他商业用途(如 [转卖]进行直接盈利或[编辑后售卖]进行间接盈利)。
2、本站所有内容均由合作方或网友上传,本站不对文档的完整性、权威性及其观点立场正确性做任何保证或承诺!文档内容仅供研究参考,付费前请自行鉴别。
3、如文档内容存在违规,或者侵犯商业秘密、侵犯著作权等,请点击“违规举报”。

碎片内容

外墙外保温及楼梯间内保温技术交底

您可能关注的文档

确认删除?
VIP
微信客服
  • 扫码咨询
会员Q群
  • 会员专属群点击这里加入QQ群
客服邮箱
回到顶部