电脑桌面
添加小米粒文库到电脑桌面
安装后可以在桌面快捷访问

定向钻穿越工程施工方案

定向钻穿越工程施工方案_第1页
1/15
定向钻穿越工程施工方案_第2页
2/15
定向钻穿越工程施工方案_第3页
3/15
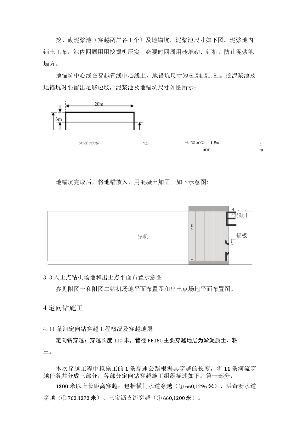
定向钻穿越工程施工方案1 穿越施工工艺流程定向钻穿越施工程序如下图所示2 测量放线根据设计交底(桩)与施工图纸放出钻机场地控制线及设备摆放位置线,确保钻机中心线与入土点、出土点成一条直线。3 进场道路及场地的平整3.1 入土点钻机作业、出土点场地及进场便道本次大保高速公路天然气管道定向钻穿越中共投入 1 台钻机,各钻机施工场地要求各异。3.2 地锚坑及排浆池14地锚坑深:1.8m4m挖、砌泥浆池(穿越两岸各 1 个)及地锚坑,泥浆池尺寸如下图。泥浆池内铺土工布,池内四周用用挖掘机压实,必要时四周用砖堆砌、钉桩,防止泥浆池塌方。地锚坑中心线在穿越管线中心线上,地锚坑尺寸为 6mX4mX1.8m。挖泥浆池及地锚坑时要留出足够边坡,泥浆池及地锚坑尺寸如图所示:6rm地锚坑完成后,将地锚放入,用混凝土加固。如下示意图:1 地锚钻机E=.=rEJr/混凝十描板厂*3.3 入土点钻机场地和出土点平面布置示意图参见附图一和附图二钻机场地平面布置图和出土点场地平面布置图。4 定向钻施工4.11 条河定向钻穿越工程概况及穿越地层定向钻穿越:穿越长度 110 米,管径 PE160,主要穿越地层为淤泥质土、粘土。本次穿越工程中拟施工的 1 条高速公路根据其穿越的长度,将 11 条河流穿越任务共分成三部分,各部分定向钻穿越施工组织描述如下:第一部分:1200 米以上长距离穿越:包括横门水道穿越(① 660,1296 米)、洪奇沥水道穿越(① 762,1272 米)、三宝沥支流穿越(① 660,1200 米)。泥浆池深:1)钻机及配套设备就位:将钻机就位主管穿越中心线位置上,钻机就位完成后,进行系统连接、试运转,保证设备正常工作。2)测量控向参数:按操作规程标定控向参数,为保证数据准确,在管中心线的不同位置测取,且每个位置至少测四次,进行对比,并做好记录。3)泥浆配制及重复利用:泥浆是定向穿越中的关键因素,穿越主要经过地层为泥岩,按泥浆工艺要求及地质资料编写泥浆方案,并根据实际需要配制出符合要求的泥浆,措施如下:a)水源就近取用河水,用水泵输送至水罐内,在水罐中沉淀、过滤,并对水质进行化验,达到使用要求后配浆。b)按照指定的配比用一级膨润土加泥浆添加剂,配制性能满足要求的泥浆。c)回流泥浆的处理:钻机场地和管线场地各有一个返浆收集池,各有一套回收系统。泥浆通过泥浆池收集,再经过回收系统处理后再利用。d)剩余泥浆的处理:与环卫部门协商,施工剩余泥浆拉运到当地垃圾填埋场。3)钻机试钻开钻前做好...

1、当您付费下载文档后,您只拥有了使用权限,并不意味着购买了版权,文档只能用于自身使用,不得用于其他商业用途(如 [转卖]进行直接盈利或[编辑后售卖]进行间接盈利)。
2、本站所有内容均由合作方或网友上传,本站不对文档的完整性、权威性及其观点立场正确性做任何保证或承诺!文档内容仅供研究参考,付费前请自行鉴别。
3、如文档内容存在违规,或者侵犯商业秘密、侵犯著作权等,请点击“违规举报”。

碎片内容

定向钻穿越工程施工方案

您可能关注的文档

确认删除?
VIP
微信客服
  • 扫码咨询
会员Q群
  • 会员专属群点击这里加入QQ群
客服邮箱
回到顶部