电脑桌面
添加小米粒文库到电脑桌面
安装后可以在桌面快捷访问

建筑工程生产安全事故应急救援预案

建筑工程生产安全事故应急救援预案_第1页
1/33
建筑工程生产安全事故应急救援预案_第2页
2/33
建筑工程生产安全事故应急救援预案_第3页
3/33
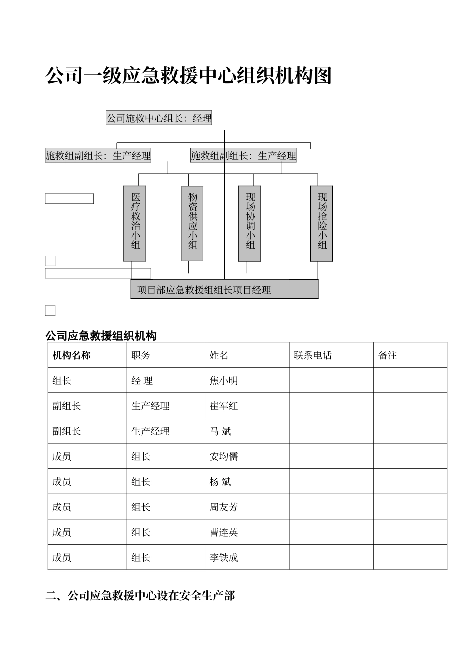
公司一级应急救援中心组织机构图 公司施救中心组长:经理施救组副组长:生产经理 施救组副组长:生产经理 公司应急救援组织机构机构名称职务姓名联系电话备注组长经 理焦小明副组长生产经理崔军红副组长生产经理马 斌成员组长安均儒成员组长杨 斌成员组长周友芳成员组长曹连英成员组长李铁成二、公司应急救援中心设在安全生产部现场抢险小组现场协调小组医疗救治小组项目部应急救援组组长项目经理物资供应小组联系电话为:8124179联系人:杨 斌() 甘肃第七建设集团股份有限公司三公司生产安全事故应急救援预案根据《安全生产法》、《国务院关于特大安全事故行政责任追究的规定》(302号令)、《建筑工程安全生产管理条例》等有关法律法规规定、为在生产安全事故发生后,及时有效地实施应急救援,最大限度地减少人员伤亡和经济损失,结合我公司安全生产的实际情况,制定本预案。应急救援工作原则生产安全事故的应急救援工作遵循自救为主、统一指挥、分工负责、 单位自救和社会救援相结合原则。任何部门和个人都应有义务参加或者配合生产安全事故的应急救援工作。事故发生单位(公司、项目部、专业队)承担施救费用。适用范围本应急救援预案适用于本公司所承接工程项目施工现场,容易产生的伤亡、损害行为、高处坠落、物体打击、坍塌及倒塌、触电、电击、机械损害、有害气体中毒或食物中毒、火灾、传染病、环境污染等事故后,所实行的应急处理方案。公司应急救援中心(一)公司施救组1、组成人员组 长:经理—— 焦小明 副组长:生产经理——崔军红 生产经理——马 斌 公司总工程师——赵 钰成员:综合办公室——安均儒安全生产部——杨 斌 技术质量部——周友芳材供部——李铁成财务部——曹连英2、主要职责(1)统一协调各项目部应急救援工作;(2)负责施救工作的统一领导和组织实施、指挥现场施救队伍;(3)适时批准启动救援预案和终止紧急状态;(4)统一调配救援设备、人员、物资、器材;(5)具体制定并组织实施防止建筑事故扩大的施救安全防范措施;(6)迅速组织预测、分析和掌握生产安全事故性质;(7)负责迅速组建、调集现场抢救及医疗救治小组;(8)负责统一组织指挥现场抢险救灾、伤员救治及转送行动;(9)组织落实上级部门上报交办的其它工作。3、公司施救中心内设现场协调小组、现场抢险小组、医疗救治小组、物资供应小组。(二)现场协调小组1、组成人员组长:综合办公室——安均儒成员:安全生产部——温小汇...

1、当您付费下载文档后,您只拥有了使用权限,并不意味着购买了版权,文档只能用于自身使用,不得用于其他商业用途(如 [转卖]进行直接盈利或[编辑后售卖]进行间接盈利)。
2、本站所有内容均由合作方或网友上传,本站不对文档的完整性、权威性及其观点立场正确性做任何保证或承诺!文档内容仅供研究参考,付费前请自行鉴别。
3、如文档内容存在违规,或者侵犯商业秘密、侵犯著作权等,请点击“违规举报”。

碎片内容

建筑工程生产安全事故应急救援预案

元素商铺+ 关注
实名认证
内容提供者

欢迎挑选合适的文档

确认删除?
VIP
微信客服
  • 扫码咨询
会员Q群
  • 会员专属群点击这里加入QQ群
客服邮箱
回到顶部