电脑桌面
添加小米粒文库到电脑桌面
安装后可以在桌面快捷访问

电机与电气控制实训指导.

电机与电气控制实训指导._第1页
1/16
电机与电气控制实训指导._第2页
2/16
电机与电气控制实训指导._第3页
3/16
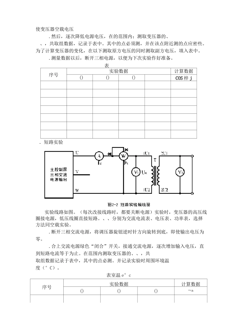
变压器选用三相组式变压器中的一只或单独的组式变压器。实时,变压器低压线接电源,高压线开路。实训一单相变压器一、实训目的通过空载和短路实验测定变压器的变比和参数。二、预习要点变压器的空载和短路实验有什么特点?实验中电源电压一般加在哪一方较合适?在空载和短路实验中,各种仪表应怎样联接才能使测量误差最小?三、实训项目空载实验测取空载特性,。短路实验测取短路特性,。四、实训设备及仪器系列电机教学实验台主控制屏(含交流电压表、交流电流表).功率及功率因数表(或含在主控制屏内).三相组式变压器()或单相变压器(在主控制屏的右下方).波形测试及开关板()五、实训方法主控制屏三相交流电源输出.空载实验实验线路如图、、分别为交流电流表、交流电压表。具体配置由所采购的设备型号不同由所差别。若设备为 I 系列,则交流电流表、电压表为指针式模拟表,量程可根据需要选择;若设备为 II 系列,则上述仪表为智能型数字仪表,量程可自动也可手动选择。仪表数量也可能由于设备型号不同而不同。若电压表只有一只,则只能交替观察变压器的原、副边电压读数,若电压表有二只或三只,则可同时接上仪表。为功率表,根据采购的设备型号不同,或在主控屏上或为单独组件(或),接线时,需注意电压线圈和电流线圈的同名端,避免接错线。.在三相交流电源断电的条件下,将调压器旋钮逆时针方向旋转到底。并合理选择各仪表量程。变压器额定容量,,.合上交流电源总开关,即按下绿色“闭合”开关,顺时针调节调压器旋钮,^2-1 空载实验接线图使变压器空载电压.然后,逐次降低电源电压,在的范围内;测取变压器的、、,共取组数据,记录于表中。其中的点必须测,并在该点附近测的点应密些。为了计算变压器的变化,在以下测取原方电压的同时测取副方电压,填入表中。.测量数据以后,断开三相电源,以便为下次实验作好准备。表序号实验数据计算数据()()()COS 梓 j.短路实验实验线路如图。(每次改接线路时,都要关断电源)实验时,变压器的高压线圈接电源,低压线圈直接短路。、、分别为交流电流表、电压表、功率表,选择方法同空载实验。.断开三相交流电源,将调压器旋钮逆时针方向旋转到底,即使输出电压为零。.合上交流电源绿色“闭合”开关,接通交流电源,逐次增加输入电压,直到短路电流等于为止。在范围内测取变压器的、、,共取组数据记录于表中,其中的点必测。并记录实验时周围环境温度(°C)。表室温 e°c序号实验数...

1、当您付费下载文档后,您只拥有了使用权限,并不意味着购买了版权,文档只能用于自身使用,不得用于其他商业用途(如 [转卖]进行直接盈利或[编辑后售卖]进行间接盈利)。
2、本站所有内容均由合作方或网友上传,本站不对文档的完整性、权威性及其观点立场正确性做任何保证或承诺!文档内容仅供研究参考,付费前请自行鉴别。
3、如文档内容存在违规,或者侵犯商业秘密、侵犯著作权等,请点击“违规举报”。

碎片内容

电机与电气控制实训指导.

您可能关注的文档

确认删除?
VIP
微信客服
  • 扫码咨询
会员Q群
  • 会员专属群点击这里加入QQ群
客服邮箱
回到顶部