电脑桌面
添加小米粒文库到电脑桌面
安装后可以在桌面快捷访问

混凝土施工方案

混凝土施工方案_第1页
1/33
混凝土施工方案_第2页
2/33
混凝土施工方案_第3页
3/33
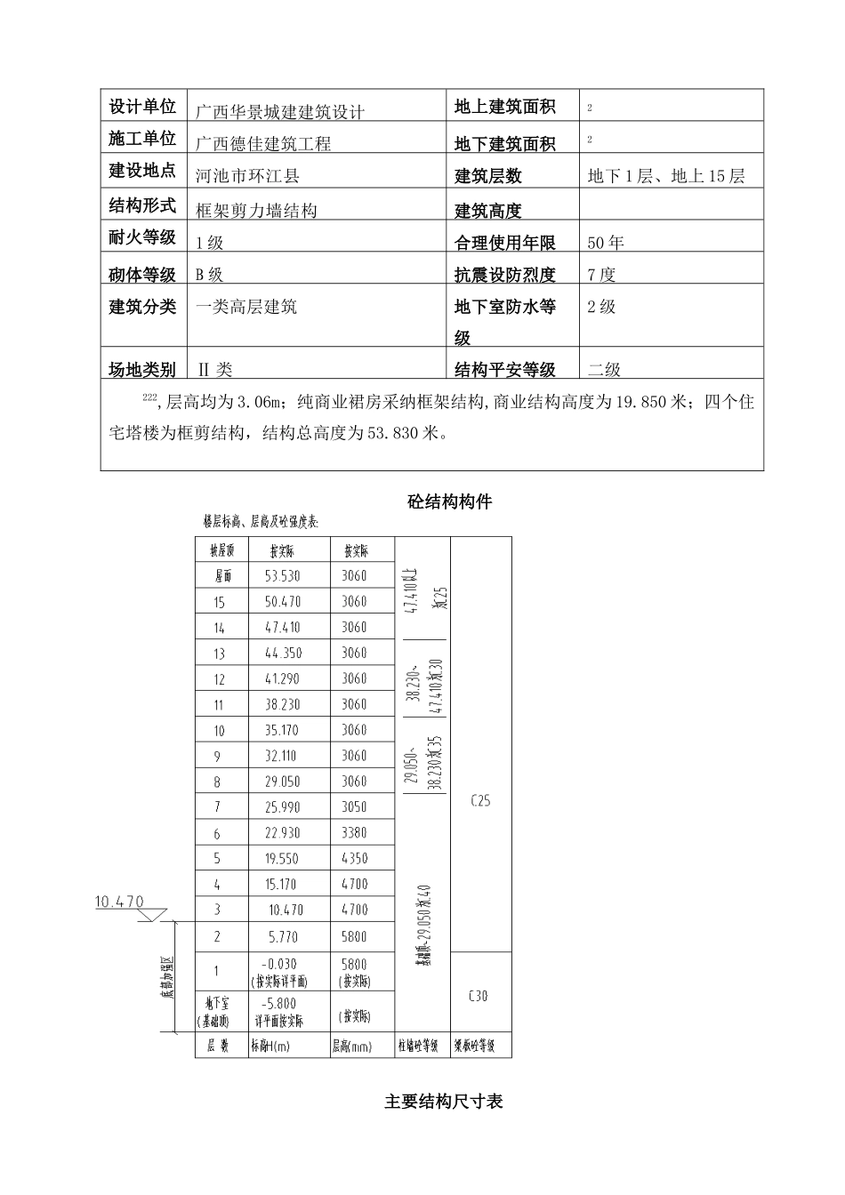
环江城市综合体工程混凝土工程专项施工方案编制单位: 兴华建设集团股份编制人: 审核人: 批准人:批准实施日期: 年 月 日目 录一、工程概况............................................................................................................2二、编制依据............................................................................................................3三、施工部署............................................................................................................3四、施工准备............................................................................................................5五、施工方法..........................................................................................................12六、大体积混凝土施工方法...................................................................................23七、质量标准及质量保证措施..............................................................................26八、成品保护措施..................................................................................................29九、材料节约措施..................................................................................................30十、平安措施及环境保护措施..............................................................................30一、工程概况1.1 工程综合说明工程名称环江城市综合体工程建设单位广西向东旅游文化投资总建筑面积2设计单位广西华景城建建筑设计地上建筑面积2施工单位广西德佳建筑工程地下建筑面积2建设地点河池市环江县建筑层数地下 1 层、地上 15 层结构形式框架剪力墙结构建筑高度耐火等级1 级合理使用年限50 年砌体等级B 级抗震设防烈度7 度建筑分类一类高层建筑地下室防水等级2 级场地类别Ⅱ 类结构平安等级二级222,层高均为 3.06m;纯商业裙房采纳框架结构,商业结构高度为 19.850 米;四个住宅塔楼为框剪结构,结构总高度为 53.830 米。砼结构构件主要结构尺寸表名称尺寸根底 承台厚度:底板厚 300mm、250mm地下室剪力墙300mm、400mm顶板160mm、180mm、200mm柱600*600mm、700*700mm800*800mm700*800mm、梁 300x700mm、300*1200mm、450*1000mm、450*1800m...

1、当您付费下载文档后,您只拥有了使用权限,并不意味着购买了版权,文档只能用于自身使用,不得用于其他商业用途(如 [转卖]进行直接盈利或[编辑后售卖]进行间接盈利)。
2、本站所有内容均由合作方或网友上传,本站不对文档的完整性、权威性及其观点立场正确性做任何保证或承诺!文档内容仅供研究参考,付费前请自行鉴别。
3、如文档内容存在违规,或者侵犯商业秘密、侵犯著作权等,请点击“违规举报”。

碎片内容

混凝土施工方案

确认删除?
VIP
微信客服
  • 扫码咨询
会员Q群
  • 会员专属群点击这里加入QQ群
客服邮箱
回到顶部