电脑桌面
添加小米粒文库到电脑桌面
安装后可以在桌面快捷访问

焊接工艺评定指导书

焊接工艺评定指导书_第1页
1/8
焊接工艺评定指导书_第2页
2/8
焊接工艺评定指导书_第3页
3/8
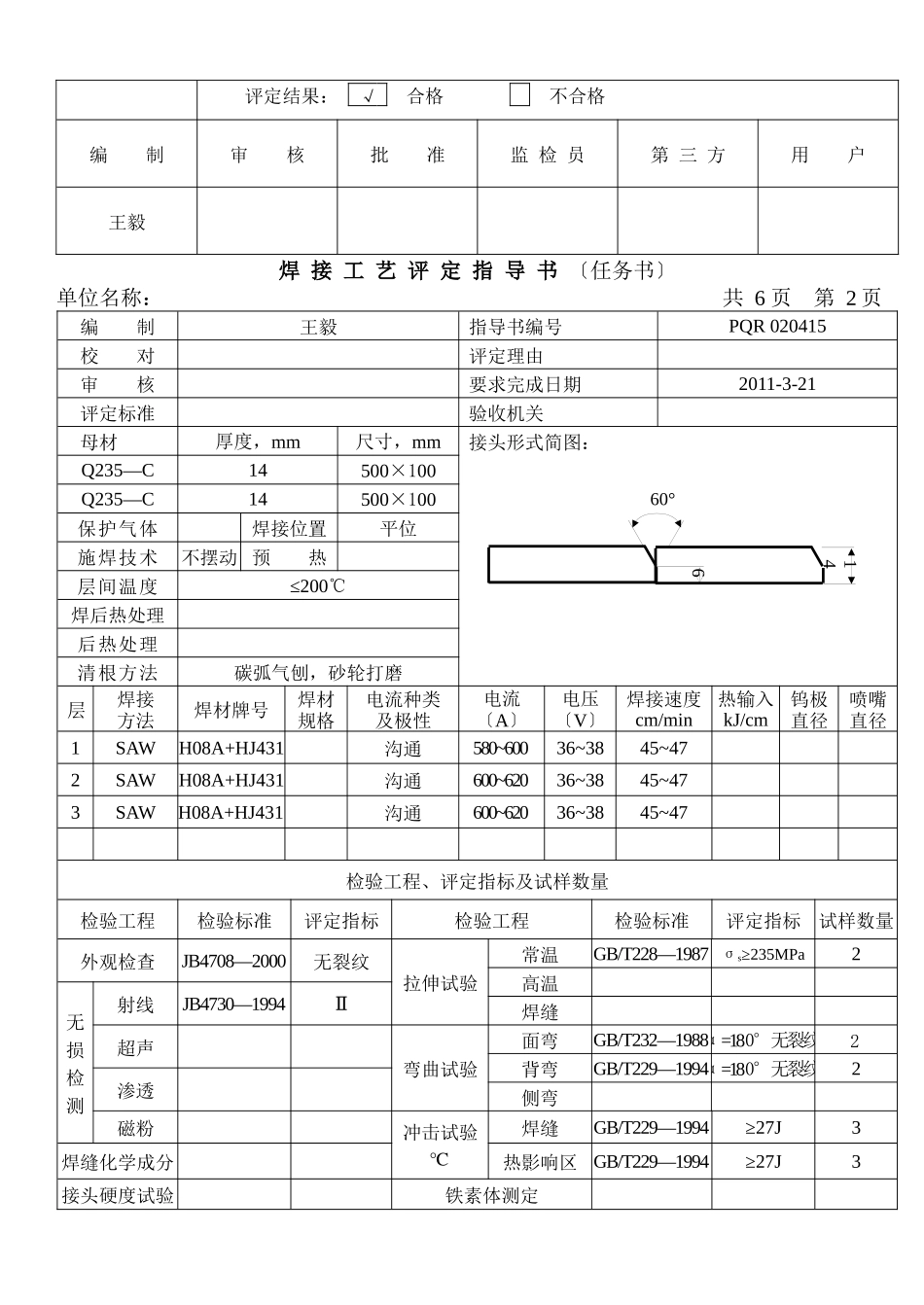
焊接工艺评定报告材料成型及控制工程专业(焊接方向)课程设计学生姓名 专业班级 所在院系 材料科学与工程学院 指导老师 完成日期 2024 年 3 月 21 日单位名称: 共 6 页 第 1 页焊 接 工 艺 评 定 报 告焊评编号〔PQR No.〕PQR 020415焊接方法SAW母 材钢 号Q235C类别、组别号—1Ⅰ焊接材料H08A+HJ431厚 度14mm直 径适用厚度范围母 材焊 缝 金 属5mm~28mm不限~28mm评定标准JB4708—2000目 次 页次1.焊接工艺评定指导书〔任务书〕……………………………………………………………〔 2 〕2.焊评施焊记录表 ……………………………………………………………………………〔 3 〕3.外观和无损检测记录表 ……………………………………………………………………〔 4 〕4.力学性能检验记录表 ………………………………………………………………………〔 5 〕5.硬度、金相、角焊缝、焊缝化学成分检验记录表…………………………………………〔 6 〕结 论本评定按 JB4708-2000 标准规定,焊接试件 ,检验试样,测定性能,确认试验记录正确。14 60°6评定结果: √ 合格 不合格编 制审 核批 准监 检 员第 三 方用 户王毅焊 接 工 艺 评 定 指 导 书 〔任务书〕单位名称: 共 6 页 第 2 页编 制王毅指导书编号PQR 020415校 对评定理由审 核要求完成日期2011-3-21评定标准验收机关母 材厚度,mm尺寸,mm接头形式简图:Q235—C14500×100Q235—C14500×100保护气体焊接位置平位施焊技术不摆动 预 热层间温度≤200℃焊后热处理后热处理清根方法碳弧气刨,砂轮打磨层焊接方法焊材牌号焊材规格电流种类及极性电流〔A〕电压〔V〕焊接速度cm/min热输入kJ/cm钨极直径喷嘴直径1SAWH08A+HJ431沟通580~60036~3845~472SAWH08A+HJ431沟通600~62036~3845~473SAWH08A+HJ431沟通600~62036~3845~47检验工程、评定指标及试样数量检验工程检验标准评定指标检验工程检验标准评定指标试样数量外观检查JB4708—2000无裂纹拉伸试验常温GB/T228—1987 σs≥235MPa2高温无损检测射线JB4730—1994Ⅱ焊缝超声弯曲试验面弯GB/T232—1988α=180°无裂纹2背弯GB/T229—1994α=180°无裂纹2渗透侧弯磁粉冲击试验℃焊缝GB/T229—1994≥27J3焊缝化学成分热影响区GB/T229—1994≥27J3接头硬度试验铁素体测定213金相微观休伊试验宏观腐蚀试验耐 蚀 堆 焊 金 属 化 学 成 份〔%〕CSiMnSPCrN...

1、当您付费下载文档后,您只拥有了使用权限,并不意味着购买了版权,文档只能用于自身使用,不得用于其他商业用途(如 [转卖]进行直接盈利或[编辑后售卖]进行间接盈利)。
2、本站所有内容均由合作方或网友上传,本站不对文档的完整性、权威性及其观点立场正确性做任何保证或承诺!文档内容仅供研究参考,付费前请自行鉴别。
3、如文档内容存在违规,或者侵犯商业秘密、侵犯著作权等,请点击“违规举报”。

碎片内容

焊接工艺评定指导书

您可能关注的文档

确认删除?
VIP
微信客服
  • 扫码咨询
会员Q群
  • 会员专属群点击这里加入QQ群
客服邮箱
回到顶部