电脑桌面
添加小米粒文库到电脑桌面
安装后可以在桌面快捷访问

质量管理体系内部审核报告

质量管理体系内部审核报告_第1页
1/6
质量管理体系内部审核报告_第2页
2/6
质量管理体系内部审核报告_第3页
3/6
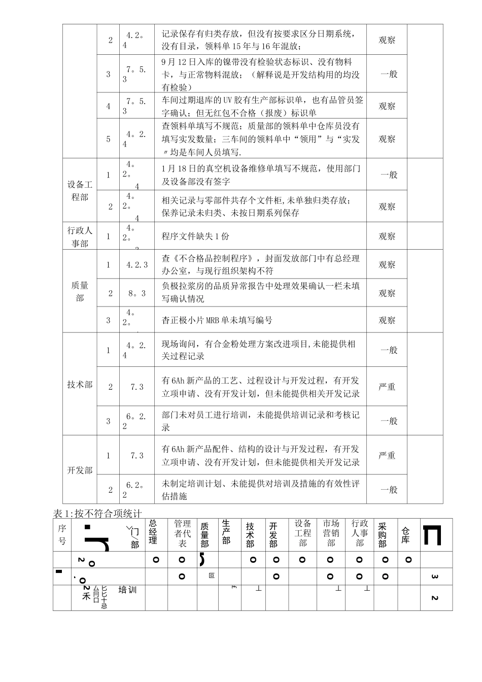
质量管理体系 2016 年内部审核报告一、内部审核的时间:2016 年 10 月 18〜19 日。二、受审核部门:总经理、管理者代表、行政人事部、质量部、市场营销部、技术部、开发部、设备工程部、采购部、生产部、仓库。三、内部审核组成员名单:组长:XX第一组:XXX、XXX、XXX、XXX第二组:XXX、XXX、XXX、XXX第三组:XXX、XXX、XXX、XXX四、内部审核目的1•检查和评价公司的质量管理体系是否符合策划的要求,是否符合 ISO9001:2008 标准的要求和适用法律法规的要求,验证对体系实施、保持和持续改进的有效性和充分性;2。检查质量方针和质量目标的贯彻落实情况,是否在各部门有效展开并得到实施;3。通过审核进一步验证质量管理体系文件的可操作性;4。检查如何以顾客为关注焦点,顾客满意和与顾客沟通过程,增强满足顾客要求意识。五、审核范围XX 公司 XXX 的生产和服务全过程涉及到的有关的部门和相关岗位六、审核依据1.ISO9001:2008《质量管理体系要求》标准;2。公司所策划和制定的质量手册,程序文件、作业文件、技术规范以及相关规定和准则;3。公司提供产品所适用的法律法规;4。必要时的相关产品销售合同和质量计划。七、审核方式1、与最高管理层人员座谈贯彻实施标准的“领导作用”情况2、听取各职能部门负责人对自己职责权限情况以及本部门职责范围内的体系运行状况;3、根据“质量管理体系内部审核计划”的安排,由审核小组分别到应所审的职能部门对其应实施标准的章节条款。对实施状态收集审核发现,审核应用抽样方法进行;4、对各部门工作现场和生产岗位作业现场的环境适宜性,设备设施管理等状况进行检查。八、内审首、末次会议参加人员参加人员有包括总经理、管理者代表、各分管副总、各部门的主管/负责人及审核组成员。九、内部审核综述根据公司 2016 年年度内审计划,经总经理和管理者代表批准成立了以杨厚胤为组长的 13人内审小组。公司内审组依据 ISO9OO1:2008 标准和《管理体系内部审核程序》规定要求,于 2016 年 10 月 18~19 日对生产的镍氢电池和锂离子电池的设计开发、生产和销售、检验和售后服务过程以及所涉及的部门和高层管理者进行质量管理体系内部审核,抽查了公司办公及生产场所。在公司领导及相关部门的大力支持配合下,内部审核得以顺利进行,本次内审的气氛融洽,未发生影响审核的情况。审核组通过查阅记录和现场观察以及面谈,认为各部门责任人对其质量职能清楚,执行较好;在镍氢电池和锂离子电...

1、当您付费下载文档后,您只拥有了使用权限,并不意味着购买了版权,文档只能用于自身使用,不得用于其他商业用途(如 [转卖]进行直接盈利或[编辑后售卖]进行间接盈利)。
2、本站所有内容均由合作方或网友上传,本站不对文档的完整性、权威性及其观点立场正确性做任何保证或承诺!文档内容仅供研究参考,付费前请自行鉴别。
3、如文档内容存在违规,或者侵犯商业秘密、侵犯著作权等,请点击“违规举报”。

碎片内容

质量管理体系内部审核报告

您可能关注的文档

wxg+ 关注
实名认证
内容提供者

该用户很懒,什么也没介绍

确认删除?
VIP
微信客服
  • 扫码咨询
会员Q群
  • 会员专属群点击这里加入QQ群
客服邮箱
回到顶部