电脑桌面
添加小米粒文库到电脑桌面
安装后可以在桌面快捷访问

物料管理教程

物料管理教程_第1页
1/82
物料管理教程_第2页
2/82
物料管理教程_第3页
3/82
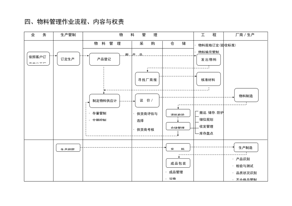
第一章 物料管理概述一、物料管理与生产体系的关系‧ 需求量计算‧ 采购‧ 交货期管理‧ 入库验收‧ 仓储管理‧ 产能计划‧ 内、外制区分‧ 日程计划‧ 插卡箱‧ 进度管理‧ 生产实绩统计‧ 作业标准设定‧ 作业指导‧ 标准改订‧ 品质标准设定‧ 检验标准设定‧ 检验与测试‧ 不良低减‧ 外包指导‧ 预防保养‧ 定期检查‧ 自主保全‧ 标准工时设定‧ 实绩工时把握‧ 差异分析‧ 工时低减‧ 标准成本设定‧ 实绩成本把握‧ 差异分析‧ 设定稼动标准‧ 把握稼动实绩‧ 差异分析人材 料设 备工 程 管 理 ││────→ 物 料 管 理 ────→ 设 备 管 理 ──→劳务管理(工数管理)生产管理品 质 管 理 ││成本管 理 │二、物料管理之意义物料管理系指计划、协调并配合各有关部门,以经济合理之方法供应各单位所需物料之管理办法,所谓经济合理之方法系指于适当之时间(Right time)、在适当的地点(Right place)、以适当之价格(Right price)及适当的品质(Right quality)供应适当数量(Right quantity)之物料。三、物料管理的目的1. 物料规格标准化,减少物料种类,有效管理物料规格的新增与变更。2. 适时供应生产所需之物料,避开停工待料。3. 适当管制采购价格,降低物料成本。4. 确保来料品质良好,并适当的管制供货商。5. 有效率的收发物料,提高工作人员之效率,避开呆料、废料之产生。6. 掌握物料适当的存量,减少资金的积压。7. 可考核物料管理之绩效。8. 仓储空间充分的利用。 (参阅备注 1)※凡备注项目仅供老师参考用四、物料管理作业流程、内容与权责业 务生产管制物 料 管 理工 程厂商/生产仓 储采 购物 料 管 理依照客户订单发出工厂订定生产计 划产品登记分 析发出物料用量清单新 产 品核准材料样 品寻找厂商报价、送样品议 价/订 购物料制造生 产‧ 物料规格订定(验收标准)‧ 物料编号管制制定物料供应计划 ( 时 间 / 数进料检验仓储管理‧ 存量管制‧ 交期控制‧ 供货商评估与选择‧ 供货商考核‧ 执行采购及异搬运.储存.防护储位规划收发管理库存盘点呆滞料管理生产排程发 料成品包装入 库生产制造成 品‧ 成品管理‧ 运输‧ 产品识别‧ 检验与测试‧ 品质状况识别‧ 不合格品管制第二章 物料工程管理一、物料规格的订定与管制1. 图面、尺寸及公差设定2. 材质、物性、化性之要求3. 其它规格之制定4. 物料...

1、当您付费下载文档后,您只拥有了使用权限,并不意味着购买了版权,文档只能用于自身使用,不得用于其他商业用途(如 [转卖]进行直接盈利或[编辑后售卖]进行间接盈利)。
2、本站所有内容均由合作方或网友上传,本站不对文档的完整性、权威性及其观点立场正确性做任何保证或承诺!文档内容仅供研究参考,付费前请自行鉴别。
3、如文档内容存在违规,或者侵犯商业秘密、侵犯著作权等,请点击“违规举报”。

碎片内容

物料管理教程

您可能关注的文档

确认删除?
VIP
微信客服
  • 扫码咨询
会员Q群
  • 会员专属群点击这里加入QQ群
客服邮箱
回到顶部