电脑桌面
添加小米粒文库到电脑桌面
安装后可以在桌面快捷访问

电力排管表格

电力排管表格_第1页
1/13
电力排管表格_第2页
2/13
电力排管表格_第3页
3/13
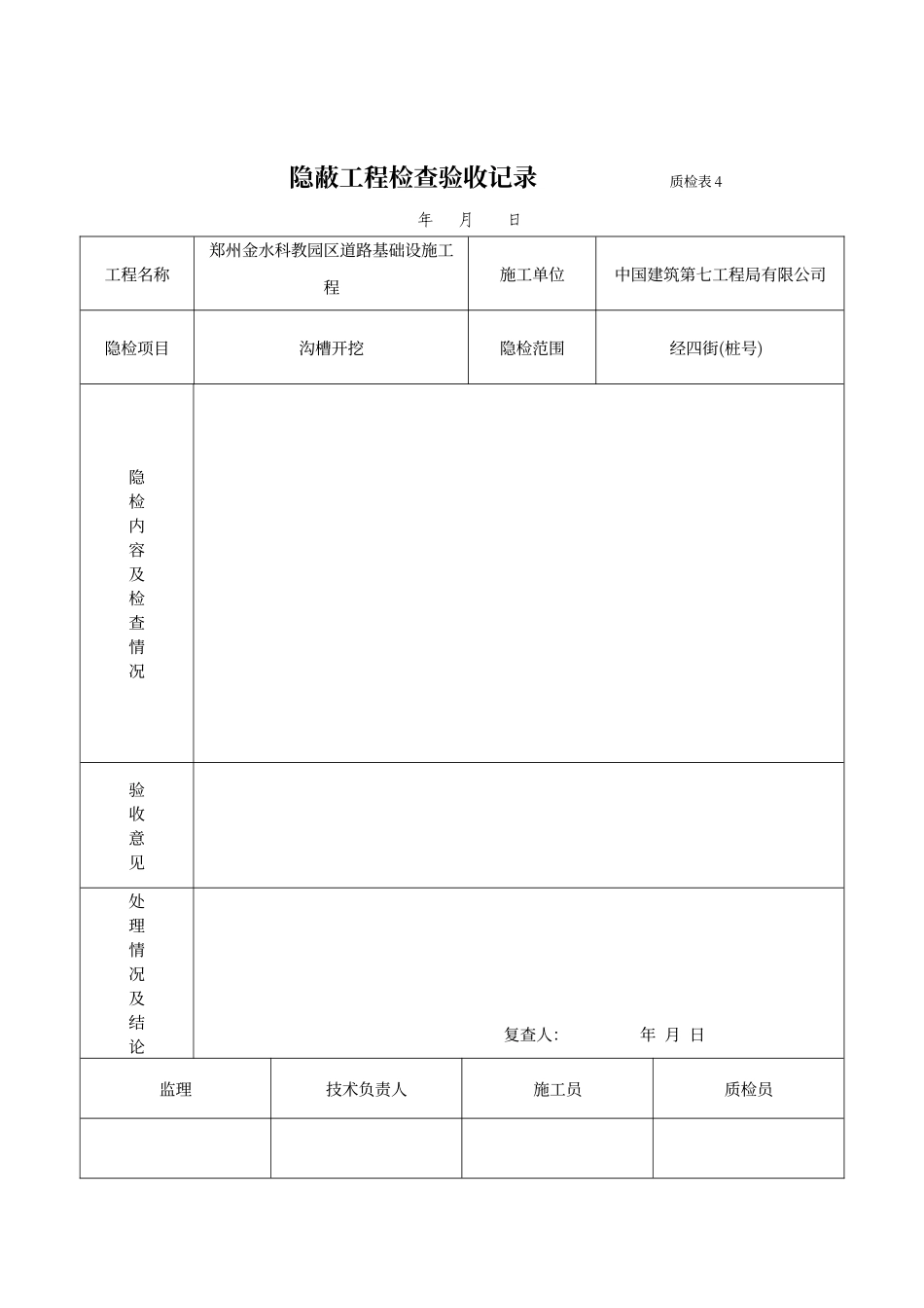
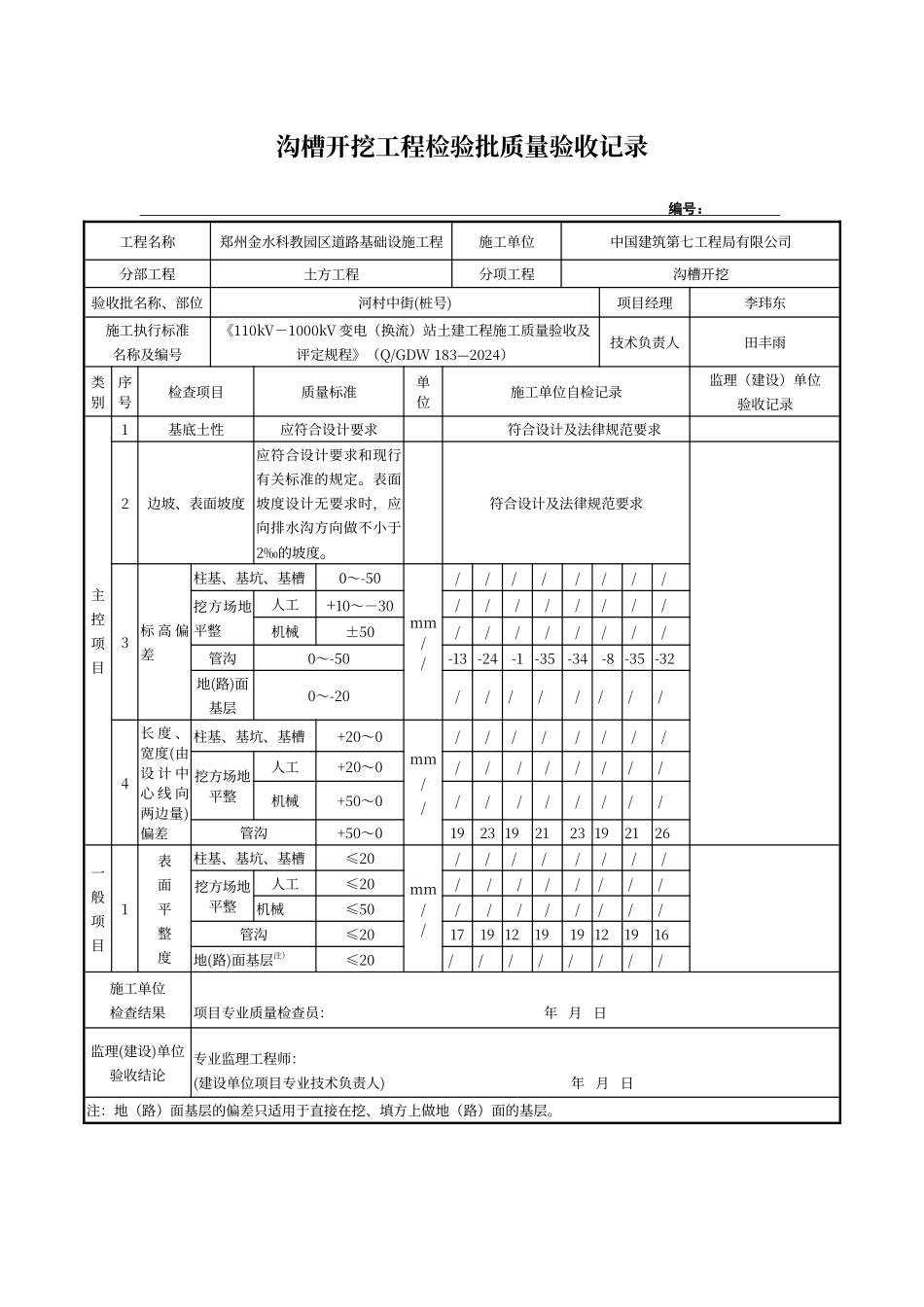
沟槽开挖 报验申请表工程名称:郑州金水科教园区道路基础设施工程 致: 郑州中兴工程监理有限公司 (项目监理机构)我方已完成 河村中街 ( 桩号 ) 电力排管沟槽及电缆井土方开挖 的工作,现报上该工程报验申请表,请予以审查和验收。 附件: 1、沟槽开挖工程检验批质量验收记录2、施工实验室证明资料 承包单位(章 ): 项 目 经 理: 日 期: 年 月 日 审查意见: 项目监理机构: 总/专业监理工程师: 日 期: 年 月 日 沟槽开挖工程检验批质量验收记录 编号: 工程名称郑州金水科教园区道路基础设施工程 施工单位中国建筑第七工程局有限公司分部工程土方工程分项工程沟槽开挖验收批名称、部位河村中街(桩号)项目经理李玮东施工执行标准名称及编号《110kV-1000kV 变电(换流)站土建工程施工质量验收及评定规程》(Q/GDW 183—2024)技术负责人田丰雨类别序号检查项目质量标准单 位施工单位自检记录监理(建设)单位验收记录主控项目1基底土性应符合设计要求符合设计及法律规范要求2边坡、表面坡度应符合设计要求和现行有关标准的规定。表面坡度设计无要求时,应向排水沟方向做不小于2‰的坡度。符合设计及法律规范要求3标 高 偏差柱基、基坑、基槽0~-50mm//////////挖方场地平整人工+10~-30////////机械±50////////管沟0~-50-13 -24-1-35-34-8 -35 -32地(路)面基层0~-20// / // / / /4长 度 、宽度(由设 计 中心 线 向两边量) 偏差柱基、基坑、基槽+20~0mm//////////挖方场地平整人工+20~0// //// / /机械+50~0// //// / /管沟+50~01923 192123 192126一般项目1表面平整度柱基、基坑、基槽≤20mm//////////挖方场地平整人工≤20/ / /// / / /机械≤50/ / /// / / /管沟≤201719 121919 121916地(路)面基层注)≤20 / / / / / / / /施工单位检查结果 项目专业质量检查员: 年 月 日监理(建设)单位验收结论专业监理工程师:(建设单位项目专业技术负责人) 年 月 日注:地(路)面基层的偏差只适用于直接在挖、填方上做地(路)面的基层。 隐蔽工程检查验收记录 质检表 4 年 月 日工程名称郑州金水科教园区道路基础设施工程 施工单位中国建筑第七工程局有限公司 隐检项目沟槽开挖隐检范围经四街(桩号)隐检 内容及检查情况验收意见 处理情况及结论 复查人: 年 月 日监理技术负责人施工员质检员排管基础垫层 报验申请表工程名称...

1、当您付费下载文档后,您只拥有了使用权限,并不意味着购买了版权,文档只能用于自身使用,不得用于其他商业用途(如 [转卖]进行直接盈利或[编辑后售卖]进行间接盈利)。
2、本站所有内容均由合作方或网友上传,本站不对文档的完整性、权威性及其观点立场正确性做任何保证或承诺!文档内容仅供研究参考,付费前请自行鉴别。
3、如文档内容存在违规,或者侵犯商业秘密、侵犯著作权等,请点击“违规举报”。

碎片内容

电力排管表格

不二商店+ 关注
实名认证
内容提供者

我是你的不二选择

相关文档

确认删除?
VIP
微信客服
  • 扫码咨询
会员Q群
  • 会员专属群点击这里加入QQ群
客服邮箱
回到顶部