电脑桌面
添加小米粒文库到电脑桌面
安装后可以在桌面快捷访问

电焊机进场验收表

电焊机进场验收表_第1页
1/1
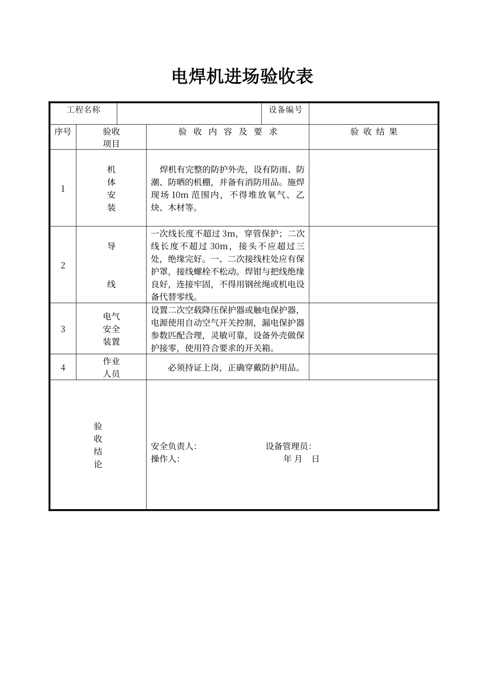
电焊机进场验收表 工程名称设备编号序号验收项目验 收 内 容 及 要 求验 收 结 果1机体安装 焊机有完整的防护外壳,设有防雨、防潮、防晒的机棚,并备有消防用品。施焊现场 10m 范围内,不得堆放氧气、乙炔、木材等。2导线一次线长度不超过 3m,穿管保护;二次线长度不超过 30m,接头不应超过三处,绝缘完好。一、二次接线柱处应有保护罩,接线螺栓不松动。焊钳与把线绝缘良好,连接牢固,不得用钢丝绳或机电设备代替零线。3电气安全装置设置二次空载降压保护器或触电保护器,电源使用自动空气开关控制,漏电保护器参数匹配合理,灵敏可靠,设备外壳做保护接零,使用符合要求的开关箱。4作业人员必须持证上岗,正确穿戴防护用品。验收结论安全负责人: 设备管理员:操作人: 年 月 日

1、当您付费下载文档后,您只拥有了使用权限,并不意味着购买了版权,文档只能用于自身使用,不得用于其他商业用途(如 [转卖]进行直接盈利或[编辑后售卖]进行间接盈利)。
2、本站所有内容均由合作方或网友上传,本站不对文档的完整性、权威性及其观点立场正确性做任何保证或承诺!文档内容仅供研究参考,付费前请自行鉴别。
3、如文档内容存在违规,或者侵犯商业秘密、侵犯著作权等,请点击“违规举报”。

碎片内容

电焊机进场验收表

确认删除?
VIP
微信客服
  • 扫码咨询
会员Q群
  • 会员专属群点击这里加入QQ群
客服邮箱
回到顶部