电脑桌面
添加小米粒文库到电脑桌面
安装后可以在桌面快捷访问

电镀产品通用检测标准

电镀产品通用检测标准_第1页
1/4
电镀产品通用检测标准_第2页
2/4
电镀产品通用检测标准_第3页
3/4
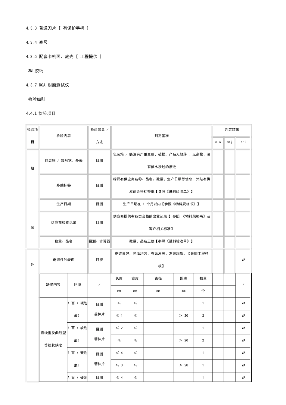
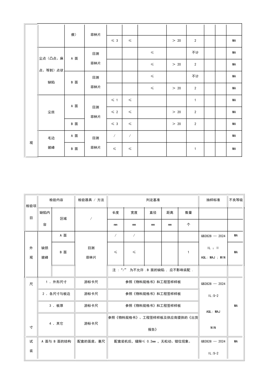
电镀产品通用检测标准1 范围 本标准规定了电镀件的检验内容及检验方法,适用于公司来料、半成品的检查。 2 引用标准 GB/T 2828-2024 中华人民共和国国家标准(适用于产品逐批检查)。 3 定义 3.1 A 面:指电镀件正面 . (在使用过程中能直接看到的表面) B 面:指电镀件四侧边。(需将电镀件偏转 45~90 °才能看到的四周边) 软划痕:没有深度的划痕。(无手感) 硬划痕:硬物摩擦造成的划痕或有深度的划痕。 批锋:由于注塑等原因造成塑胶边缘突起。 麻点:由于电镀环境不洁净而导致有点状或线状物覆盖于产品表面的缺陷。 凸点:由于有灰尘造成电镀表面凸点状缺陷。 沙眼:由于模具压伤后留下的印痕。 4 要求 检验步骤: 包装检验信赖度测试试装检验尺寸检验外观检验 检验条件 4.2.1 光源 : 两支 40W 日光灯照射下距物件 ~ 1.5 米 4.2.2 目视距离 :35 ± 5cm 4.2.3 目视角度:检测面与人眼方向成 45° ~ 90° 4.2.4 目视时间 :5 ~ 10S 4 . 3 检验仪器和工具 4.3.1 游标卡尺 [ 准确度: 0.02mm ] 4.3.2 标准菲林 4.3.3 普通刀片 [ 有保护手柄 ] 4.3.4 塞尺 4.3.5 配套卡机面、底壳 [ 工程提供 ] 3M 胶纸 4.3.7 RCA 耐磨测试仪 检验细则 4.4.1 检验项目 检验项目检验内容检验器具 / 方法判定基准判定结果minmajcri包 装包装箱 / 袋形状、外表目测包装箱 / 袋没有严重变形、破损,产品无散落 , 无杂物、没有被水浸过的痕迹 外贴标签目测标识有供应商名称、品名、数量、生产日期等信息,外贴有供应商合格标签纸【参照《进料验收单》】 生产日期目测生产日期在 1 个月以内【参照《物料规格书》】 供应商检查记录目测供应商提供有各类合格的出货记录【 参照 《物料规格书》及客户相关标准】 数量、品名目测、计算器数量、品名正确【参照《进料验收单》】 外 电镀件的表面目视电镀良好,光泽均匀、有无发黑、发黄现象。【参照工程样板】 MA缺陷内容区域/长度宽度直径距离数量 /mmmmmmmm个 直线型及曲线型等线状缺陷A 面 ( 硬划痕)目测 菲林片≤ ≤ 1 MA≤ 1≤ > 202 MAA 面 ( 软划痕)目测 菲林片≤ 2≤ 1 MA≤ ≤ > 202 MAB 面 ( 硬划痕)目测 菲林片≤ 4≤ 1 MA≤ 3≤ > 201 MAA 面 ( 硬划目测 ≤ 4≤ 1 MA 观痕)菲林片≤ 3≤ > 202 MA尘点(凸点、麻点、等到)点状缺陷A 面目...

1、当您付费下载文档后,您只拥有了使用权限,并不意味着购买了版权,文档只能用于自身使用,不得用于其他商业用途(如 [转卖]进行直接盈利或[编辑后售卖]进行间接盈利)。
2、本站所有内容均由合作方或网友上传,本站不对文档的完整性、权威性及其观点立场正确性做任何保证或承诺!文档内容仅供研究参考,付费前请自行鉴别。
3、如文档内容存在违规,或者侵犯商业秘密、侵犯著作权等,请点击“违规举报”。

碎片内容

电镀产品通用检测标准

您可能关注的文档

确认删除?
VIP
微信客服
  • 扫码咨询
会员Q群
  • 会员专属群点击这里加入QQ群
客服邮箱
回到顶部