电脑桌面
添加小米粒文库到电脑桌面
安装后可以在桌面快捷访问

船体装配工艺规范汇总

船体装配工艺规范汇总_第1页
1/31
船体装配工艺规范汇总_第2页
2/31
船体装配工艺规范汇总_第3页
3/31
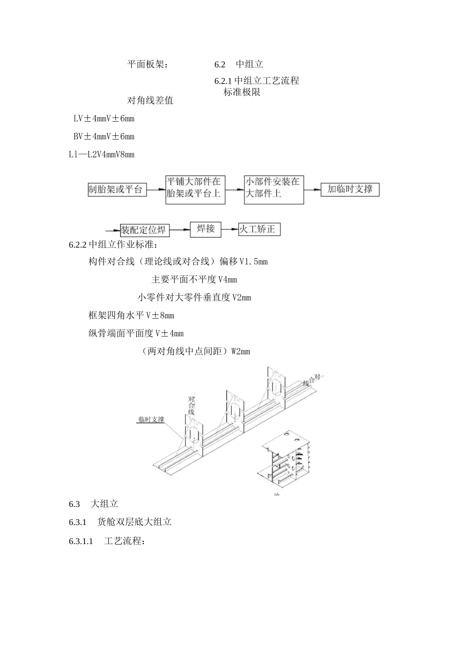
船体装配工艺规范■* % 前言1范围本规范规定了钢质船体建造的施工前准备、人员、工艺要求和工艺流程。本规范适用于散货船、油轮、集装箱船、储油船的船体钢结构的建造,其它船舶可参考执行。2规范性引用文件Q/SWS60-001.2-2003 船舶建造质量标准建造精度3术语和定义下列术语和定义适用于本规范。3.1 零件单个的钢板或型材。如:肋板、纵骨等。3.2 部件两个或两个以上零件装焊成的组合件。如:带扶强材的肋板、带扶强材的平面舱壁。3.3 分段整个船体结构为了制造方便而分解成的若干个平面或立体的块。而这些块又能组成一个完整的船体,这些块就叫分段。3.4 总段将几个相邻分段组成一个较大的块,该较大块称总段。如:上层建筑总段3.5小组立将两个或两个以上零件组成的部件的生产过程。如:拼 T 型材、肋板上装扶强材和开孔加强筋等。3.6中组立将部件和部件加零件组成一个较大组合件的生产过程。如:拼装成油柜等3.7大组立将零件和部件组成分段的生产过程。3.8总组将几个相邻分段组成一个总段的生产过程。整理零小零件对准一大零件构件线或对合线装配定位焊•焊焊后火工矫必要的加强支3.9 搭载在船坞内将分段和总段组成完整一艘船体的生产过程。4施工前准备4.1 图纸资料:施工前有关图纸,零件明细表,焊接工艺和完工测量表等。4.2 材料:施工前查对零件的材质牌号,钢板厚度,型材尺寸等应与图纸相符合。4.3 工具:钢卷尺、线锤、水平橡皮管、油泵、花兰螺丝、铁楔、各种“马”、激光经纬仪、锤、氧乙炔割炬、电焊龙头、电焊面罩、角尺、角度尺。5人员装配工上岗前应进行专业知识和安全知识的培训。并且考试合格。能明了图纸内容和意图,能明了下料切割后零部件上所表达的文字、符号的内容含义。熟悉有关的工艺和技术文件并能按要求施工。6工艺要求6.1小组立6.1.1 小组立工艺流程:6.1.2 小组立作业标准:构件对划线(理论线或对合线偏移)V1.5mm〜2.0mm 平整度 V4mm〜6mm小零件对大零件垂直度 V2mm对合平面板架:对角线差值6.2中组立6.2.1 中组立工艺流程标准极限LV±4mmV±6mmBV±4mmV±6mmLl—L2V4mmV8mm6.2.2 中组立作业标准:构件对合线(理论线或对合线)偏移 V1.5mm主要平面不平度 V4mm小零件对大零件垂直度 V2mm框架四角水平 V±8mm纵骨端面平面度 V±4mm(两对角线中点间距)W2mm6.3大组立6.3.1货舱双层底大组立6.3.1.1工艺流程:油内底FCB板焊拼接板6.3.1.2装配作业标准:分段长:LV±4mm分段宽:BV±4mm分段高...

1、当您付费下载文档后,您只拥有了使用权限,并不意味着购买了版权,文档只能用于自身使用,不得用于其他商业用途(如 [转卖]进行直接盈利或[编辑后售卖]进行间接盈利)。
2、本站所有内容均由合作方或网友上传,本站不对文档的完整性、权威性及其观点立场正确性做任何保证或承诺!文档内容仅供研究参考,付费前请自行鉴别。
3、如文档内容存在违规,或者侵犯商业秘密、侵犯著作权等,请点击“违规举报”。

碎片内容

船体装配工艺规范汇总

确认删除?
VIP
微信客服
  • 扫码咨询
会员Q群
  • 会员专属群点击这里加入QQ群
客服邮箱
回到顶部