电脑桌面
添加小米粒文库到电脑桌面
安装后可以在桌面快捷访问

行栏杆及人行道施工方案

行栏杆及人行道施工方案_第1页
1/17
行栏杆及人行道施工方案_第2页
2/17
行栏杆及人行道施工方案_第3页
3/17
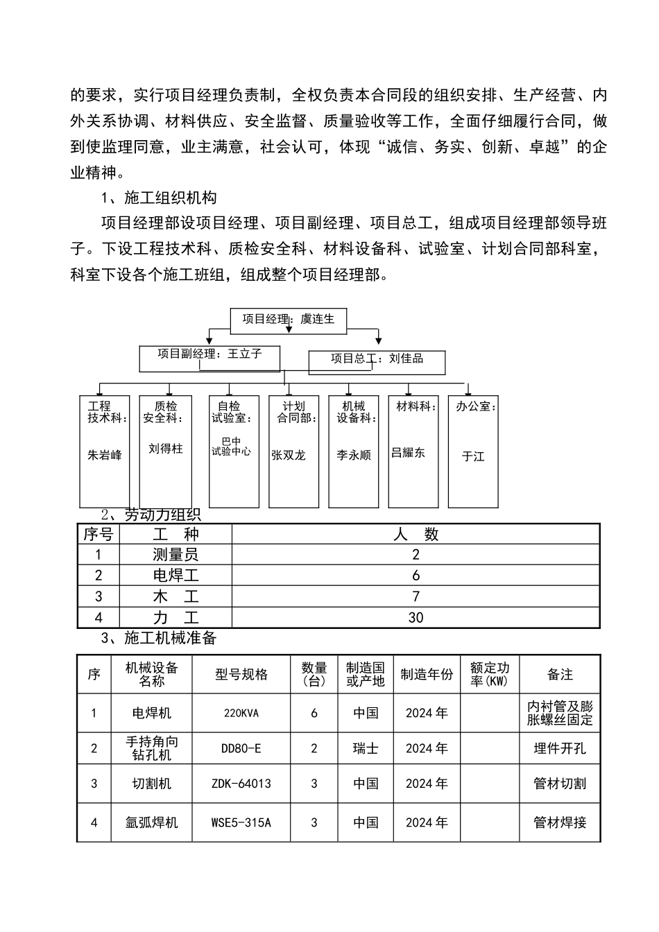
目 录第一章 编制说明 ···········································1第二章 施工组织管理机构及保证措施·························3第三章 主要工程项目的施工方法·····························4第四章 质量标准 ···········································7第五章 保证施工质量的技术控制措施·························9第六章 工程管理、安全文明施工管理措施·····················12第七章 环保措施 ···········································18第一章编制说明一、 工程介绍辽安路二期(花荄至金家林快速通道)项目路线起点接新规划规划涪环路止点(交叉口中心桩号K0+),穿海峰农场后跨泉水沟,经道泉寺后在白泥沟处经界牌镇敬老院右侧,并接上石岭村自建的土路;路线基本沿土路前行,并在雷音寺处接上建成的辽安大道(止点桩号K4+335),路线长千米。本项目是联系花荄组团区与绵阳中心城区的重要通道,同时也是来联系北川新县城与绵阳中心城区的重要通道,是绵阳科创园区绵广高速以西的重要干道,是科创园区九洲大道的延长线。本标段公路工程采纳一级标准设计,设计速度80公里/小时,人行栏杆设置于人行道外侧危险地段(填方大于3m),采纳不锈钢复合钢管,手工压弧焊接,表面打磨抛光处理,立柱采纳表面镀锌后静电喷塑处理;人行道采纳生态透水砖,尺寸为300mm×150mm×60mm;镶边石采纳仿花岗岩,尺寸为500mm×100mm×100mm。二、 编制依据(1) 辽安路二期(花荄至金家林快速通道)项目《两阶段施工图设计文件》;(2) 辽安路二期(花荄至金家林快速通道)项目《合同要求、施工法律规范》;(3) 《辽安路二期(花荄至金家林快速通道)项目施工图设计文件》;(4) 《公路工程技术标准》JTG B01—2024;(5) 《公路工程质量评定标准》JTB F80/1—2024;三、主要工程量本 工 程 设 计 人 行 栏 杆 长 度 为 2905m , 其 中 , ¢ 102× 复 合 钢 管 为26492.5kg,¢80×复合钢管为 33117kg,¢×复合钢管为 8802.2kg,¢×复合钢管为 14873.6kg,浸锌喷塑碳钢板∮12mm46392.9kg。人行道生态透水砖㎡,C25 镶边石 。³四、各项施工管理...

1、当您付费下载文档后,您只拥有了使用权限,并不意味着购买了版权,文档只能用于自身使用,不得用于其他商业用途(如 [转卖]进行直接盈利或[编辑后售卖]进行间接盈利)。
2、本站所有内容均由合作方或网友上传,本站不对文档的完整性、权威性及其观点立场正确性做任何保证或承诺!文档内容仅供研究参考,付费前请自行鉴别。
3、如文档内容存在违规,或者侵犯商业秘密、侵犯著作权等,请点击“违规举报”。

碎片内容

行栏杆及人行道施工方案

确认删除?
VIP
微信客服
  • 扫码咨询
会员Q群
  • 会员专属群点击这里加入QQ群
客服邮箱
回到顶部