电脑桌面
添加小米粒文库到电脑桌面
安装后可以在桌面快捷访问

(完整)钢结构三角形屋架课程设计

(完整)钢结构三角形屋架课程设计_第1页
1/12
(完整)钢结构三角形屋架课程设计_第2页
2/12
(完整)钢结构三角形屋架课程设计_第3页
3/12
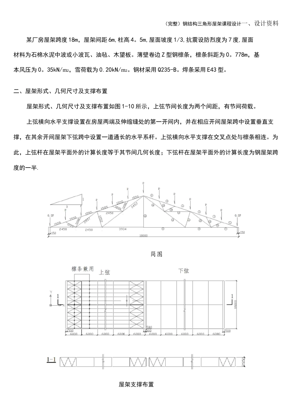
(完整)钢结构三角形屋架课程设计一、设计资料某厂房屋架跨度 18m,屋架间距 6m,柱高 4。5m,屋面坡度 1/3,抗震设防烈度为 7 度,屋面材料为石棉水泥中波或小波瓦、油毡、木望板。薄壁卷边 Z 型钢檩条,檩条斜距为 0。778m,基本风压为 0。35kN/m2,雪荷载为 0.20kN/m2。钢材采用 Q235-B。焊条采用 E43 型。二、屋架形式、几何尺寸及支撑布置屋架形式、几何尺寸及支撑布置如图 1-10 所示,上弦节间长度为两个间距,有节间荷载。上弦横向水平支撑设置在房屋两端及伸缩缝处的第一开间内,并在相应开间屋架跨中设置垂直支撑,在其余开间屋架下弦跨中设置一道通长的水平系杆。上弦横向水平支撑在交叉点处与檩条相连。为此,上弦杆在屋架平面外的计算长度等于其节间几何长度;下弦杆在屋架平面外的计算长度为钢屋架跨度的一半.屋架支撑布置(完整)钢结构三角形屋架课程设计图 1-10 屋架形式、几何尺寸及支撑布置(完整)钢结构三角形屋架课程设计表 2-1 上弦集中荷载及节点荷载表(5)风荷载以左吹风为例计算,右吹风同理计算,根据公式①二计算,卩高度小于 30m 的单层厂房,kzsz0z取 1.0,卩查表,B 类地面粗糙程度,h<10m,取 1.0,卩取值迎风面-0.47,背风面-0.5.zs屋面风荷载标准值(完整)钢结构三角形屋架课程设计迎风W=-0.1645kN/m2xl.555mx6m=-1.535kN背风面 W=-0.175kN/m2x1.555mx6m=-1.633kN图 1-13 上弦节点风荷载四、内力组合内力计算表凤荷载恒载半跨活载左右M中並斗企N込NN0.780.59-46.220.390.29-33.620.20.1527.0325.40.590.59-42.E70.290.29-30.30.150.1525.3123.790.590.E9-44.550.290.29-32.030.150.1527.0325.40.590.59-43.70.290.25-31.10.150.1527.0325.Q0.590.59-40.350.290.29-27.780.1E0.1525.3123.790.590.59-42.020.290.29-29.50.150.1527.0325.Q43.8631.9-28.32-26.6235.3S23.92-23.3B-21.9323.9211.96-15.4B-14.55-3.56-3.562.32.16-7.E3-7.5B4.94.61T.577.97-5.16-4.E511.9611.96-7.3-6.B619.駅19.9G-12.9-12.130000① 1。35 恒载+1.4x0.7 活荷载+1.4x0。6 风荷载② 1.2 恒载+1。4 活荷载+1。4x0.6 风荷载1.2 恒载+1.4x0.7 活荷载+1.4 风荷载(完整)钢结构三角形屋架课程设计长细二 J 二 155.5cm 二72.3

1、当您付费下载文档后,您只拥有了使用权限,并不意味着购买了版权,文档只能用于自身使用,不得用于其他商业用途(如 [转卖]进行直接盈利或[编辑后售卖]进行间接盈利)。
2、本站所有内容均由合作方或网友上传,本站不对文档的完整性、权威性及其观点立场正确性做任何保证或承诺!文档内容仅供研究参考,付费前请自行鉴别。
3、如文档内容存在违规,或者侵犯商业秘密、侵犯著作权等,请点击“违规举报”。

碎片内容

(完整)钢结构三角形屋架课程设计

wxg+ 关注
实名认证
内容提供者

该用户很懒,什么也没介绍

相关文档

确认删除?
微信客服
  • 扫码咨询
会员Q群
  • 会员专属群点击这里加入QQ群