电脑桌面
添加小米粒文库到电脑桌面
安装后可以在桌面快捷访问

路灯安装方案

路灯安装方案_第1页
1/4
路灯安装方案_第2页
2/4
路灯安装方案_第3页
3/4
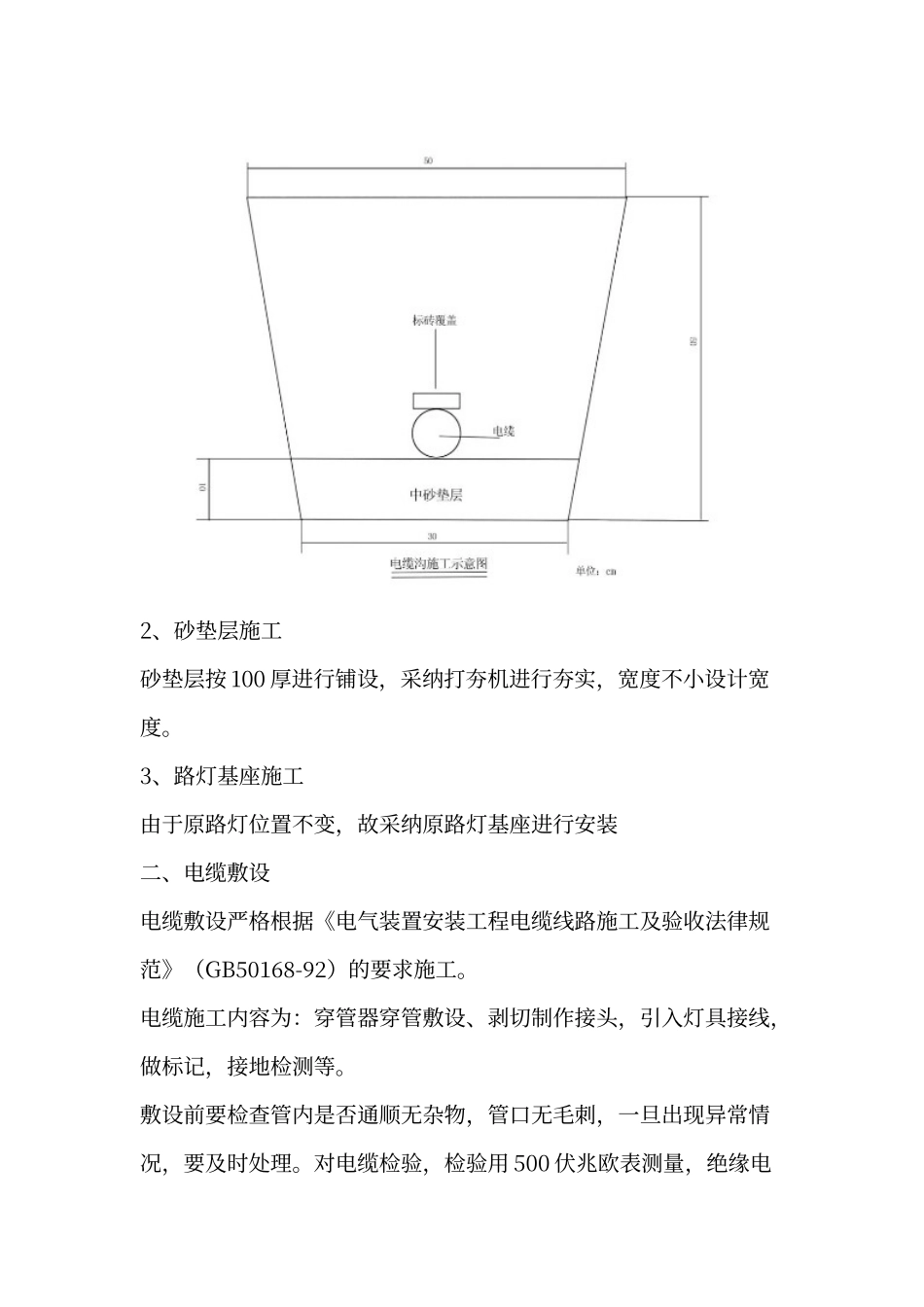
路灯安装施工方案工程概况:六盏路灯,高 6 米,槽形布置,太能电源直驱。现状:亮度达不到要求,路灯杆低,受太阳能性能限制,亮度辐射范围小,亮度达不到要求,甚至无法照明。整改要求:1、采纳双电源,提倡环保节能,采纳太阳能电源与市电双电源接入,平常由太阳能驱动,当有要求或当太阳能无法工作时手动或自动切入市电驱动。2、路灯亮度辐射范围小,加长路灯杆至8 米。3、靠近办公楼大门两侧绿各增加三盏草坪景观灯。整改措施方案:由于原先采纳的是太阳能单电源驱动,现在要求市电与太阳能电源双电电源接入,需挖沟槽,根据实际情况,确定沟道各段的高程及开挖深度,路灯位置不变,直接定位放线挖沟槽。采纳机械挖槽或人工开挖。一、管沟开挖施工做法为:1、开挖沟槽沟槽深度为 100CM,宽度为 50CM,沟槽开挖完成毕达到要求后,进行人工精平,用打夯机夯实,压实度大于或等于 85%,方可进行下道工序的施工,当土基不能满足设计要求时,现场根据实际情况进行换土。2、砂垫层施工砂垫层按 100 厚进行铺设,采纳打夯机进行夯实,宽度不小设计宽度。3、路灯基座施工由于原路灯位置不变,故采纳原路灯基座进行安装二、电缆敷设电缆敷设严格根据《电气装置安装工程电缆线路施工及验收法律规范》(GB50168-92)的要求施工。电缆施工内容为:穿管器穿管敷设、剥切制作接头,引入灯具接线,做标记,接地检测等。敷设前要检查管内是否通顺无杂物,管口无毛刺,一旦出现异常情况,要及时处理。对电缆检验,检验用 500 伏兆欧表测量,绝缘电阻不低于 10 兆欧,电缆弯曲半径不小于规定,从手孔井至各灯具之间的管内电缆敷设、进入控制箱。配电箱的终端头应有记载电缆规格、型号、线路名称,回路等的电缆指示牌。三、路灯的安装路灯安装高度,仰角、装灯方向宜保持一致。灯具安装纵向中心线和灯臂纵向中心线应一致,灯具横向水平线应与地面平行,坚固后目测应无歪斜。在灯臂、灯盘、灯杆内穿线不得有接头,穿线口应光滑、无毛刺,并应采纳绝缘套管或包扎,包扎长度不得小于200mm。四、接地与避雷系统安装接地保护系统电阻小于 4Ω。凡正常不带电的金属外壳均应接地。三、检验调试所有灯具安装完成后,统一进行垂直度校正,对灯杆总体做水平及垂直作检验,以总垂直度≤3%为合格。采纳接地摇表进行接地系统的测试,接地电阻不大于 10Ω。通电前,先进行绝缘电阻测试,确保供电电缆绝缘性能良好。通电后应认真检查和巡视,检查灯具的控制是否灵活...

1、当您付费下载文档后,您只拥有了使用权限,并不意味着购买了版权,文档只能用于自身使用,不得用于其他商业用途(如 [转卖]进行直接盈利或[编辑后售卖]进行间接盈利)。
2、本站所有内容均由合作方或网友上传,本站不对文档的完整性、权威性及其观点立场正确性做任何保证或承诺!文档内容仅供研究参考,付费前请自行鉴别。
3、如文档内容存在违规,或者侵犯商业秘密、侵犯著作权等,请点击“违规举报”。

碎片内容

路灯安装方案

您可能关注的文档

确认删除?
VIP
微信客服
  • 扫码咨询
会员Q群
  • 会员专属群点击这里加入QQ群
客服邮箱
回到顶部