电脑桌面
添加小米粒文库到电脑桌面
安装后可以在桌面快捷访问

配电箱安装工程施工方案

配电箱安装工程施工方案_第1页
1/10
配电箱安装工程施工方案_第2页
2/10
配电箱安装工程施工方案_第3页
3/10
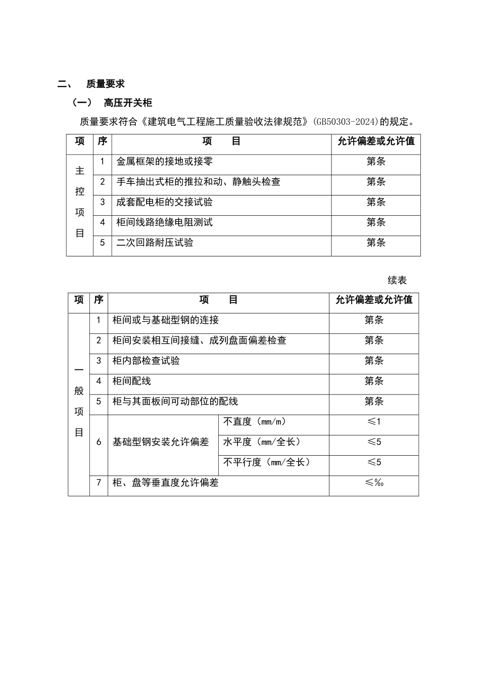
配电箱安装工程施工方案XX 工程公司年月日一、施工准备(一) 作业条件1、 墙体结构已弹出施工水平线。2、 安装配电箱所需的木砖及铁件巳预埋。3、 随土建结构预留的暗装配电箱的安装位置正确,大小合适。4、 暗装配电箱箱体时,安装箱体墙面的抹灰应全部完成。暗装配电箱盘芯及贴脸时,土建装修的抹灰、喷浆及油漆应全部完成。5、 明装配电箱时,土建装修的抹灰、喷浆及油漆应全部完成。(二) 材料要求1、 建筑电气工程中安装的高压成套配电柜、控制柜(屏、台)应有出厂合格证、生产许可证和试验记录。低压成套配电柜、动力、照明配电箱(盘、柜)除上述质量证明文件外,还应有“CCC”认证标志及认证证书复印件。2、 动力、照明配电箱、低压柜,不同厂家、不同规格的出厂合格证应各备一张。低压进线冗接箱或分支柜,多层进户分界开关柜,不同厂家、不同规格的合格证应各备一张。3、 产品进场后先进行外观检查:箱体应有一定的机械强度,周边平整无损伤,油漆无脱落。然后进行开简检验:箱内各种器具应安装牢固,导线排列整齐,压接牢固,二层底板厚度不小于,且不得用阻燃型塑料板做二层底板。各种断路器进行外观检验,调整及操作试验。4、 配电箱不应采纳可燃材料制作;在干燥无尘的场所,采纳的木制配电箱应经阻燃处理。5、 镀锌制品(支架、横担、接地极、避雷用型钢等)和外线金具应有出厂合格证和镀锌质量证明书。(三) 主要机具1、 铅笔、卷尺、水平尺、方尺、线坠等。2、 手锤、錾子、剥线钳、尖嘴钳、压接钳、电钻、液压开孔器、锡锅、锡勺、电工常用工具等。二、质量要求(一) 高压开关柜质量要求符合《建筑电气工程施工质量验收法律规范》(GB50303-2024)的规定。项序项 目允许偏差或允许值主控项目1金属框架的接地或接零第条2手车抽出式柜的推拉和动、静触头检查第条3成套配电柜的交接试验第条4柜间线路绝缘电阻测试第条5二次回路耐压试验第条续表项序项 目允许偏差或允许值一般项目1柜间或与基础型钢的连接第条2柜间安装相互间接缝、成列盘面偏差检查第条3柜内部检查试验第条4柜间配线第条5柜与其面板间可动部位的配线第条6基础型钢安装允许偏差不直度(mm/m)≤1水平度(mm/全长)≤5不平行度(mm/全长)≤57柜、盘等垂直度允许偏差≤‰(二) 低压成套柜(屏、台)质量要求符合《建筑电气工程施工质量验收法律规范》(GB50303-2024)的规定。项序项 目允许偏差或允许值主控项目1金属框架的接地或接零第条2电击保护和保护导体的截面积第...

1、当您付费下载文档后,您只拥有了使用权限,并不意味着购买了版权,文档只能用于自身使用,不得用于其他商业用途(如 [转卖]进行直接盈利或[编辑后售卖]进行间接盈利)。
2、本站所有内容均由合作方或网友上传,本站不对文档的完整性、权威性及其观点立场正确性做任何保证或承诺!文档内容仅供研究参考,付费前请自行鉴别。
3、如文档内容存在违规,或者侵犯商业秘密、侵犯著作权等,请点击“违规举报”。

碎片内容

配电箱安装工程施工方案

雏圣文化+ 关注
实名认证
内容提供者

欢迎光临,大量办公文档供您挑选。

确认删除?
VIP
微信客服
  • 扫码咨询
会员Q群
  • 会员专属群点击这里加入QQ群
客服邮箱
回到顶部