电脑桌面
添加小米粒文库到电脑桌面
安装后可以在桌面快捷访问

一级建造师水利实务

一级建造师水利实务_第1页
1/20
一级建造师水利实务_第2页
2/20
一级建造师水利实务_第3页
3/20
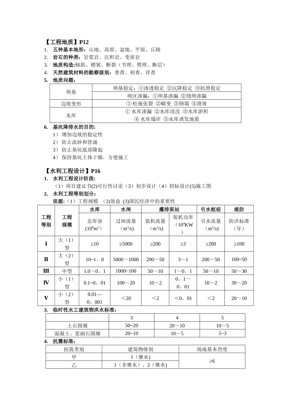
【测量仪器】P11.经纬仪的作用:①水平角测量 ②竖直角测量 ③低精度视距测量2.水准尺:精准水准测量:国家一、二等水准测量; 普通水准测量:国家三、四等水准测量3.水准仪、经纬仪的使用对比:1234水准仪粗平调焦和照准精平读数经纬仪对中整平照准读数4.水准仪使用的注意事项:(1)产生视差:目标影像与十字丝划板不重合.先调目镜→再调物镜(2)根据十字丝中丝读数,小→大,保留 4 位数.5.经纬仪照准步骤:目镜调焦→粗瞄目标→物镜调焦→准确瞄准【施工测量】P61.比例尺:大比例尺:≤1 万;中比例尺:≤10 万;小比例尺:>10 万2.放样方法:平面放样① 直角交会法 ②极坐标法③角度交会法 ④距离交会法高程放样① 水准测量法②光电测距三角高程法③解析三角高程法④视距法开挖放样① 极坐标法 ②前方交会法 ③后方交会法注:误差≤10mm 的,用水准测量。3.开挖测量:原始地形图和原始断面图测量→开挖轮廓点放样→开挖竣施工场地形、断面测量→工程量测算4.填筑放样:(1)基础块轮廓点放样,必须采纳相互独立的方法核验。放样和核验点位之差不应>2m。(2)混凝土浇筑块体收方,基础部位应根据基础开挖竣工图计算;基础以上部位,根据图纸的几何尺寸与实测部位的平均高程计算。5.施工期间外部变形监测:(1)变形观测的几点,精度不应小于四等网。(2)基点必须建立在变形区以外稳固的基岩上。(3)测点应与变形体牢固结合。(4)滑坡测点设在滑动量大、滑动速度快的轴线方向和滑坡前沿区。(5)山体或建筑物裂缝观测点,应设在裂缝的两侧。6.误差产生的原因:(1)人的原因 (2)仪器的原因 (3)外界环境的影响7.误差的分类:(1)系统误差:一定规律变化(2)偶然误差:没有任何规律(3)粗查:观测者粗心造成【工程地质】P121.五种基本地形:山地、高原、盆地、平原、丘陵2.岩石的种类:岩浆岩、沉积岩、变质岩3.地质构造:倾斜、褶皱、断裂(节理、劈理、断层)4.天然建筑材料的勘察级别:普查、初查、详查5.地质问题:坝基坝基稳定:①渗透稳定 ②沉降稳定 ③抗滑稳定坝区渗漏:①坝基渗漏 ②绕坝渗漏边坡变形① 松弛张裂 ②蠕变 ③倒塌 ④滑坡水库① 水库渗漏 ②水库浸没 ③水库淤积④ 水库塌岸 ⑤水库诱发地震6.基坑降排水的目的:1) 增加边坡的稳定性2) 防止流砂和管涌3) 防止基坑底部隆起4) 保持基坑土体干燥,方便施工【水利工程设计】P161.水利工程设计阶段:(1)项目建议书(2)可行性讨论(3)初步设...

1、当您付费下载文档后,您只拥有了使用权限,并不意味着购买了版权,文档只能用于自身使用,不得用于其他商业用途(如 [转卖]进行直接盈利或[编辑后售卖]进行间接盈利)。
2、本站所有内容均由合作方或网友上传,本站不对文档的完整性、权威性及其观点立场正确性做任何保证或承诺!文档内容仅供研究参考,付费前请自行鉴别。
3、如文档内容存在违规,或者侵犯商业秘密、侵犯著作权等,请点击“违规举报”。

碎片内容

一级建造师水利实务

确认删除?
VIP
微信客服
  • 扫码咨询
会员Q群
  • 会员专属群点击这里加入QQ群
客服邮箱
回到顶部