电脑桌面
添加小米粒文库到电脑桌面
安装后可以在桌面快捷访问

三相不平衡调节装置技术方案汇总

三相不平衡调节装置技术方案汇总_第1页
1/11
三相不平衡调节装置技术方案汇总_第2页
2/11
三相不平衡调节装置技术方案汇总_第3页
3/11
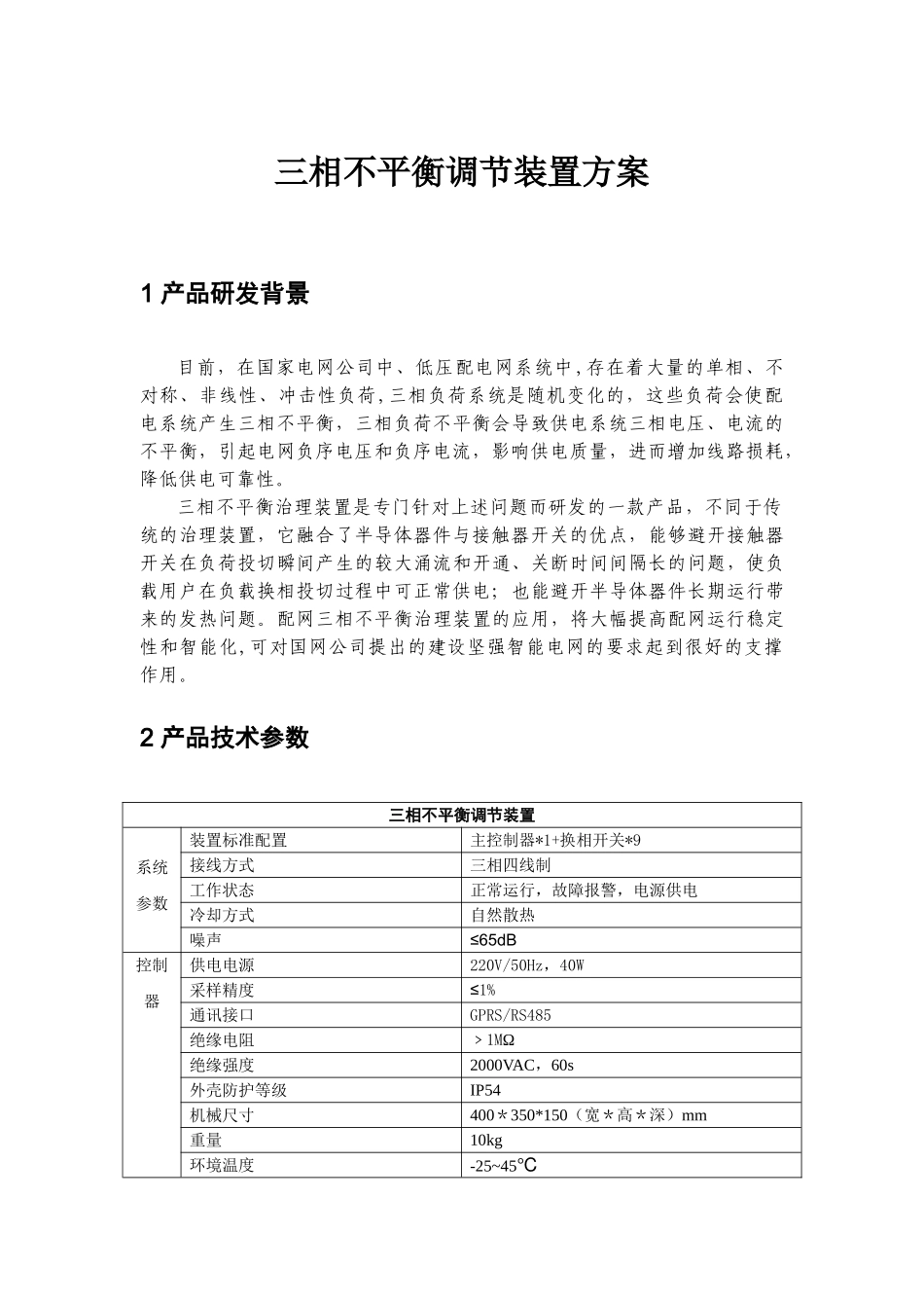
三相不平衡调节装置方案1 产品研发背景目前,在国家电网公司中、低压配电网系统中 ,存在着大量的单相、不对称、非线性、冲击性负荷,三相负荷系统是随机变化的,这些负荷会使配电系统产生三相不平衡,三相负荷不平衡会导致供电系统三相电压、电流的不平衡,引起电网负序电压和负序电流,影响供电质量,进而增加线路损耗,降低供电可靠性。三相不平衡治理装置是专门针对上述问题而研发的一款产品,不同于传统的治理装置,它融合了半导体器件与接触器开关的优点,能够避开接触器开关在负荷投切瞬间产生的较大涌流和开通、关断时间间隔长的问题,使负载用户在负载换相投切过程中可正常供电;也能避开半导体器件长期运行带来的发热问题。配网三相不平衡治理装置的应用,将大幅提高配网运行稳定性和智能化,可对国网公司提出的建设坚强智能电网的要求起到很好的支撑作用。2 产品技术参数三相不平衡调节装置系统参数装置标准配置主控制器*1+换相开关*9接线方式三相四线制工作状态正常运行,故障报警,电源供电冷却方式自然散热噪声≤65dB控制器供电电源220V/50Hz,40W采样精度≤1%通讯接口GPRS/RS485绝缘电阻﹥1MΩ绝缘强度2000VAC,60s外壳防护等级IP54机械尺寸400*350*150(宽*高*深)mm重量10kg环境温度-25~45℃环境湿度0~95%,无凝露海拔≤1000m换相开关额定电压AC380V额定频率50Hz额定电流100A最大允许电流150A换相时间≤10ms通讯接口GPRS/RS485绝缘电阻﹥1MΩ绝缘强度2000VAC,60s外壳防护等级IP54机械尺寸250*500*200(宽*高*深)mm重量15kg环境温度—25~45℃环境湿度0~95%,无凝露海拔≤1000m3 技术方案3.1 总体方案三相不平衡调节装置主要由主控制器与换相开关组成。主控制器是整个装置的控制核心,换相开关是装置的执行机构,它们之间通过 GPRS 无线通讯进行信息交互,相互配合完成对配网三相不平衡问题的治理。装置系统示意图如下所示。主控制器是整个装置的控制终端,每套装置只有一个主控制器。它负责采集整个装置的各种状态信息和数据,通过逻辑运算发出各种指令完成整个装置的操控。它检测配网总线的电压信号;接收换相开关上传的负载电流数据,计算负载平衡度及分布情况,通过分析计算给各个换相开关发出换相命令;接收换相开关上传的运行状态和故障信息,然后做出相应的控制操作。换相开关是装置的分支和执行机构,根据配变的容量与负载的分布情况不同可灵活选择换相开关的容量和数量.它负责采集负载电流数据,与自身的状态信...

1、当您付费下载文档后,您只拥有了使用权限,并不意味着购买了版权,文档只能用于自身使用,不得用于其他商业用途(如 [转卖]进行直接盈利或[编辑后售卖]进行间接盈利)。
2、本站所有内容均由合作方或网友上传,本站不对文档的完整性、权威性及其观点立场正确性做任何保证或承诺!文档内容仅供研究参考,付费前请自行鉴别。
3、如文档内容存在违规,或者侵犯商业秘密、侵犯著作权等,请点击“违规举报”。

碎片内容

三相不平衡调节装置技术方案汇总

人从众+ 关注
实名认证
内容提供者

欢迎光临小店,本店以公文和教育为主,希望符合您的需求。

确认删除?
VIP
微信客服
  • 扫码咨询
会员Q群
  • 会员专属群点击这里加入QQ群
客服邮箱
回到顶部