电脑桌面
添加小米粒文库到电脑桌面
安装后可以在桌面快捷访问

上海某中心钢结构施工组织设计

上海某中心钢结构施工组织设计_第1页
1/17
上海某中心钢结构施工组织设计_第2页
2/17
上海某中心钢结构施工组织设计_第3页
3/17
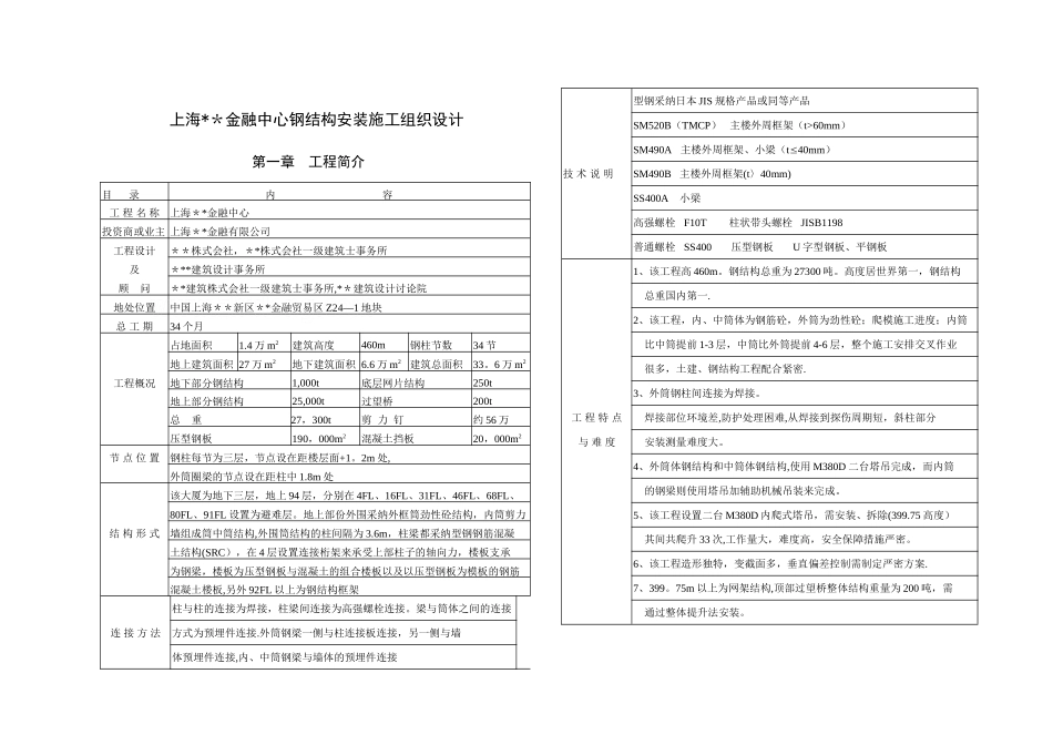
上海**金融中心钢结构安装施工组织设计第一章工程简介目 录 内 容工 程 名 称上海**金融中心投资商或业主 上海**金融有限公司工程设计**株式会社,**株式会社一级建筑士事务所及***建筑设计事务所顾 问**建筑株式会社一级建筑士事务所,**建筑设计讨论院地处位置中国上海**新区**金融贸易区 Z24—1 地块总 工 期34 个月占地面积1.4 万 m2建筑高度460m钢柱节数34 节地上建筑面积 27 万 m2地下建筑面积 6.6 万 m2建筑总面积33。6 万 m2工程概况地下部分钢结构1,000t底层网片结构250t地上部分钢结构25,000t过望桥200t总 重27,300t剪 力 钉约 56 万压型钢板190,000m2混凝土挡板20,000m2节 点 位 置钢柱每节为三层,节点设在距楼层面+1。2m 处,外筒圈梁的节点设在距柱中 1.8m 处该大厦为地下三层,地上 94 层,分别在 4FL、16FL、31FL、46FL、68FL、80FL、91FL 设置为避难层。地上部份外围采纳外框筒劲性砼结构,内筒剪力结 构 形 式墙组成筒中筒结构,外围筒结构的柱间隔为 3.6m,柱梁都采纳型钢钢筋混凝土结构(SRC),在 4 层设置连接桁架来承受上部柱子的轴向力,楼板支承为钢梁,楼板为压型钢板与混凝土的组合楼板以及以压型钢板为模板的钢筋混凝土楼板,另外 92FL 以上为钢结构框架柱与柱的连接为焊接,柱梁间连接为高强螺栓连接。梁与筒体之间的连接连 接 方 法方式为预埋件连接.外筒钢梁一侧与柱连接板连接,另一侧与墙体预埋件连接,内、中筒钢梁与墙体的预埋件连接型钢采纳日本 JIS 规格产品或同等产品SM520B(TMCP) 主楼外周框架(t>60mm)SM490A 主楼外周框架、小梁(t40mm)技 术 说 明SM490B 主楼外周框架(t〉40mm)SS400A 小梁高强螺栓 F10T 柱状带头螺栓 JISB1198普通螺栓 SS400 压型钢板 U 字型钢板、平钢板1、该工程高 460m。钢结构总重为 27300 吨。高度居世界第一,钢结构 总重国内第一.2、该工程,内、中筒体为钢筋砼,外筒为劲性砼;爬模施工进度;内筒 比中筒提前 1-3 层,中筒比外筒提前 4-6 层,整个施工安排交叉作业 很多,土建、钢结构工程配合紧密.3、外筒钢柱间连接为焊接。工 程 特 点 焊接部位环境差,防护处理困难,从焊接到探伤周期短,斜柱部分与 难 度 安装测量难度大。4、外筒体钢结构和中筒体钢结构,使用 M380D 二台塔吊完成,而内筒 的钢梁则使用塔吊加辅助机械吊装来完成。5、该工程设置二台 M380D 内爬式...

1、当您付费下载文档后,您只拥有了使用权限,并不意味着购买了版权,文档只能用于自身使用,不得用于其他商业用途(如 [转卖]进行直接盈利或[编辑后售卖]进行间接盈利)。
2、本站所有内容均由合作方或网友上传,本站不对文档的完整性、权威性及其观点立场正确性做任何保证或承诺!文档内容仅供研究参考,付费前请自行鉴别。
3、如文档内容存在违规,或者侵犯商业秘密、侵犯著作权等,请点击“违规举报”。

碎片内容

上海某中心钢结构施工组织设计

确认删除?
VIP
微信客服
  • 扫码咨询
会员Q群
  • 会员专属群点击这里加入QQ群
客服邮箱
回到顶部