电脑桌面
添加小米粒文库到电脑桌面
安装后可以在桌面快捷访问

东芝注塑机日常检查

东芝注塑机日常检查_第1页
1/5
东芝注塑机日常检查_第2页
2/5
东芝注塑机日常检查_第3页
3/5
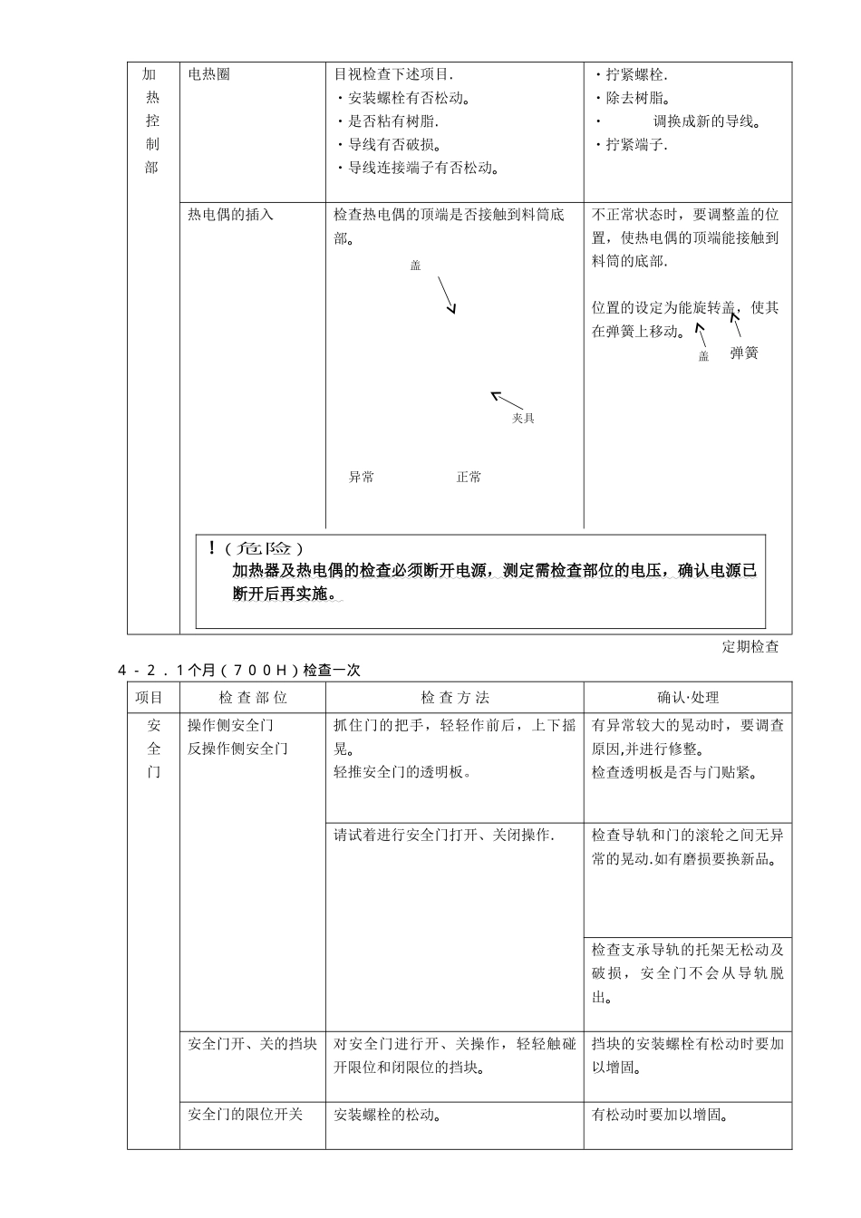
日常检查第3章 日常检查 操作者在机械运转时,要每天进行检查.项目检 查 部 位检 查 方 法确认·处理 噪音 ・ 振动锁模装置,注塑装置等的可动部用听觉·视觉检查有否异常动作及异常声音·振动。发现异常声音,异常振动时,要查明原因,实行措施. 冷 却 水冷却水配管软管接头部接头部有否漏水.软管是否破裂漏水.有漏水时要增紧接头。仍无法制止时,要重新卷绕密封带。流量检验器(冷却水返回口)通过流量检验器检查冷却水的流量是否正常。还要检查是否有水垢引起的堵塞.冷却水水量不够时,要检查冷却水配管是否漏水。螺 螺栓 母 类可动部的螺栓·螺母目视检查有否松动。如有松动要用扳手拧紧。定期检查第4章 定期检查 4-1.每周(150H)检查一次项目检 查 部 位检 查 方 法确认·处理 顶 出 装 置顶杆在拆下模具的状态下,按下述方法进行检查。在顶出模板处于后退限位时,检查顶杆不高于移动模板的模具装配面.在模具不拆下的状态,检查顶杆和顶出模板的旋入部有否间隙.顶杆松动时要用扳手拧紧。顶杆间隙 加 热 控 制 部电热圈目视检查下述项目.・安装螺栓有否松动。・是否粘有树脂.・导线有否破损。・导线连接端子有否松动。・拧紧螺栓.・除去树脂。・调换成新的导线。・拧紧端子.热电偶的插入检查热电偶的顶端是否接触到料筒底部。不正常状态时,要调整盖的位置,使热电偶的顶端能接触到料筒的底部.位置的设定为能旋转盖,使其在弹簧上移动。!(危险) 加热器及热电偶的检查必须断开电源,测定需检查部位的电压,确认电源已断开后再实施。定期检查4-2.1个月(700H)检查一次项目检 查 部 位检 查 方 法确认·处理安全门操作侧安全门反操作侧安全门抓住门的把手,轻轻作前后,上下摇晃。轻推安全门的透明板。有异常较大的晃动时,要调查原因,并进行修整。检查透明板是否与门贴紧。请试着进行安全门打开、关闭操作.检查导轨和门的滚轮之间无异常的晃动.如有磨损要换新品。检查支承导轨的托架无松动及破损,安全门不会从导轨脱出。安全门开、关的挡块对安全门进行开、关操作,轻轻触碰开限位和闭限位的挡块。挡块的安装螺栓有松动时要加以增固。安全门的限位开关安装螺栓的松动。有松动时要加以增固。弹簧盖正常异常盖夹具滚轮,控制杆有否破损。如有破损要换新品。安全门上装的夹头有无变形。有变形是时,需要修整。安全门用导轨・滚轮导轨固定用托架的安装螺栓有无松动。有松动时要加以增固...

1、当您付费下载文档后,您只拥有了使用权限,并不意味着购买了版权,文档只能用于自身使用,不得用于其他商业用途(如 [转卖]进行直接盈利或[编辑后售卖]进行间接盈利)。
2、本站所有内容均由合作方或网友上传,本站不对文档的完整性、权威性及其观点立场正确性做任何保证或承诺!文档内容仅供研究参考,付费前请自行鉴别。
3、如文档内容存在违规,或者侵犯商业秘密、侵犯著作权等,请点击“违规举报”。

碎片内容

东芝注塑机日常检查

不二商店+ 关注
实名认证
内容提供者

我是你的不二选择

确认删除?
VIP
微信客服
  • 扫码咨询
会员Q群
  • 会员专属群点击这里加入QQ群
客服邮箱
回到顶部