电脑桌面
添加小米粒文库到电脑桌面
安装后可以在桌面快捷访问

临时用电施工技术方案DOC

临时用电施工技术方案DOC_第1页
1/7
临时用电施工技术方案DOC_第2页
2/7
临时用电施工技术方案DOC_第3页
3/7
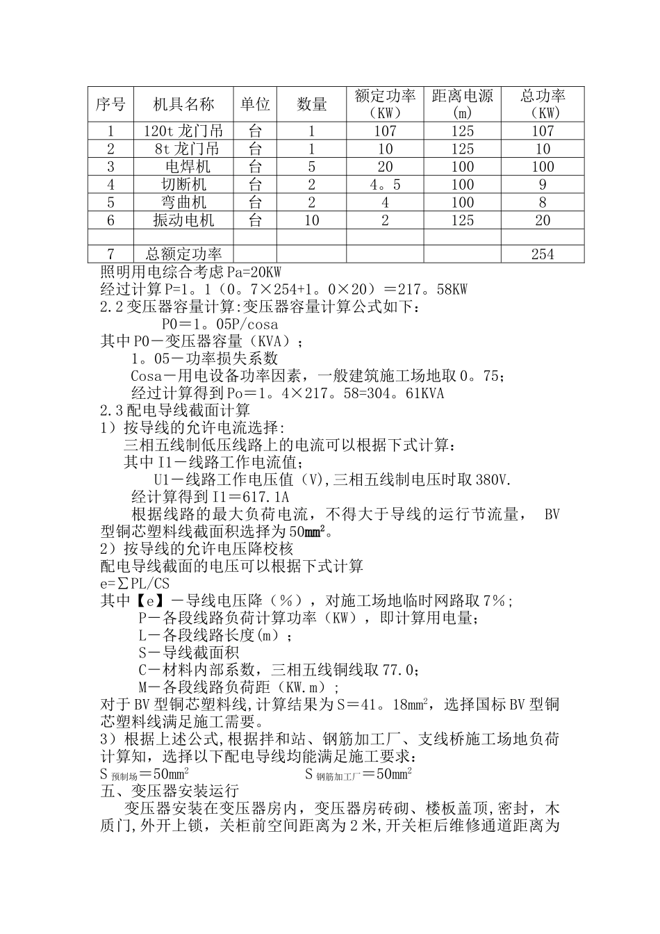
驻地用电施工方案一、编制依据1、实施性施工组织设计2、全线结构物分布及生产用施工机械设备3、施工现场临时用电安全技术法律规范二、工程概况本合同段起止桩号为 k8+200~k11+400,全线分离立交桥 2 座,圆管涵 13 道.拌和站设在项目部院外,预制场内设 120t 龙门吊和 8t 龙门吊各一台,钢筋加工场一处,拌和站设强制式搅拌机两台,提供全线混凝土生产及箱梁预制需要。K8+541。5 分离立交桥与搅拌站共用一台变压器。施工方案针对本合同段的施工特点及用电需要,临时用电以拌和站、预制场和 k8+541。5 分离交桥施工为主,搅拌站和 k8+541。5 分离立交桥电源及预制场电源均由附近高压线路引入,沿线涵洞用电及钻孔桩用电以发电机为主。,所有施工用电均采纳三线五相制,各设 315KVA 变压器一个,并配有标准配电柜,电缆线采纳埋地方式。预制场和拌和站各设三只分配电箱,一只照明箱,各施工机械均设有单独开关配电盘,采纳标准电箱,配电盘采纳临时电箱制作.三、施工场地临时供电计算1、拌和站及 K8+541.5 分离立交桥供电计算1。1 用电量计算临时供电包括施工及照明用电两个方面,计算公式如下: P=1.1(K1∑Pc+K2∑Pa)其中 P-计算用电量(KW),即供电设备总需要容量;Pc-全部施工动力用电设备额定用量之和;Pa-全部照明设备额定用电量之和;K1-全部施工用电设备同时使用系数,总数 10 台以内取 0.75,10-30 台取 0。7;K2-照明设备同时使用系数,取 1。0;全部施工动力用电设备额定用量:序号机具名称单位数量额定功率(KW)距离电源(m)总功率(KW)1100 型搅拌机台1102150102275 型搅拌机台172150723电焊机台320120607切断机台14。51204。58弯曲机台1412049总额定功率242。5照明用电综合考虑 Pa=20KW经过计算 P=1。1(0.75×242.5+1。0×20)=222.06KW1。2 变压器容量计算:变压器容量计算公式如下: Po=1.05P/cosa=1。4其中 P0-变压器容量(KVA);1。05-功率损失系数Cosa-用电设备功率因素,一般建筑施工场地取 0.75;经过计算得到 Po=1。4× 222。06 =310.89KVA1.3 配电导线截面计算1)按导线的允许电流选择:三相五线制低压线路上的电流可以根据下式计算:其中 I1-线路工作电流值; U1-线路工作电压值(V),三相五线制电压时取 380V。 经计算得到 I1=629.80A根据线路的最大复核电流,不得大于导线的运行节流量, BV 型铜芯塑料线截面积选择为 50mm2.2)按导线的允许电压降校核配电导线截面...

1、当您付费下载文档后,您只拥有了使用权限,并不意味着购买了版权,文档只能用于自身使用,不得用于其他商业用途(如 [转卖]进行直接盈利或[编辑后售卖]进行间接盈利)。
2、本站所有内容均由合作方或网友上传,本站不对文档的完整性、权威性及其观点立场正确性做任何保证或承诺!文档内容仅供研究参考,付费前请自行鉴别。
3、如文档内容存在违规,或者侵犯商业秘密、侵犯著作权等,请点击“违规举报”。

碎片内容

临时用电施工技术方案DOC

津创媒+ 关注
实名认证
内容提供者

欢迎交流文创,小店资料希望满足您的需要。

相关文档

确认删除?
VIP
微信客服
  • 扫码咨询
会员Q群
  • 会员专属群点击这里加入QQ群
客服邮箱
回到顶部