电脑桌面
添加小米粒文库到电脑桌面
安装后可以在桌面快捷访问

主体施工方案

主体施工方案_第1页
1/10
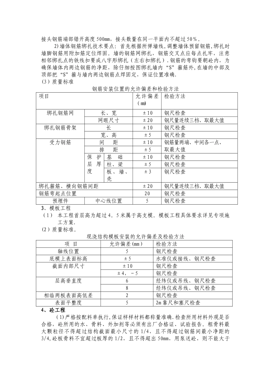
主体施工方案_第2页
2/10
主体施工方案_第3页
3/10
主体施工方案一、依据1、施工设计图纸.2、《建筑施工手册》(中国建筑业出版社 1999 年月 1 月出版)。3、《建筑施工安全技术手册》(中国建筑业出版社 1999 年 12 月出版)。4、《混凝土结构工程施工质量验收法律规范》(GB50204-2024)。二、质量目标仔细按图纸要求 ,对比《混凝土结构工程施工质量验收法律规范》(GB50204-2024)、《建筑工程施工选题验收统一标准》(GB50300-2001)等国家有关法律规范、规程施工及验收。力争主体结构工程创优。三、施工组织1、实行项目管理法施工本工程实行项目管理法施工,现场成立项目经理部,实行项目经理负责制的管理体制。项目经理全面管理整个现场的各项运作,协调各方关系,定期召开各工种负责人会议,针对施工中可能出现或存在的问题提出整改意见,并及时向公司总经理汇报该工程的进度情况.2、严格执行岗位责任制(1)项目经理:全面负责施工进度、质量安全、文明施工、防火、用电安全及项目成本核算等工作。(2)技术负责人:负责本工程的施工技术、质量、安全生产,组织工长、施工员、质安员学习施工法律规范;熟悉图纸,领悟设计意图;联系设计人员处理图纸中出现的问题,复核本工程坐标点、水准点、垂直度,指导施工人员根据施工技术操作规程施工;解决施工方面的各种技术、质量问题,严把质量关。(3)施工工长:编制施工计划,报项目经理综合平衡后实施,负责与设计、监理、甲方等联系有关施工事宜,如设计变更签证、材料样板选定,工程进度控制及同步进行资料、整理与核算工作.(4)质安员:对该项目工程的质量安全负直接责任,全面监督该项目工程质量、安全等是否符合国家有关安全技术操作规程和法律规范、是否符合有关用电、防火法律规范,制止一切违章指挥、违章作业,并定期向项目经理汇报工作.(5)施工员:协助工长进行施工的安排、监控,负责现场放线、定位等工作.放线前应仔细领悟设计意图,明确做法后才放线;放线后须经复核准确无误后才能进行施工。(6)材料员:应仔细负责对已选定的材料按规定的时间保质保量采购到现场。(7)资料员:应根据国家档案部门和行业系统的要求规格编制施工场地各种记录并整理、装订成册。四、主体工程施工1、基本要求 (1)施工程序:柱定位放线→柱钢筋绑扎→柱模板安装→梁、板模板放线定位→梁、板模板安装→梁板钢筋绑扎→砼浇筑。(2)每层高应竖向测量校核,竖向测量可用经纬仪校测,测量时尽量选在早、晚、阴天、无风时进行,在首层原地面上以靠近结构四周...

1、当您付费下载文档后,您只拥有了使用权限,并不意味着购买了版权,文档只能用于自身使用,不得用于其他商业用途(如 [转卖]进行直接盈利或[编辑后售卖]进行间接盈利)。
2、本站所有内容均由合作方或网友上传,本站不对文档的完整性、权威性及其观点立场正确性做任何保证或承诺!文档内容仅供研究参考,付费前请自行鉴别。
3、如文档内容存在违规,或者侵犯商业秘密、侵犯著作权等,请点击“违规举报”。

碎片内容

主体施工方案

确认删除?
VIP
微信客服
  • 扫码咨询
会员Q群
  • 会员专属群点击这里加入QQ群
客服邮箱
回到顶部