电脑桌面
添加小米粒文库到电脑桌面
安装后可以在桌面快捷访问

人工成孔灌注桩工程施工方案

人工成孔灌注桩工程施工方案_第1页
1/6
人工成孔灌注桩工程施工方案_第2页
2/6
人工成孔灌注桩工程施工方案_第3页
3/6
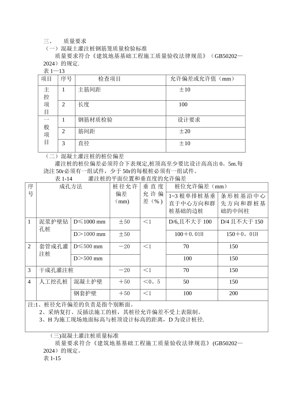
瑞金市领秀时代(二期工程)人工成孔灌注桩工程施工方案一、工程概况本工程业主方为浙江省谷丰房地产有限公司,监理方为瑞金市广厦工程建设监理有限公司,设计单位为浙江省衢州规划设计院,施工方为贝林集团有限公司,由瑞金市建设工程质量监督站监督。本工程建筑面积为 40484,六层半,檐口高度为 22。6 米。二、施工准备(一)作业条件1、 人工成孔桩,井壁支护要根据该地区的土质特点、地下水分布情况 ,编制切实可行的施工方案,进行井壁支护的计算和设计。2、 开挖前场地完成三通一平,地上、地下的电缆、管线、旧建筑物、设备基础等障碍物均已排除完毕.各项临时设施,如照明、动力、通风、安全设施准备就绪。3、 熟悉施工图纸及场地的地下土质、水文地质资料,做到心中有数.4、 按基础平面图,设置桩位轴线、定位点;桩孔四周洒灰线,测定高程水准点。放线工序完成后,办理验收手续。5、 按设计要求分段做好钢筋笼.6、 全面开挖之前,有选择地先挖两个试验桩孔,分析土质,水文等有关情况,以此修改原编施工方案7、 在地下水位比较高的区域,先降低地下水位至桩底以下 0。5m 左右。8、 人工成孔桩操作的安全至关重要,在开挖前对施工人员进行全面的安全技术交底;操作前对吊具进行安全可靠的检查和试验,确保施工安全.(二)材料要求1、水泥:采纳 32。5 级以上混合硅酸盐水泥或矿渣硅酸盐水泥,有产品合格证、出厂检测报告和进场复验报告。2、砂:中砂或粗砂,有进场复验报告。3、石子:粒径 0。5~3.2cm 的卵石或碎石,有进场复验报告.4、水:自来水或不含有毒物质的干净水。5、钢筋:钢筋的品、级别或规格必须符合设计要求,有产品合格证,出厂检测报告和进场复验报告,表面清洁无老锈和油污.6、垫块:用 1:3 水泥砂浆埋 22#火烧丝提前预制或用塑料卡.7、火烧丝:规格 18~20#铁丝烧成。8、外加剂、掺合料:根据施工需要通过试验确定,有出厂质量证明、检测报告、复验报告。(三)施工机具 三木搭、卷扬机组或电动葫芦、手推车或翻斗车、镐、锄、手铲、钎、线坠、定滑轮组、导向滑轮组、混凝土搅拌机、吊桶、溜槽、导管、振捣棒、插钎、粗麻绳、钢丝绳、安全活动盖板,防水照明灯(低压 36V、100W)、电焊机、通风及供氧设备、扬程水泵、木辘轳、活动爬梯、安全带等。模板:组合式钢模、弧形工具式钢模四块(或八块)拼装。卡具、挂钩和零配件。木板、木方 8#或 12#槽钢等。三、质量要求(一)混凝土灌注桩钢筋笼质量检验...

1、当您付费下载文档后,您只拥有了使用权限,并不意味着购买了版权,文档只能用于自身使用,不得用于其他商业用途(如 [转卖]进行直接盈利或[编辑后售卖]进行间接盈利)。
2、本站所有内容均由合作方或网友上传,本站不对文档的完整性、权威性及其观点立场正确性做任何保证或承诺!文档内容仅供研究参考,付费前请自行鉴别。
3、如文档内容存在违规,或者侵犯商业秘密、侵犯著作权等,请点击“违规举报”。

碎片内容

人工成孔灌注桩工程施工方案

人从众+ 关注
实名认证
内容提供者

欢迎光临小店,本店以公文和教育为主,希望符合您的需求。

确认删除?
VIP
微信客服
  • 扫码咨询
会员Q群
  • 会员专属群点击这里加入QQ群
客服邮箱
回到顶部