电脑桌面
添加小米粒文库到电脑桌面
安装后可以在桌面快捷访问

人防工程竣工资料

人防工程竣工资料_第1页
1/8
人防工程竣工资料_第2页
2/8
人防工程竣工资料_第3页
3/8
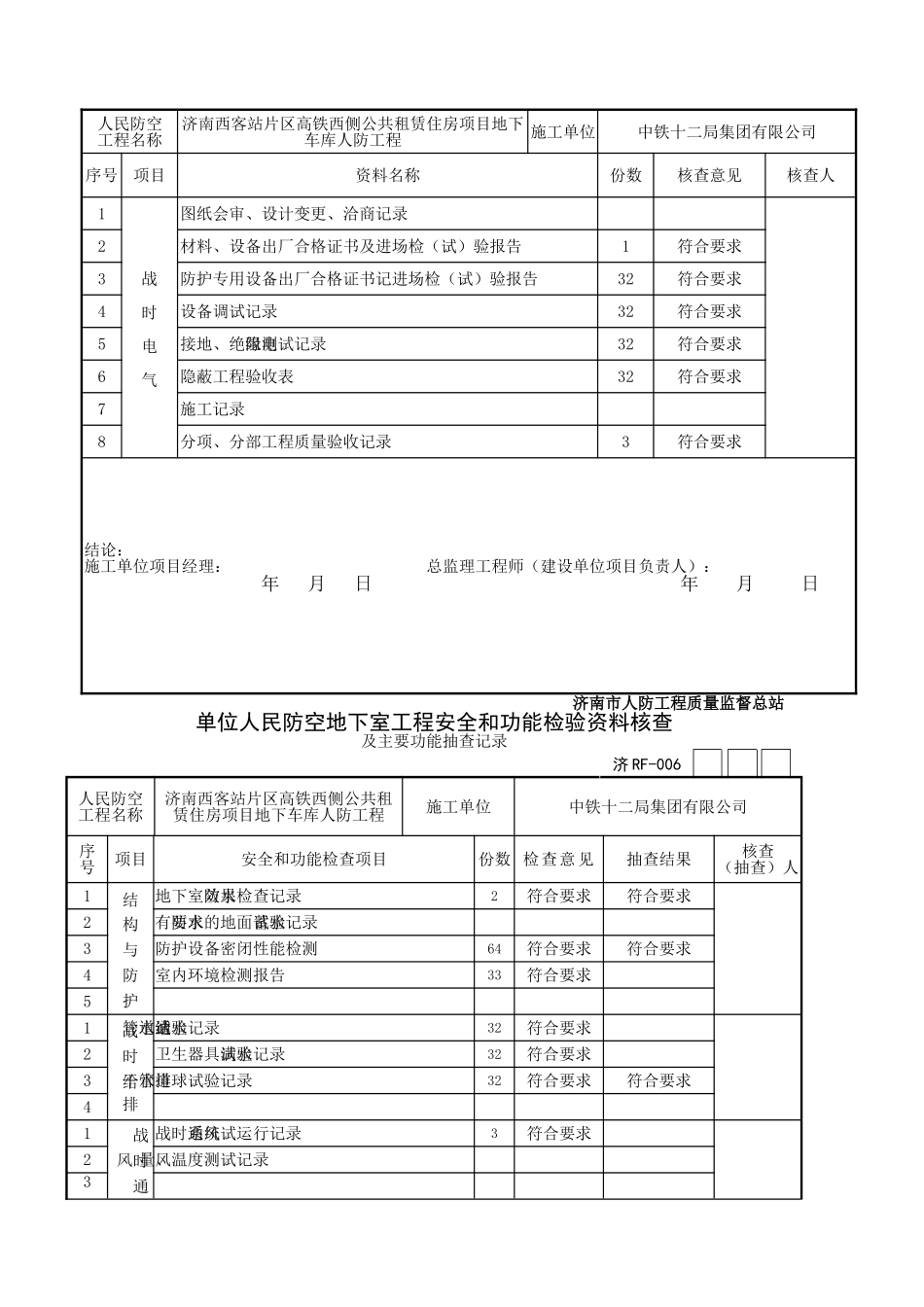
单位人民防空地下室工程质量竣工验收记录济 RF-004人民防空地下室工程名称济南西客站片区高铁西侧公共租赁住房项目地下车库人防工程抗力等级核 5、常 5所在层/建筑面积负一层/9625。95m2战时用途二等人员隐蔽所平常用途车库结构类型框剪结构施工单位中铁十二局集团有限公司技术负责人王中军开工日期2024。3。6项目经理郑 军项目技术负责人段艳刚竣工日期 序号项 目验 收 记 录验 收 意 见1分部工程共 6 分部,经查 6 分部符合标准及设计要求 6 分部质量合格,通过验收2质量控制资料核查共 26 项,经审查符合要求 26 项经核定不符合法律规范要求 0 项质量合格,通过验收3安全和主要使用功能核查及抽查结果共核查 10 项,符合要求 10 项共抽查 4 项,符合要求 4 项经返工处理符合要求 0 项质量合格,通过验收4观感质量验收共抽查 16 项,符合要求 16 项不符合要求 0 项质量合格,通过验收5综合验收结论质量合格,通过验收质量合格,通过验收参 加 验 收 单 位建设单位监理单位施工单位设计单位(公章)单位(项目)负责人年 月 日(公章)总监理工程师年 月 日(公章)单位负责人年 月 日(公章)单位(项目)负责人年 月 日 济南市人防工程质量监督总站 单位人民防空地下室工程质量控制资料核查记录(表一)济 RF—004人民防空工程名称济南西客站片区高铁西侧公共租赁住房项目地下车库人防工程施工单位中铁十二局集团有限公司序号项目资料名称份数核查意见核查人1建筑与结构人民防空地下室工程图纸会审、设计变更、洽商资料25符合要求2工程定位测量、放线记录38符合要求3原材料出厂合格证书及进场检(试)验报告357符合要求4防护专用设备合格证书及进场检(试)验报告271符合要求5施工试验报告及见证检测报告340符合要求6隐蔽工程验收表38符合要求7施工记录12符合要求8预拌混凝土、砂浆合格证5符合要求9结构工程检验及抽样检测资料35符合要求10分项、分部工程质量验收记录11工程质量事故及事故调查处理资料12新材料、新工艺施工记录1战时给排水图纸会审、设计变更、洽商记录7符合要求2材料、配件出厂合格证及进场检(试)验报告6符合要求3防护专用设备出厂合格证书记进场检(试)验报告32符合要求4管道、设备强度试验、严密性试验记录80符合要求5隐蔽工程验收表96符合要求6系统清洗、灌水、通水、通球试验记录7施工记录9符合要求8分项分部工程质量验收记录1建筑通风图纸会审、设计变更、洽商记录7符合要求2...

1、当您付费下载文档后,您只拥有了使用权限,并不意味着购买了版权,文档只能用于自身使用,不得用于其他商业用途(如 [转卖]进行直接盈利或[编辑后售卖]进行间接盈利)。
2、本站所有内容均由合作方或网友上传,本站不对文档的完整性、权威性及其观点立场正确性做任何保证或承诺!文档内容仅供研究参考,付费前请自行鉴别。
3、如文档内容存在违规,或者侵犯商业秘密、侵犯著作权等,请点击“违规举报”。

碎片内容

人防工程竣工资料

您可能关注的文档

确认删除?
VIP
微信客服
  • 扫码咨询
会员Q群
  • 会员专属群点击这里加入QQ群
客服邮箱
回到顶部