电脑桌面
添加小米粒文库到电脑桌面
安装后可以在桌面快捷访问

仓库应急应急救援预案剖析

仓库应急应急救援预案剖析_第1页
1/8
仓库应急应急救援预案剖析_第2页
2/8
仓库应急应急救援预案剖析_第3页
3/8
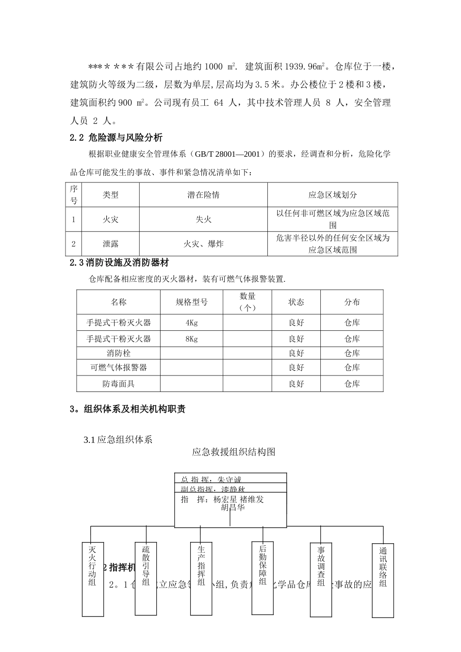
******公司化学品仓库应急救援预案化学品仓库应急救援预案1.总则1.1 编制目的为加强对化学品仓库安全事故的防范,快速和有效地应对可能发生的安全事故(险情),实施应急救援工作,最大限度地降低危险化学品仓库安全事故所造成的人员伤亡和财产损失,维护国家利益和职工的生命安全。1.2 编制依据依据《中华人民共和国安全生产法》、《危险化学品安全管理条例》,《安徽省安全生产条例》、《生产安全事故报告和调查处理条例》(中华人民共和国国务院第 493 号令)和《生产经营单位安全生产事故应急预案编制导则(AQ/T 9002—2024)》以及其他有关法律法规和政策的要求和宝安区政府的有关规定,结合危险化学品仓库的特点,制定本预案。1。3 使用范围 本预案适用于化学品仓库可能发生的安全事故。1。4 工作原则(1)以人为本,安全第一.始终把保护职工的生命安全和身体健康、最大限度地预防和减少化学品仓库事故造成的人员伤亡作为首要任务。(2)统一领导,分级负责。在公司的统一领导下,各部门根据各自职责和权限,负责有关危险化学品仓库事故的应急管理和应急工作。(3)预防为主,坚持事故灾难救援和预防工作相结合,立足于自救、互救。以自我保护、自我生存为基点,处理问题时要保持冷静,实行果断措施,在非常情况下实施有效的救援。2. 危险化学品仓库可能面临的危险性(危险源)分析2.1 企业基本情况*******有限公司占地约 1000 m2. 建筑面积 1939.96m2。仓库位于一楼,建筑防火等级为二级,层数为单层,层高均为 3.5 米。办公楼位于 2 楼和 3 楼,建筑面积约 900 m2。公司现有员工 64 人,其中技术管理人员 8 人,安全管理人员 2 人。2.2 危险源与风险分析根据职业健康安全管理体系(GB/T 28001—2001)的要求,经调查和分析,危险化学品仓库可能发生的事故、事件和紧急情况清单如下:序号类型潜在险情应急区域划分1火灾失火以任何非可燃区域为应急区域范围2泄露火灾、爆炸危害半径以外的任何安全区域为应急区域范围2.3 消防设施及消防器材仓库配备相应密度的灭火器材,装有可燃气体报警装置.名称规格型号数量(个)状态分布手提式干粉灭火器4Kg良好仓库手提式干粉灭火器8Kg良好仓库消防栓良好仓库可燃气体报警器良好仓库防毒面具良好仓库3。组织体系及相关机构职责3.1 应急组织体系应急救援组织结构图 3.2 指挥机构3。2。1 仓库成立应急领导小组,负责危险化学品仓库安全事故的应急救总 指 挥:朱守诚...

1、当您付费下载文档后,您只拥有了使用权限,并不意味着购买了版权,文档只能用于自身使用,不得用于其他商业用途(如 [转卖]进行直接盈利或[编辑后售卖]进行间接盈利)。
2、本站所有内容均由合作方或网友上传,本站不对文档的完整性、权威性及其观点立场正确性做任何保证或承诺!文档内容仅供研究参考,付费前请自行鉴别。
3、如文档内容存在违规,或者侵犯商业秘密、侵犯著作权等,请点击“违规举报”。

碎片内容

仓库应急应急救援预案剖析

津创媒+ 关注
实名认证
内容提供者

欢迎交流文创,小店资料希望满足您的需要。

确认删除?
VIP
微信客服
  • 扫码咨询
会员Q群
  • 会员专属群点击这里加入QQ群
客服邮箱
回到顶部