电脑桌面
添加小米粒文库到电脑桌面
安装后可以在桌面快捷访问

地铁施工记录、隐蔽工程检查记录

地铁施工记录、隐蔽工程检查记录_第1页
1/47
地铁施工记录、隐蔽工程检查记录_第2页
2/47
地铁施工记录、隐蔽工程检查记录_第3页
3/47
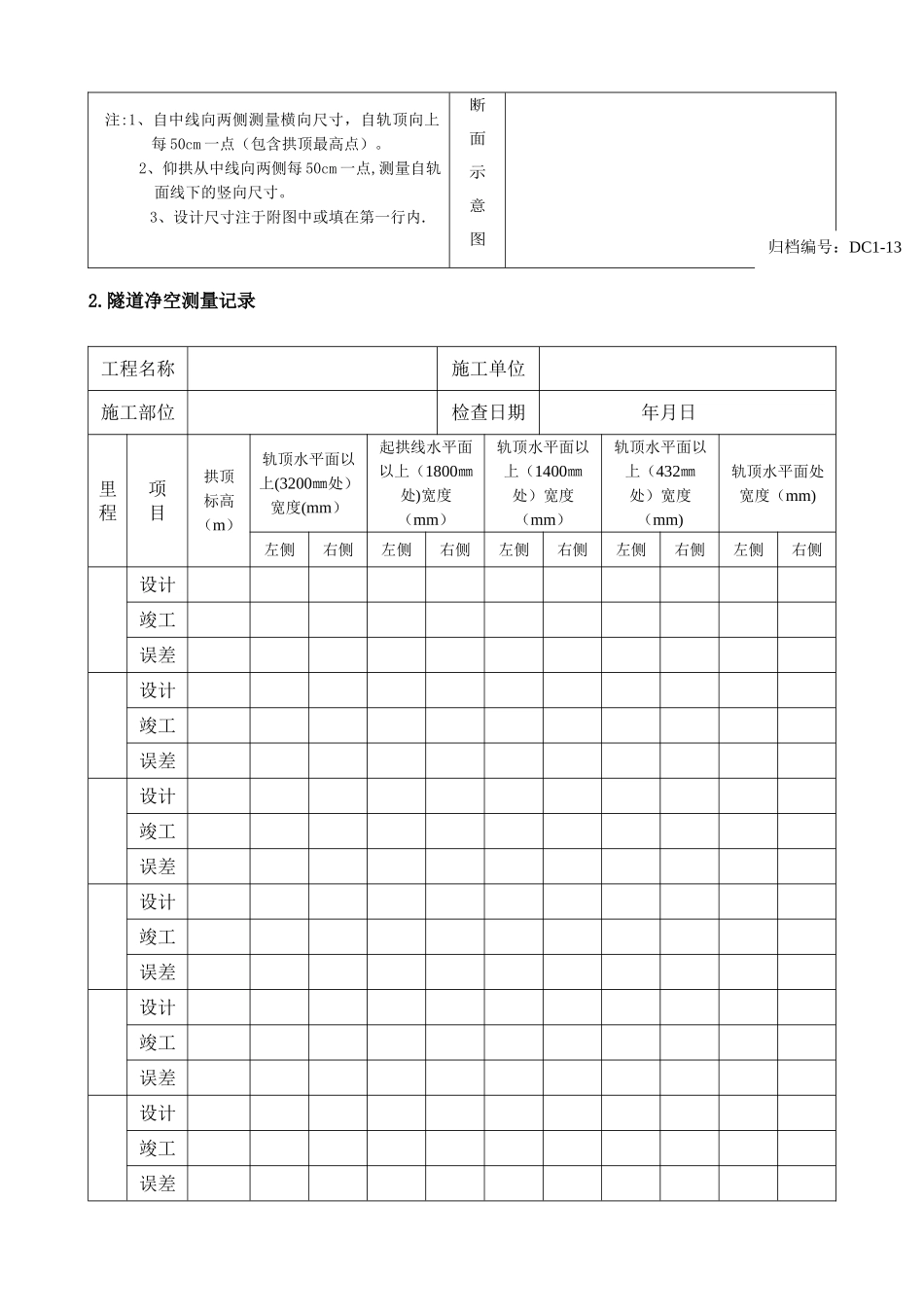
目录1.初期支护净空测量记录 32 。 隧道净空测量记录 3 3 。 降水井施工记录 4 4 。 管井井点降水记录表 5 5 。 基坑降水与排水工程检查记录 6 6 。 钻孔桩钻进记录表 6 7. 钢围檩安装检查记录 7 8. 钢支撑安装检查记录 8 9 。 钢立柱安装检查记录 9 10. 混凝土垫层工程隐蔽检查记录 10 11. 卷材防水层隐蔽检查记录 10 12 。 塑料板防水层隐蔽检查记录 11 13. 水泥砂浆防水层隐蔽检查记录 12 14 。 涂料防水层隐蔽检查记录 13 15. 开挖断面及地质检查记录 14 16 。 暗挖区间隧道基面隐蔽检查记录 15 17 。 隧道格栅钢架架立隐蔽检查记录 16 18 。 隧道网喷混凝土工程隐蔽检查记录 17 19 。 复合式衬砌隐蔽检查记录 18 20 。 隧道二次衬砌厚度隐蔽检查记录 19 21 。 杂散电流防护隐蔽检查记录 20 22 。 细部构造施工记录表 21 23 。 防水混凝土施工记录表 22 24 。 土层锚杆(索)钻孔施工记录 23 25. 土层锚杆(索)注浆施工记录表 24 26 。 土层锚杆(索)工程隐蔽检查记录 25 27. 喷锚支护施工记录表 26 28. 超前导管、管棚施工记录 27 29 。 注浆施工记录表 28 30 。 壁后注浆施工记录表 29 31. 衬砌裂缝注浆施工记录表 30 32 。 隧道开挖施工记录 31 33. 隧道支护施工记录 31 34 。 喷射混凝土施工 32 35. 混凝土浇筑申请书 33 36 。 混凝土浇筑施工记录 35 37. 明挖单线隧道净空检查表 36 38 。 明挖双线区间隧道净空检查表 37 39. 土层锚杆 ( 索 ) 加荷试验记录表 38 40 。 土层锚杆(索 ) 张拉记录表 39 41 。 预制钢筋混凝土管片出厂合格证 40 42 。 进场管片检验记录表 41 43. 盾构掘进施工记录表 41 44. 盾构管片拼装记录表 42 45. 钢筋隐蔽工程检查验收记录 43 46 。 高压旋喷桩施工记录表 44 47 。 通用隐蔽工程检查记录 46 48. 其他施工技术资料 47 1。初期支护净空测量记录 编号: 工程名称施工单位施工部位检查日期年 月 日序号桩号部位线路中心左侧(mm)线路中心右侧(mm)12345678910111234567891011设计值拱部边墙仰拱拱部边墙仰拱拱部边墙仰拱拱部边墙仰拱技术负责人质检员记录人归档编号:DC1-12注:1、自中线向两侧测量横向尺寸,自轨顶向上每 50cm 一点(包含拱顶最高点)。2、仰拱从中线向两侧每 50cm 一点,测量自轨面线下的...

1、当您付费下载文档后,您只拥有了使用权限,并不意味着购买了版权,文档只能用于自身使用,不得用于其他商业用途(如 [转卖]进行直接盈利或[编辑后售卖]进行间接盈利)。
2、本站所有内容均由合作方或网友上传,本站不对文档的完整性、权威性及其观点立场正确性做任何保证或承诺!文档内容仅供研究参考,付费前请自行鉴别。
3、如文档内容存在违规,或者侵犯商业秘密、侵犯著作权等,请点击“违规举报”。

碎片内容

地铁施工记录、隐蔽工程检查记录

您可能关注的文档

确认删除?
VIP
微信客服
  • 扫码咨询
会员Q群
  • 会员专属群点击这里加入QQ群
客服邮箱
回到顶部