电脑桌面
添加小米粒文库到电脑桌面
安装后可以在桌面快捷访问

场地改造方案1

场地改造方案1_第1页
1/2
场地改造方案1_第2页
2/2
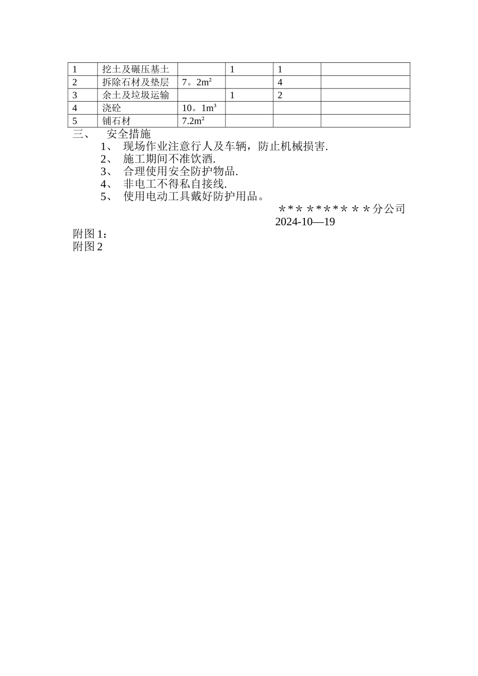
******前场地改造方案***************2024 年 10 月 19 日一、现场情况: *********大门口人行道与道路之间有台阶,根据建设单位要求,车辆需进入*********院内,需将人行道与道路之间石材地面改为坡道;另外辅道与 319 国道之间没有硬化,经过长期车辆碾压,现已经形成坑洼,根据建设单位要求需将辅道与 319 国道之间形成坡道,并进行硬化。具体见附图 1。二、施工措施及方案1、 人行道与道路之间石材地面改造:根据甲方要求,道路进口宽度 8.0m,坡道长度 0.6m,故先将原贴好的石材路面人工拆除 9。0m 长,0.8m 宽,人工拆除原垫层 9。0m长,0。8m 宽,人工挖土。人工夯实开挖后场地,根据坡度现浇砼垫层,铺贴场地石材,勾缝,清扫地面。2、 辅道与 319 国道硬化:根据建设单位要求需将辅道与 319 国道之间形成坡道,现场采纳挖掘机挖除土方,挖土厚度控制在 0。45m±20mm,垫 200mm 厚碎石,250mm 厚 C25 混凝土面层。3、 余土及垃圾运输:挖出余土及拆除垃圾采纳翻斗车外运至古城路,运距 1.5Km。4、 估计使用人工及车辆台班序号工序名称工程量采纳机械增加人工备注1挖土及碾压基土112拆除石材及垫层7。2m²43余土及垃圾运输124浇砼10。1m³5铺石材7.2m²三、安全措施1、 现场作业注意行人及车辆,防止机械损害.2、 施工期间不准饮酒.3、 合理使用安全防护物品.4、 非电工不得私自接线.5、 使用电动工具戴好防护用品。**********分公司 2024-10—19附图 1:附图 2

1、当您付费下载文档后,您只拥有了使用权限,并不意味着购买了版权,文档只能用于自身使用,不得用于其他商业用途(如 [转卖]进行直接盈利或[编辑后售卖]进行间接盈利)。
2、本站所有内容均由合作方或网友上传,本站不对文档的完整性、权威性及其观点立场正确性做任何保证或承诺!文档内容仅供研究参考,付费前请自行鉴别。
3、如文档内容存在违规,或者侵犯商业秘密、侵犯著作权等,请点击“违规举报”。

碎片内容

场地改造方案1

您可能关注的文档

确认删除?
VIP
微信客服
  • 扫码咨询
会员Q群
  • 会员专属群点击这里加入QQ群
客服邮箱
回到顶部