电脑桌面
添加小米粒文库到电脑桌面
安装后可以在桌面快捷访问

城区天然气管道施工组织设计

城区天然气管道施工组织设计_第1页
1/34
城区天然气管道施工组织设计_第2页
2/34
城区天然气管道施工组织设计_第3页
3/34
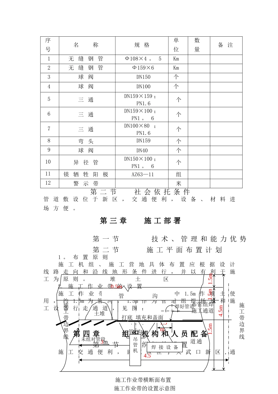
第 一 章 技 术 文 件 编 制 说 明第一节 文件依据1 项 目 招 标 文 件2 中 压 管 道 平 面 走 向 示 意 图第二节 国家和行业相关标准、法律规范1 《 输 油 输 气 管 道 线 路 工 程 施 工 及 验 收 法 律规 范 》 ( CJJ63——95 )2 《 埋 地 钢 质 管 道 牺 牲 阳 极 保 护 设 计 法 律 规范 》 ( SY/T0019—97) ;3 《 关 于 处 理 石 油 管 道 和 天 然 气 管 道 与 公路 相 互 关 系 的 若 干 规 定 》 ( 试 行 ) (78) 交 公 路 字698 号 , ( 78 ) 油 化 管 道 安 452 号 )4 《 工 程 测 量 法 律 规 范 》 ( GB50026—93 ) ;5 《城镇燃气输配工程施工及验收法律规范 》 ( CJJ33—2024)6 《 埋 地 钢 质 管 道 环 氧 煤 沥 青 防 腐 层 技 术 标准 》 ( SY/T0447—1996)7 《钢质管道穿越铁路和公路推举做法》( SY/T0325—2001)8 《管道干线标记设置技术规定》(SY/T6064—94 )9 《钢质管道熔结环氧粉末外涂层技术标准 》 ( SY/0315- 97 )10 《 城 市 燃 气 设 计 法 律 规 范 》 (GB50028-2024 )11《 钢 溶 化 焊 接 对 接 接 头 射 线 照 像 和 质 量分 析 》 ( GB/3323—87 )12《 石 油 天 然 气 工 业 输 送 钢 管 交 货 技 术 条件 第 一 部 分 :a 级 钢 管 》 ( GB/T9711 。 1—1997 ) ;13 《 阀 门 的 检 测 与 安 装 法 律 规 范 》 ( SY/T4102- 95)14 《 碳 钢 焊 条 》 GB/T5117 - 1995 )15《钢制管道及验收法律规范》SY/T4103 -1995)16《 管 道 工 程 施 工 环 境 暂 行 规 定 》 ( 中 管工 字 [2000] 第 179 号 )17《 现 场 设 备 、 工 业 管 道 焊 接 工 程 施 工 及验 收 法 律 规 范 》 ( GB50236-98)18 《 石 油 天 然 气 管 道 保 护 条 例 》19 《 工 业 金 属 管 道 工 程 施 工 及 验 收 法 律 规范 》 (GB50235—97)第三节 本公司文件1 《 压 力 管 道 安 装 质 量 保 证 手 册 》 及 体 系 文件 GB/T19002-1994 i dt ISO9002 ;2 《 质 量 保 证 手 册 》 及 体 系 文 件 ...

1、当您付费下载文档后,您只拥有了使用权限,并不意味着购买了版权,文档只能用于自身使用,不得用于其他商业用途(如 [转卖]进行直接盈利或[编辑后售卖]进行间接盈利)。
2、本站所有内容均由合作方或网友上传,本站不对文档的完整性、权威性及其观点立场正确性做任何保证或承诺!文档内容仅供研究参考,付费前请自行鉴别。
3、如文档内容存在违规,或者侵犯商业秘密、侵犯著作权等,请点击“违规举报”。

碎片内容

城区天然气管道施工组织设计

确认删除?
VIP
微信客服
  • 扫码咨询
会员Q群
  • 会员专属群点击这里加入QQ群
客服邮箱
回到顶部