电脑桌面
添加小米粒文库到电脑桌面
安装后可以在桌面快捷访问

2025年九年级物理全册20.3电磁铁电磁继电器学案新人教版

2025年九年级物理全册20.3电磁铁电磁继电器学案新人教版_第1页
1/5
2025年九年级物理全册20.3电磁铁电磁继电器学案新人教版_第2页
2/5
2025年九年级物理全册20.3电磁铁电磁继电器学案新人教版_第3页
3/5
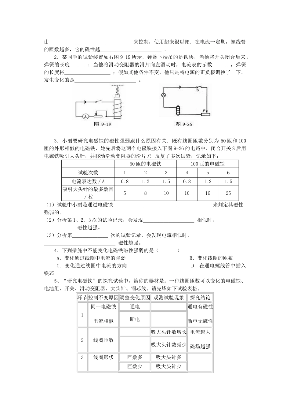
第三节 -年九年级物理全册 20.3 电磁铁 电磁继电器学案 新人教版导学目的知识点:1、 理解什么是电磁铁。懂得电磁铁的特性和工作原理。2、 理解影响电磁铁磁性强弱的原因。导学措施:讲授法 试验法课 时:1 课时课前导学1、我们把插入 的 叫电磁铁。它 时有磁性, 无磁性。2、电磁铁的磁性强弱与 和 及有无 有关。课堂导学 1、 电磁铁演示试验:取一种带有铁芯的螺线管、某些大头针,将螺线管通电,靠近大头针,观测发生的现象,然后断开电路,观测发生的现象。现象表明:螺线管通电时 ,断电时 。我们把 叫电磁铁。它运用于我们生活的诸多领域。2、 怎样使电磁铁的磁性强演示试验:将刚刚的试验电路图中加一种滑动变阻器,闭合电路,调整变阻器的滑片 ,使电路中电流的大小发生变化,观测吸引大头针的数目有什么变化。试验现象表明: 。那么电磁铁的磁性强弱还跟什么原因有关呢?探究试验:问:怎样判断电磁铁磁性强弱?答: 。猜想:电磁铁的磁性强弱与 有关。设计试验(学生在老师的引导下设计试验,注意变量的控制)。进行试验,完毕下面的表格。试验次数保持不变的原因变化的原因实 验 现 象判 断12试验结论:影响电磁铁磁性强弱的原因有 、 、 。带有 , 越强, 越多,磁性就越强。简单解释电磁铁强弱的几种原因。简介电磁铁的几种详细应用:电磁起重机,电磁选矿机等等。教师引导、学生归纳小结课堂练习1. 内部带铁心的螺线管叫 ,电磁铁的长处诸多,它的磁性有无可以由 来控制;电磁铁的磁性强弱可以由 来 控 制 ; 电 磁 铁 的 南 北 极 可 以由 来控制,使用起来很以便.在电流一定期,螺线管的匝数越多,它的磁性越 .2.某同学的试验装置如右图 9-19 所示,弹簧下端吊的是铁块,当他将开关闭合后来,弹簧的长度_______;当他将滑动变阻器的滑片向左滑动时,电流表的示数_______,弹簧的长度将 ;假如其他条件不变,他只是将电源的正负极调换了一下,发生变化的是 。 3.小丽要研究电磁铁的磁性强弱跟什么原因有关.既有线圈匝数分别为 50 匝和 100匝的外形相似的电磁铁,她先后将这两个电磁铁接入下图 9-26 的电路中.闭合开关 S 后用电磁铁吸引大头针,并移动滑动变阻器的滑片 P.反复了多次试验,记录如下: 50 匝的电磁铁100 匝的电磁铁试验次数123456电流表达数/A0.81.21.50.81.21.5吸引大头针的最多数目/枚5810101625(1)试验中小丽是通过电磁铁 来...

1、当您付费下载文档后,您只拥有了使用权限,并不意味着购买了版权,文档只能用于自身使用,不得用于其他商业用途(如 [转卖]进行直接盈利或[编辑后售卖]进行间接盈利)。
2、本站所有内容均由合作方或网友上传,本站不对文档的完整性、权威性及其观点立场正确性做任何保证或承诺!文档内容仅供研究参考,付费前请自行鉴别。
3、如文档内容存在违规,或者侵犯商业秘密、侵犯著作权等,请点击“违规举报”。

碎片内容

2025年九年级物理全册20.3电磁铁电磁继电器学案新人教版

卷上珠帘+ 关注
实名认证
内容提供者

该用户很懒,什么也没介绍

确认删除?
VIP
微信客服
  • 扫码咨询
会员Q群
  • 会员专属群点击这里加入QQ群
客服邮箱
回到顶部