电脑桌面
添加小米粒文库到电脑桌面
安装后可以在桌面快捷访问

2025年给排水及采暖工程竣工资料替换名称即可全套打印的模板

2025年给排水及采暖工程竣工资料替换名称即可全套打印的模板_第1页
1/78
2025年给排水及采暖工程竣工资料替换名称即可全套打印的模板_第2页
2/78
2025年给排水及采暖工程竣工资料替换名称即可全套打印的模板_第3页
3/78
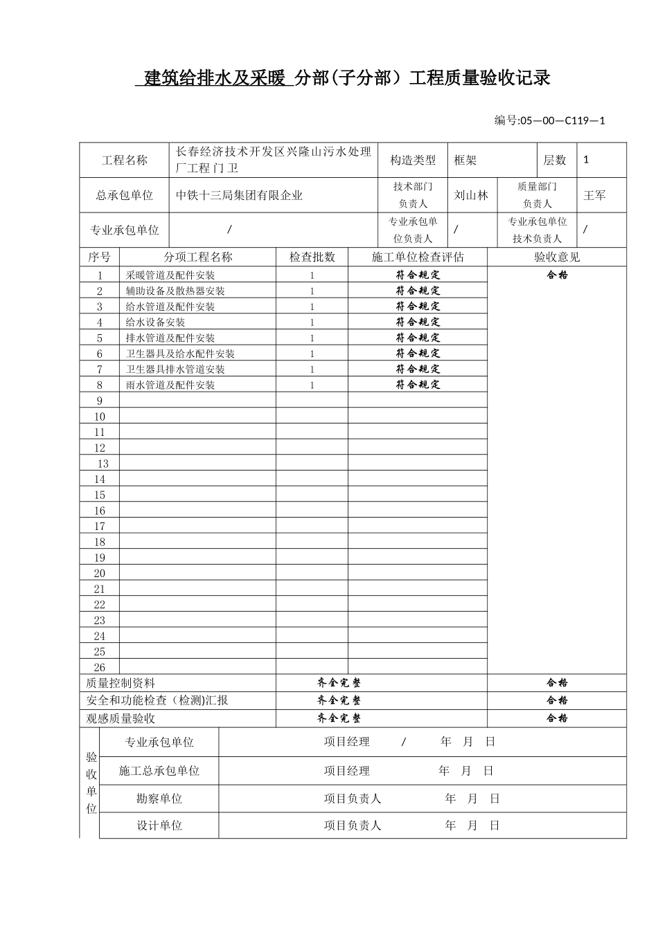
门 卫建筑给水排水及采暖竣工资料【 】建筑给水排水及采暖分部验收报验申请表工程名称长春经济技术开发区兴隆山污水处理厂工程 门 卫编号05—00—C010—1致:长春市政建设工程监理企业(监理单位) 我单位已完毕了 门 卫 建筑给水排水及采暖分部 工作,现报上该工程报验申请表,请予以审查和验收。附件:项目经理部 (章) 项目经理 日 期 审查意见:项目监理机构(章) 总/专业监理工程师 日 期 建筑给排水及采暖 分部(子分部)工程质量验收记录编号:05—00—C119—1工程名称长春经济技术开发区兴隆山污水处理厂工程 门 卫构造类型框架层数 1总承包单位中铁十三局集团有限企业技术部门负责人刘山林质量部门负责人王军专业承包单位/专业承包单位负责人/专业承包单位技术负责人/序号分项工程名称检查批数施工单位检查评估验收意见1采暖管道及配件安装1符合规定合格2辅助设备及散热器安装1符合规定3给水管道及配件安装1符合规定4给水设备安装1符合规定5排水管道及配件安装1符合规定6卫生器具及给水配件安装1符合规定7卫生器具排水管道安装1符合规定8雨水管道及配件安装1符合规定91011121314151617181920212223242526质量控制资料齐全完整合格安全和功能检查(检测)汇报齐全完整合格观感质量验收齐全完整合格验收单位专业承包单位项目经理 / 年 月 日施工总承包单位项目经理 年 月 日勘察单位项目负责人 年 月 日设计单位项目负责人 年 月 日监理(建设)单位总监理工程师或建设单位项目专业负责人 年 月 日室内给水系统子分部报验申请表工程名称长春经济技术开发区兴隆山污水处理厂工程 门 卫编号05-01—C010-5致:长春市政建设工程监理企业(监理单位) 我单位已完毕了 门 卫 室内给水系统子分部 工作,现报上该工程报验申请表,请予以审查和验收。附件:项目经理部 (章) 项目经理 日 期 审查意见:项目监理机构(章) 总/专业监理工程师 日 期 室内给水 分部(子分部)工程质量验收记录编号:05-01-C119—1工程名称长春经济技术开发区兴隆山污水处理厂工程 门 卫构造类型框架层数 1总承包单位中铁十三局集团有限企业技术部门负责人刘山林质量部门负责人王军专业承包单位/专业承包单位负责人/专业承包单位技术负责人/序号分项工程名称检查批数施工单位检查评估验收意见1给水管道及配件安装1合格符合施工质量验收规范,验收合格2给水设备安装1合格34567891011121314151617181920212223242526质量控...

1、当您付费下载文档后,您只拥有了使用权限,并不意味着购买了版权,文档只能用于自身使用,不得用于其他商业用途(如 [转卖]进行直接盈利或[编辑后售卖]进行间接盈利)。
2、本站所有内容均由合作方或网友上传,本站不对文档的完整性、权威性及其观点立场正确性做任何保证或承诺!文档内容仅供研究参考,付费前请自行鉴别。
3、如文档内容存在违规,或者侵犯商业秘密、侵犯著作权等,请点击“违规举报”。

碎片内容

2025年给排水及采暖工程竣工资料替换名称即可全套打印的模板

您可能关注的文档

确认删除?
VIP
微信客服
  • 扫码咨询
会员Q群
  • 会员专属群点击这里加入QQ群
客服邮箱
回到顶部