电脑桌面
添加小米粒文库到电脑桌面
安装后可以在桌面快捷访问

2025年工程质量保证体系全套

2025年工程质量保证体系全套_第1页
1/10
2025年工程质量保证体系全套_第2页
2/10
2025年工程质量保证体系全套_第3页
3/10
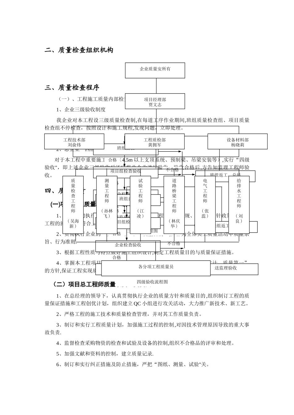
XXXXXXXX 工程工程质量保证体系编 制 人:审 核 人:审 批 人:编制单位:X XXXXXX 有限企业 编制日期:XXX 年 XX 月 XX 日 工程质量保证体系第一节、质量目的本工程质量目的:工程质量竣工验收为合格.为保证本工程达到所规定的质量目的,根据我司以往的施工管理经验以及本工程的特点.我司将采用项目目的管理法施工机制及项目经理负责制,企业各有关职能部门全力配合。工程施工质量管理完全按照我司所认证的 ISO9002 质量体系进行全过程的质量控制。在本工程的建设中,规定全体施工人员都要牢固树立“质量第一”的意识,贯彻“质量第一求效益,顾客至上得信誉”的企业宗旨,以“精心施工、严格规定、事前控制、杜绝返工"的指导思想,认真看待每个施工环节.第二节、质量控制原则本工程质量控制原则:按照本工程招标文献《技术规范》、施工图纸、交通部颁发的现行公路工程的技术规范、规程及原则以及国家、省、市有关规范规定进行.第三节、质量保证体系一、质量保证体系见下页图:《质量保证体系图》。质量保证体系图进行平常质量管理,负责组织协调、督促检查各部门各级质量活动并进行质量反馈。组织隐检、预检和验收。组织图纸自审和会审,编制实行性施组,做好技术交底,加强技术交流和技术培训。保证项目部优质高效完毕施工任务。搞好工程控制测量和复测,保证施工测量精度。做好材料进场的验收和抽检,负责现场试验工作。采购质优价廉的材料并提供质量证明,搞好材料的限额发放管理。实行以管好、用好、维修好机械设备为中心的质量责任制,做好设备检查鉴定,填好运行记录。查对各阶段施工班组完毕的工程数量和施工质量,把经济利益与进度、质量挂钩,奖优惩劣。以“百年大计,质量为本”为中心开展教育活动。广泛开展 QC 小组活动。定期开展有针对性的质量教育活动并组织考核。每月底组织工程质量检查评比不定期进行质量评估分析会。质检组技术组测量组试验组材料组设备组核算组宣传教育组质量领导小组组员:项目经理总工程师项目副经理质检工程师试验工程师施工组主管组织保证质量保证体系制度保证施工保证工程质量检验达到目的工 程质量评定设备、材料检验工序质量检验分项工程质量检验分部工 程质量检验二、质量检查组织机构质量组织机构图三、质量检查程序(一)、工程施工质量内部检查制度1、企业三级验收制度我企业对本工程设三级质量检查制,在每道工序作业期间,班组质量检查组、项目质量检查组不停检查,按照设计和施...

1、当您付费下载文档后,您只拥有了使用权限,并不意味着购买了版权,文档只能用于自身使用,不得用于其他商业用途(如 [转卖]进行直接盈利或[编辑后售卖]进行间接盈利)。
2、本站所有内容均由合作方或网友上传,本站不对文档的完整性、权威性及其观点立场正确性做任何保证或承诺!文档内容仅供研究参考,付费前请自行鉴别。
3、如文档内容存在违规,或者侵犯商业秘密、侵犯著作权等,请点击“违规举报”。

碎片内容

2025年工程质量保证体系全套

山水人家+ 关注
实名认证
内容提供者

读万卷书,行万里路。

确认删除?
VIP
微信客服
  • 扫码咨询
会员Q群
  • 会员专属群点击这里加入QQ群
客服邮箱
回到顶部