电脑桌面
添加小米粒文库到电脑桌面
安装后可以在桌面快捷访问

基坑支护检查验收表

基坑支护检查验收表_第1页
1/3
基坑支护检查验收表_第2页
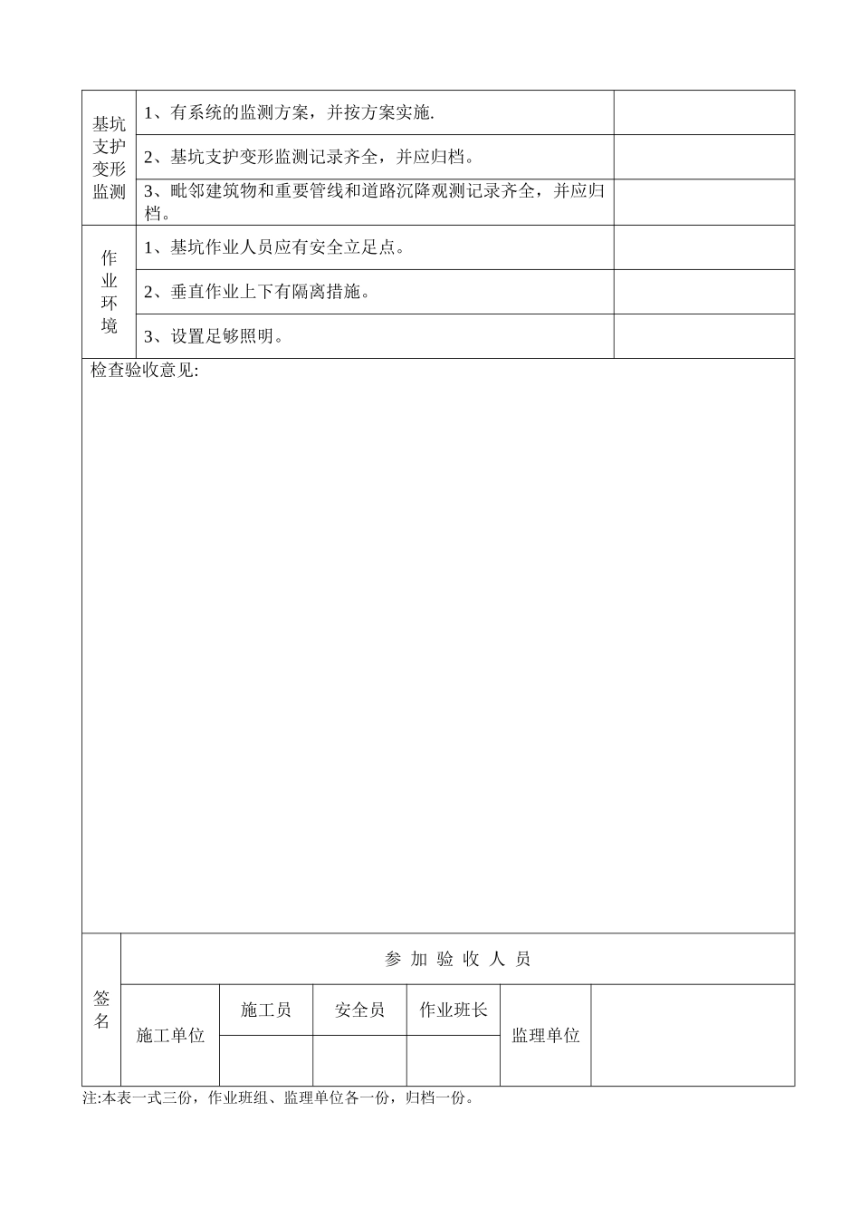
2/3
基坑支护检查验收表_第3页
3/3
基 坑 支 护 检 查 验 收 表施工企业工程名称检查部位检查时间检查项目内 容 和 要 求检查结果施工方案1、有针对性的能指导施工的支护方案。2、基坑(槽)深度大于等于 5m,应有专项支护设计。3、支护方案和专项支护设计经上级批准。坑壁支护1、坑槽开挖设置安全边坡符合安全要求.2、特别支护应符合设计方案要求。3、支护设施产生局部变形的,应实行可靠措施,加以控制。排水措施1、基坑排水措施符合施工方案要求。2、基坑降水有防止临近建筑物沉降的措施。3、有防止地表水流入坑内的措施.坑边荷载1、积土、料具距坑边距离小于施工方案规定。2、机械设备距坑边距离小于施工方案要求.临边防护1、基坑周边必须设置防护栏杆,防护栏杆应符合要求,栏杆离边口的距离不应小于 50cm。2、设置安全标志。夜间设红等示警。上下通道1、要有人员上下的专用通道。2、专用通道符合施工方案要求。土方开挖1、施工机械进场已通过验收,并有记录.2、司机持证上刚岗。3、挖土机作业半径内严禁站人。4、挖土机作业位置应牢固、安全.5、按施工方案规定程序挖土,严禁超挖。甘肃省建设安全监督总站编制(不准翻印)基坑支护变形监测1、有系统的监测方案,并按方案实施.2、基坑支护变形监测记录齐全,并应归档。3、毗邻建筑物和重要管线和道路沉降观测记录齐全,并应归档。作业环境1、基坑作业人员应有安全立足点。2、垂直作业上下有隔离措施。3、设置足够照明。检查验收意见:签名参 加 验 收 人 员施工单位施工员安全员作业班长监理单位注:本表一式三份,作业班组、监理单位各一份,归档一份。甘肃省建设安全监督总站编制(不准翻印)

1、当您付费下载文档后,您只拥有了使用权限,并不意味着购买了版权,文档只能用于自身使用,不得用于其他商业用途(如 [转卖]进行直接盈利或[编辑后售卖]进行间接盈利)。
2、本站所有内容均由合作方或网友上传,本站不对文档的完整性、权威性及其观点立场正确性做任何保证或承诺!文档内容仅供研究参考,付费前请自行鉴别。
3、如文档内容存在违规,或者侵犯商业秘密、侵犯著作权等,请点击“违规举报”。

碎片内容

基坑支护检查验收表

范哲铺+ 关注
实名认证
内容提供者

想你所想,急你所急,你需要的都在店铺里可以找到。

确认删除?
VIP
微信客服
  • 扫码咨询
会员Q群
  • 会员专属群点击这里加入QQ群
客服邮箱
回到顶部