电脑桌面
添加小米粒文库到电脑桌面
安装后可以在桌面快捷访问

基坑支护混凝土支撑梁施工方案

基坑支护混凝土支撑梁施工方案_第1页
1/15
基坑支护混凝土支撑梁施工方案_第2页
2/15
基坑支护混凝土支撑梁施工方案_第3页
3/15
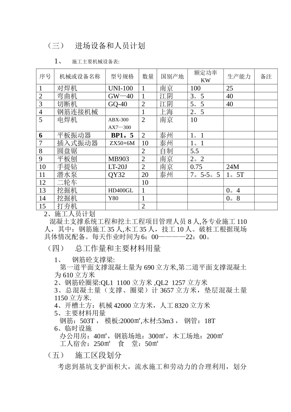
江苏国际图书中心基坑支护混凝土支撑梁系统施工方案二 00 五年五月目 录一、工程概况江苏国际图书中心工程位于南京市玄武门湖南路与中央路交汇口的西南侧。为 L 型,基坑面积 12000㎡,东西长158。1m,南北宽 117。9m,周边总长 552m,大面积开挖深度约为 15.90m.基坑支护采纳内侧钻孔灌注桩,外侧深搅止水桩加三道水平支撑组成.其中第一道,第二道是钢筋砼支撑,第三道为钢支撑,方案另报。第一道支撑由桩顶钢筋砼圈梁QL1,钢格构架砼立柱,钢筋砼水平支撑组成.钢筋砼圈梁2100×850,2500×850,水平支撑主杆为 600×750,550×650,支撑系杆 550×650,450×450。第二道支撑采纳沿基坑周边桩内侧设置钢筋砼 QL2,钢格构架砼立柱,钢筋砼水平支撑杆,组成支撑体系。钢筋砼圈梁上、下各用 1 Φ25 钢筋吊于桩身上,其截面尺寸为 1500×900,支撑主杆 750×850,支撑系杆600×700.水平支撑体系所用钢筋为 I 、II 级。钢筋规格 Φ32、 Φ25、 Φ18、 Φ14、Φ8。砼等级 C30。混凝土支撑系统总工程量为 3657m3,混凝土垫层工程量为 1150m3。二、施工部署(一)管理目标 工期:开工时间:2024 年 6 月 15 日,其总进度根据土方施工进度确定。 质量:达到《建筑工程施工质量验收统一标准》(GB50300—2001)的规定。 安全:确保安全无事故。(二)施工管理机构 我公司实行项目管理,成立项目经理部。根据公司服务控制,项目援权管理,专业施工保障,各方通力协作的模式,卓有成效地实施质量方针与目标。1、项目管理组成机构如下图:2、施工管理人员一览表:现场总负责 朱日呈技术总负责 王中介技 术 员 周正刚质 检 员 王中介安 全 员 陈厚乐钢筋班长 戴国乾木工班长 陶显付电工班长 庞小虎后勤材料员 朱祥生项目经理项目副经理项目工程师财务后勤材料设备安全技术施工质检技术资料施工技术各作业班组(三)进场设备和人员计划1、施工主要机械设备表:序号机械或设备名称型号规格数量国别产地额定功率KW生产能力备注1对焊机UNI-1001南京100252弯曲机GW—401江阴3.5403切断机GQ-402江阴5.5404钢筋连接机械1上海2.55电焊机ABX-300AX7—3002南京106平板振动器BP1。52泰州1.17插入式振动器ZX50×6M10泰州1。18圆盘锯2自制5.59平板刨MB9032南京2。210手提钻LT-20J2南京0.7524M11潜水泵QY3220泰州7。5-5。51。5T12二轮车1013挖掘机HD400GL10。414挖掘机Y8010。815打夯机22、施工人员计划 混凝土支撑系统工程和挖...

1、当您付费下载文档后,您只拥有了使用权限,并不意味着购买了版权,文档只能用于自身使用,不得用于其他商业用途(如 [转卖]进行直接盈利或[编辑后售卖]进行间接盈利)。
2、本站所有内容均由合作方或网友上传,本站不对文档的完整性、权威性及其观点立场正确性做任何保证或承诺!文档内容仅供研究参考,付费前请自行鉴别。
3、如文档内容存在违规,或者侵犯商业秘密、侵犯著作权等,请点击“违规举报”。

碎片内容

基坑支护混凝土支撑梁施工方案

您可能关注的文档

确认删除?
VIP
微信客服
  • 扫码咨询
会员Q群
  • 会员专属群点击这里加入QQ群
客服邮箱
回到顶部