电脑桌面
添加小米粒文库到电脑桌面
安装后可以在桌面快捷访问

天然气管道防腐方案

天然气管道防腐方案_第1页
1/5
天然气管道防腐方案_第2页
2/5
天然气管道防腐方案_第3页
3/5
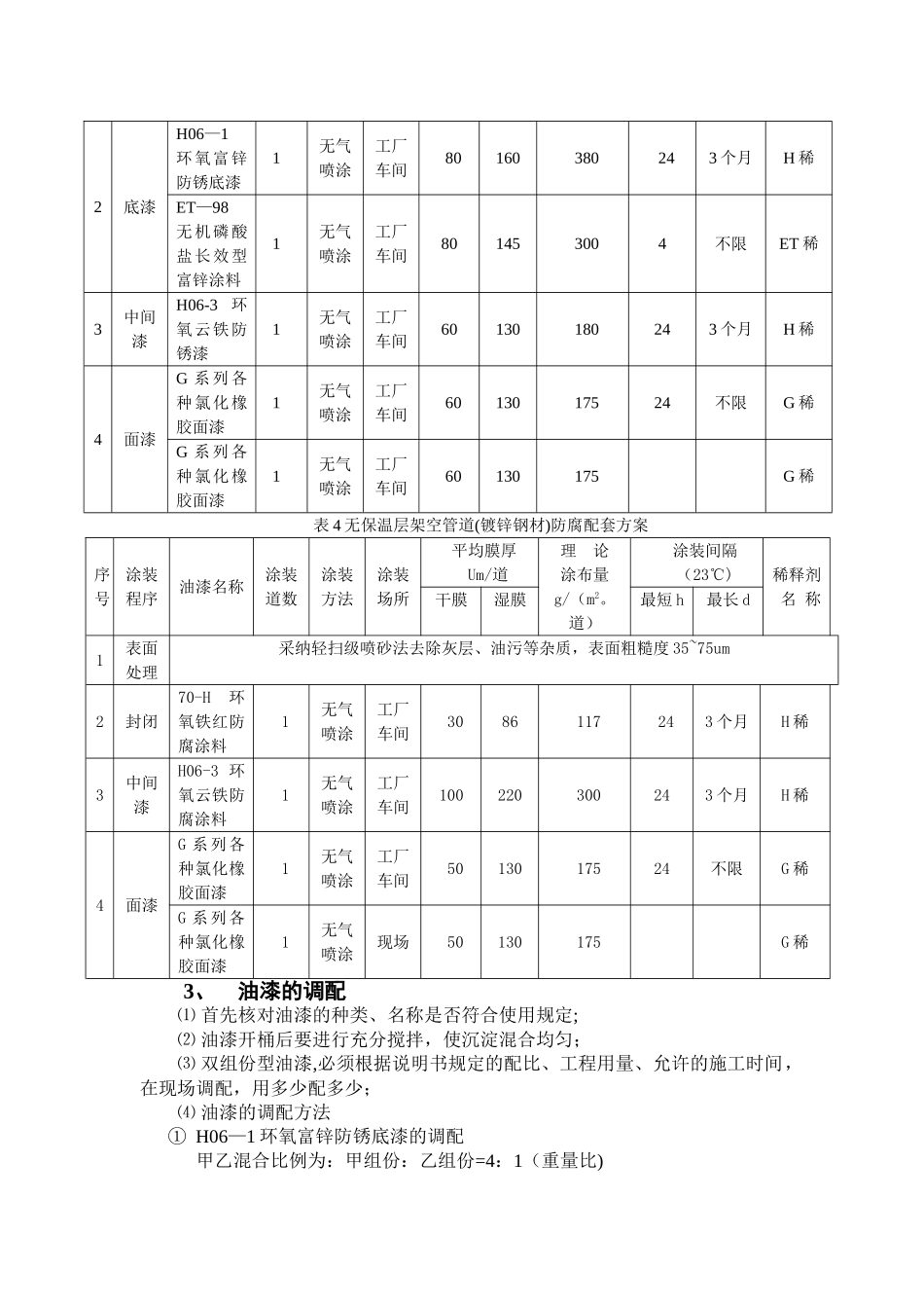
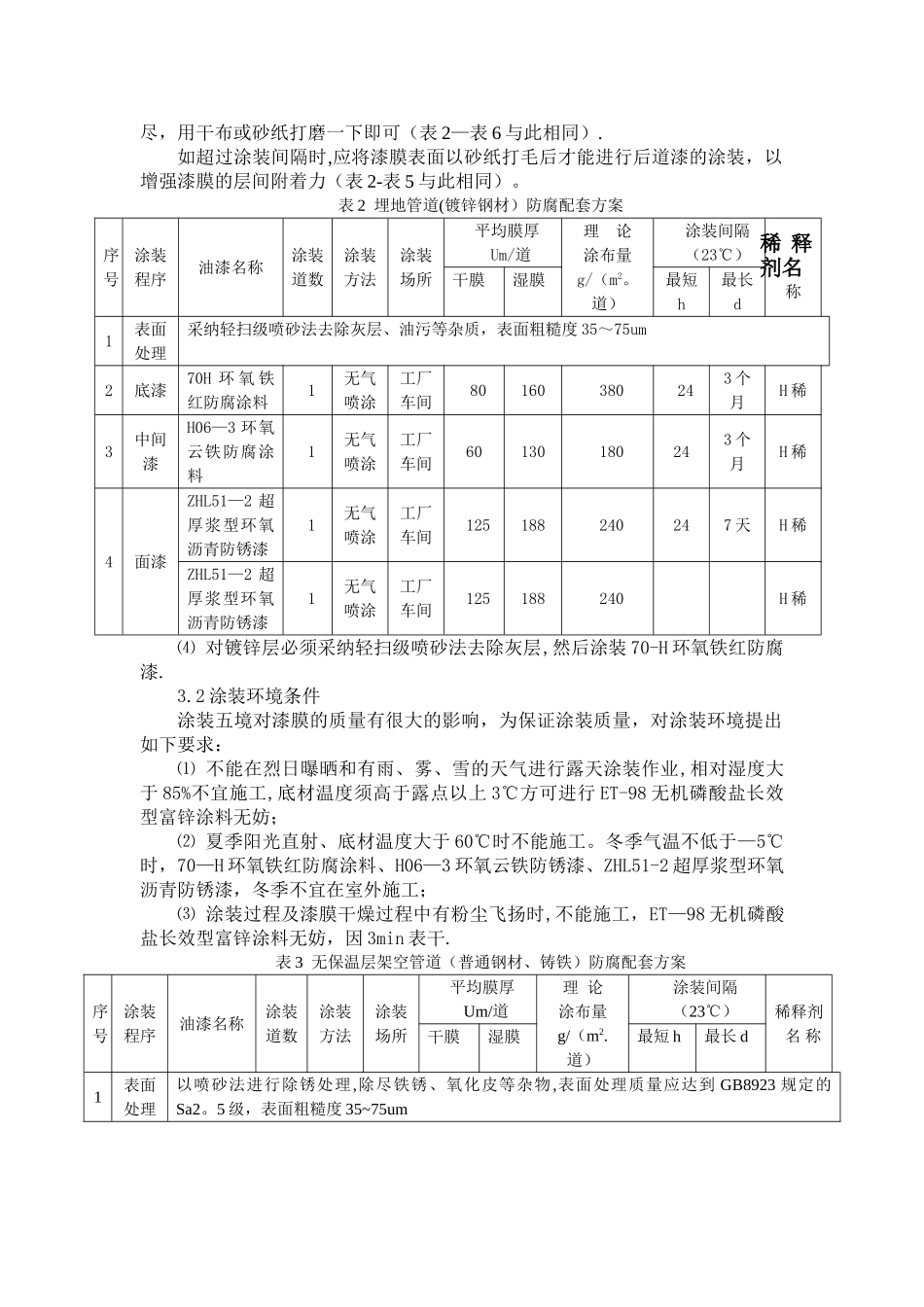
天然气管道防腐方案1、配套推举方案⑴ 埋地管道(普通钢材、铸铁)防腐配套方案见表 1;⑵ 埋地管道(镀锌钢材)防腐配套方案见表 2;⑶ 无保温层架空管道(普通钢材、铸铁)防腐配套方案见表 3;⑷ 无保温架空管道(镀锌钢材)防腐配套方案见表 4;⑸ 有保温层架空管道(普通钢材、铸铁)防腐配套方案见表 5;⑹ 有保温架空管道(镀锌钢材)防腐配套方案见表 6。2、涂装要求3。1 表面处理质量要求⑴ 对普通钢材以喷砂法进行除锈处理,除尽铁锈、氧化皮等杂物,表面处理质量控制应达到 GB8923《涂装前钢材表面锈蚀等级和除锈等级》标准规定的Sa2.5,表面粗糙 35~5um,喷砂后将灰尘除尽;⑵ 喷砂后的钢材应在 4h 之内完成第一道漆的涂装。如采纳 ET—98 无机磷酸盐长效型富锌涂料,一般除油、除锈即可,可带微锈涂刷施工;⑶ 焊接部位,在焊接后的 72h 之内不能进行涂装。表 1 埋地管道(普通钢材、铸铁)防腐配套方案序号涂装程序油漆名称涂装道数涂装方法涂装场所平均膜厚Um/道理 论涂布量g/(m2。道)涂装间隔(23℃)稀释剂名 称干膜湿膜最短 h最长 d1表面处理以喷砂法进行除锈处理,除尽铁锈、氧化皮等杂物,表面处理质量应达到 GB8923 规定的Sa2。5 级,表面粗糙度 35~75um2底漆H06—1 环 氧富 锌 防 锈 底漆1无气喷涂工厂车间80160380243 个月H 稀ET—98 无 机磷 酸 盐 长 效型富锌涂料1无气喷涂工厂车间801453004不限ET 稀3中间漆H06—3 环 氧云铁防锈漆1无气喷涂工厂车间60130180243 个月H 稀4面漆ZHL51—2超厚 浆 型 环 氧沥青防锈漆1无气喷涂工厂车间125188240247 天H 稀ZHL51—2超厚 浆 型 环 氧沥青防锈漆1无气喷涂工厂车间125188240H 稀油漆实际用量是施工单位的经验、施工水平、施工场所等条件由施工单位进行估算,大约为理论用量是的 1。5-1。8 倍,(表 2-表 6 与此相同)..3 个月之内漆膜表面会出现锌盐,在施工下道漆时,须将漆膜表面的锌盐除尽,用干布或砂纸打磨一下即可(表 2—表 6 与此相同).如超过涂装间隔时,应将漆膜表面以砂纸打毛后才能进行后道漆的涂装,以增强漆膜的层间附着力(表 2-表 5 与此相同)。表 2 埋地管道(镀锌钢材)防腐配套方案序号涂装程序油漆名称涂装道数涂装方法涂装场所平均膜厚Um/道理 论涂布量g/(m2。道)涂装间隔(23℃) 稀 释剂名称干膜湿膜最短h最长d1表面处理采纳轻扫级喷砂法去除灰层、油污等杂质,表面粗糙度 3...

1、当您付费下载文档后,您只拥有了使用权限,并不意味着购买了版权,文档只能用于自身使用,不得用于其他商业用途(如 [转卖]进行直接盈利或[编辑后售卖]进行间接盈利)。
2、本站所有内容均由合作方或网友上传,本站不对文档的完整性、权威性及其观点立场正确性做任何保证或承诺!文档内容仅供研究参考,付费前请自行鉴别。
3、如文档内容存在违规,或者侵犯商业秘密、侵犯著作权等,请点击“违规举报”。

碎片内容

天然气管道防腐方案

确认删除?
VIP
微信客服
  • 扫码咨询
会员Q群
  • 会员专属群点击这里加入QQ群
客服邮箱
回到顶部