电脑桌面
添加小米粒文库到电脑桌面
安装后可以在桌面快捷访问

安全目标、安全保证体系及措施

安全目标、安全保证体系及措施_第1页
1/17
安全目标、安全保证体系及措施_第2页
2/17
安全目标、安全保证体系及措施_第3页
3/17
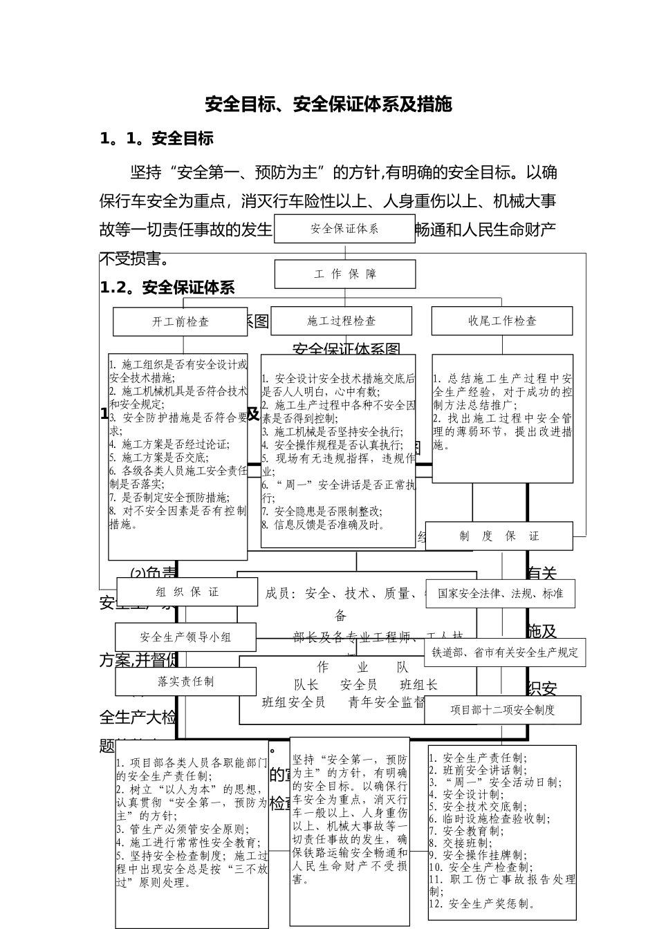
安全目标、安全保证体系及措施1。1。安全目标坚持“安全第一、预防为主”的方针,有明确的安全目标。以确保行车安全为重点,消灭行车险性以上、人身重伤以上、机械大事故等一切责任事故的发生,确保铁路运输安全畅通和人民生命财产不受损害。1.2。安全保证体系附:安全保证体系图安全保证体系图1。3。安全管理机构及职责安全管理组织机构框图㈠。项目经理⑴对施工安全负第一责任.⑵负责各项安全生产及劳动保护方针、政策、法规和上级有关安全生产条例、规定等的贯彻实施。⑶具体负责本工程安全生产目标的实施。组织审批安全措施及方案,并督促落实,不断改善劳动条件,确保安全生产目标的实现。⑷组织安全生产委员会会议,分析安全生产情况。定期组织安全生产大检查,对施工过程中的安全工作进行监督控制,督促存在问题的整改,消除事故隐患。⑸负责组织安全生产的宣传教育。⑹负责对安全生产的检查、考核及奖罚。㈡。项目副经理项目部安全领导小组 组 长 : 项目经理 副组长 : 项目总工、副经理 成员:安全、技术、质量、物资设备 部长及各专业工程师、工人技师 作 业 队 队长 安全员 班组长班组安全员 青年安全监督岗 坚持“安全第一,预防为主”的方针,有明确的安全目标。以确保行车安全为重点,消灭行车一般以上、人身重伤以上、机械大事故等一切责任事故的发生,确保铁路运输安全畅通和人民生命财产不受损害。安全生产领导小组落实责任制铁道部、省市有关安全生产规定项目部十二项安全制度组 织 保 证1. 项目部各类人员各职能部门的安全生产责任制;2. 树立“以人为本”的思想,认真贯彻“安全第一,预防为主”的方针;3. 管生产必须管安全原则;4. 施工进行常常性安全教育;5. 坚持安全检查制度;施工过程中出现安全总是按“三不放过”原则处理。国家安全法律、法规、标准1. 安全生产责任制;2. 班前安全讲话制;3.“ 周一”安全活动日制;4. 安全设计制;5. 安全技术交底制;6. 临时设施检查验收制;7. 安全教育制;8. 交接班制;9. 安全操作挂牌制;10. 安全生产检查制;11. 职工伤亡事故报告处理制;12. 安全生产奖惩制。安全保证体系工 作 保 障施工过程检查开工前检查收尾工作检查1. 施工组织是否有安全设计或安全技术措施;2. 施工机械机具是否符合技术和安全规定;3. 安全防护措施是否符合要求;4. 施工方案是否经过论证;5. 施工方案是否交底;6. 各级各类人员施工安全责任制是否落实;7...

1、当您付费下载文档后,您只拥有了使用权限,并不意味着购买了版权,文档只能用于自身使用,不得用于其他商业用途(如 [转卖]进行直接盈利或[编辑后售卖]进行间接盈利)。
2、本站所有内容均由合作方或网友上传,本站不对文档的完整性、权威性及其观点立场正确性做任何保证或承诺!文档内容仅供研究参考,付费前请自行鉴别。
3、如文档内容存在违规,或者侵犯商业秘密、侵犯著作权等,请点击“违规举报”。

碎片内容

安全目标、安全保证体系及措施

确认删除?
VIP
微信客服
  • 扫码咨询
会员Q群
  • 会员专属群点击这里加入QQ群
客服邮箱
回到顶部